HMC602
最后购买期限70 dB对数检波器/控制器,采用SMT封装,1 - 8,000 MHz
- 产品模型
- 4
Viewing:
概述
- 宽动态范围:最高70 dB
- 高精度:±1 dB(60 dB,范围达6 GHz)
- 快速:10ns输出响应时间
- 电源电压:+5V
- 关断模式
- 出色的温度稳定性
- 缓冲温度传感器输出
- 4x4mm无引脚SMT封装
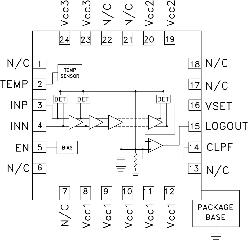
HMC602LP4(E)对数检波器/控制器可在输入端将RF信号转换为输出端成比例的直流电压。 HMC602LP4(E)采用逐次压缩拓扑,在宽输入频率范围内具有极高的动态范围和转换精度。 随着输入功率增加,连续放大器逐渐进入饱和,从而生成对数函数近似值。
对一系列平方律检波器输出求和,转换至电压域并缓冲,以驱动LOGOUT输出。 在检测模式下,LOGOUT引脚短路至VSET输入,并提供-25mV/dB标称对数斜率以及18 dBm截点(ƒ ≥ 5.8 GHz时为23 dBm)。 HMC602LP4(E)还可用于控制器模式,在该模式下外部电压施加到VSET引脚,构成AGC或APC反馈环路。
应用
- 蜂窝/PCS/3G
- WiMAX、WiBro、WLAN、固定无线与雷达
- 电源监测与控制电路
- 接收器信号强度指示(RSSI)
- 自动增益与电源控制
参考资料
数据手册 1
质量文档 3
磁带和卷轴规格 1
产品选型指南 1
ADI 始终高度重视提供符合最高质量和可靠性水平的产品。我们通过将质量和可靠性检查纳入产品和工艺设计的各个范围以及制造过程来实现这一目标。出货产品的“零缺陷”始终是我们的目标。查看我们的质量和可靠性计划和认证以了解更多信息。
| 产品型号 | 引脚/封装图-中文版 | 文档 | CAD 符号,脚注和 3D模型 |
|---|---|---|---|
| HMC602LP4 | 24-Lead QFN (4mm x 4mm w/ EP) | ||
| HMC602LP4E | 24-Lead QFN (4mm x 4mm w/ EP) | ||
| HMC602LP4ETR | 24-Lead QFN (4mm x 4mm w/ EP) | ||
| HMC602LP4TR | 24-Lead QFN (4mm x 4mm w/ EP) |
| 产品型号 | 产品生命周期 | PCN |
|---|---|---|
|
6月 6, 2022 - 22_0048 Addition of ASE Korea as an Alternate Assembly Site for Select LFCSP Products |
||
| HMC602LP4E | ||
| HMC602LP4ETR | ||
|
7月 28, 2022 - 22_0023 Product Discontinuance for Select Analog Devices Parts (ADFXXXX, HMCXXX) |
||
| HMC602LP4 | ||
| HMC602LP4E | ||
| HMC602LP4ETR | ||
| HMC602LP4TR | ||
这是最新版本的数据手册
软件资源
找不到您所需的软件或驱动?
申请驱动/软件工具及仿真模型
S-参数 1
评估套件
最新评论
需要发起讨论吗? 没有关于 HMC602的相关讨论?是否需要发起讨论?
在EngineerZone®上发起讨论