
HMC577
推荐用于新设计x2有源倍频器,采用SMT封装, 27至31 GHz Fout
- 产品模型
- 3
Viewing:
产品详情
- 极高输出功率: +20 dBm
- 低输入功率驱动: -2至+6 dBm
- >极高的Fo、3Fo隔离:
>55 dBc @ Fout= 29 GHz
- 100 kHz SSB相位噪声: -128 dBc/Hz
- 单电源: +5V (213 mA)
- RoHS Compliant 4x4 mm SMT Package
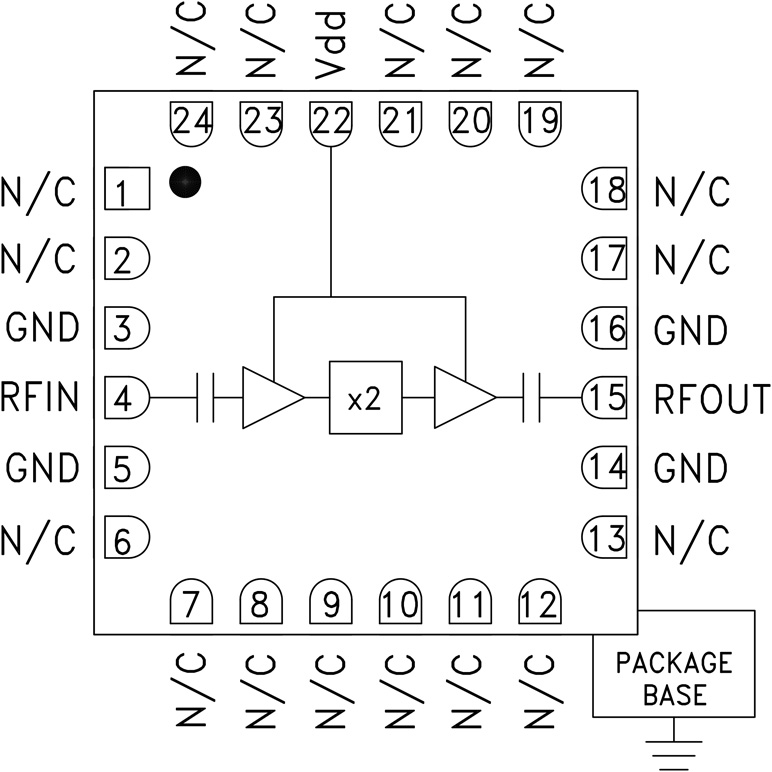
HMC577LC4B是一款x2有源宽带倍频器,使用GaAs PHEMT技术,采用符合RoHS标准的无引脚SMT封装。 由+5 dBm信号驱动时,该倍频器提供+20 dBm的典型输出功率,在27至31 GHz的频率下工作。 在29 GHz频率下的Fo和3Fo隔离为>55 dBc。
HMC577LC4B非常适合在点对点和VSAT无线电的LO倍频链中使用,与传统方法相比,可以减少器件数量。 100 kHz偏置时的低加性SSB相位噪声为-128 dBc/Hz,有助于保持良好的系统噪声性能。 采用RoHS封装的HMC577LC4B无需线焊,允许使用表面贴装制造技术。
应用
- 时钟生成应用:
SONET OC-192 & SDH STM-64 - 点对点和VSAT无线电
- 测试仪器仪表
- 军事和太空
参考资料
数据手册 1
质量文档 2
磁带和卷轴规格 1
产品选型指南 1
ADI 始终高度重视提供符合最高质量和可靠性水平的产品。我们通过将质量和可靠性检查纳入产品和工艺设计的各个范围以及制造过程来实现这一目标。出货产品的“零缺陷”始终是我们的目标。查看我们的质量和可靠性计划和认证以了解更多信息。
产品型号 | 引脚/封装图-中文版 | 文档 | CAD 符号,脚注和 3D模型 |
---|---|---|---|
HMC577LC4B | 24-Lead LCC (4mm x 4mm w/ EP) | ||
HMC577LC4BTR | 24-Lead LCC (4mm x 4mm w/ EP) | ||
HMC577LC4BTR-R5 | 24-Lead LCC (4mm x 4mm w/ EP) |
这是最新版本的数据手册
软件资源
找不到您所需的软件或驱动?
申请驱动/软件评估套件
最新评论
需要发起讨论吗? 没有关于 HMC577的相关讨论?是否需要发起讨论?
在EngineerZone®上发起讨论