HMC567

过期

I/Q接收机,采用SMT封装,7 - 9 GHz

Viewing:

概述

  • 转换增益: 10 dB
  • 镜像抑制: 35 dB
  • LO至RF隔离: 54 dB
  • 噪声系数: 2.5 dB
  • 输入IP3: +1.5 dBm
  • 符合RoHS标准5x5 mm SMT封装

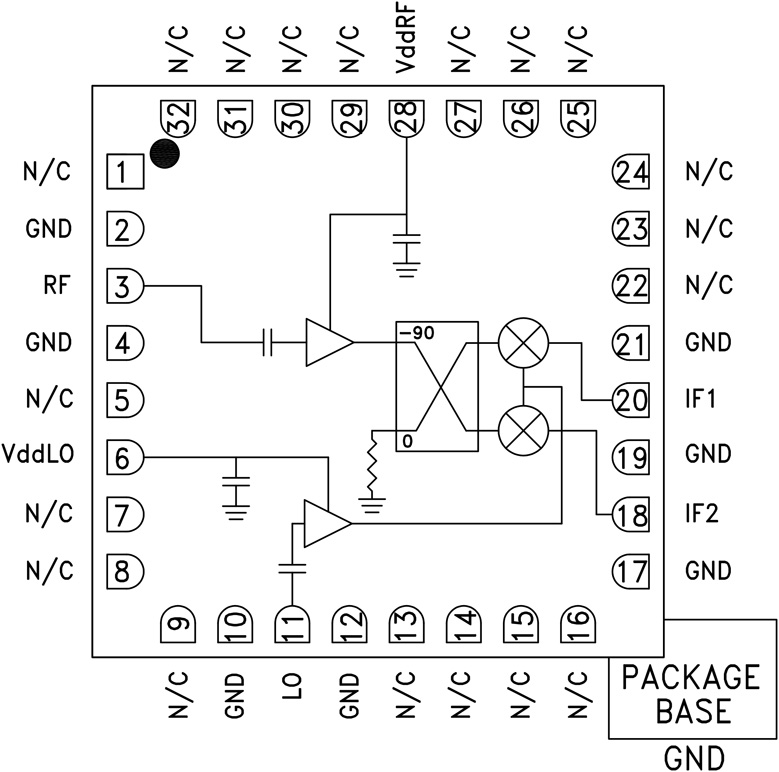
HMC567LC5是一款紧凑型GaAs MMIC I/Q下变频器,采用符合RoHS标准的无引脚SMT封装。 该器件在整个频段范围内提供10 dB的小信号转换增益、2.5 dB的噪声系数和35 dB的镜像抑制性能。 HMC567LC5采用LNA,后接由LO缓冲器放大器驱动的镜像抑制混频器。

该镜像抑制混频器使得LNA之后无需使用滤波器,并可消除镜像频率下的热噪声。 它具有I和Q混频器输出,所需外部90°混合型器件用于选择所需边带。 HMC567LC5为混合型镜像抑制混频器下变频器组件的小型替代器件,它无需线焊,可以使用表贴制造技术。

应用

  • 点对点
  • 点对多点无线电
  • EW和ELINT

推荐替代产品

HMC951A 推荐用于新设计

5.6 GHz 至 8.6 GHz GaAs MMIC I/Q 降频器

HMC567

I/Q接收机,采用SMT封装,7 - 9 GHz

hmc567lc5_fbl
添加至 myAnalog

将产品添加到myAnalog 的现有项目或新项目中(接收通知)。

创建新项目
提问

参考资料

了解更多
添加至 myAnalog

Add media to the Resources section of myAnalog, to an existing project or to a new project.

创建新项目

软件资源

找不到您所需的软件或驱动?

申请驱动/软件

硬件生态系统

部分模型 产品周期 描述
HMC951B 推荐用于新设计 I/Q下变频器,采用SMT封装,5.6 - 8.6 GHz
Modal heading
添加至 myAnalog

将产品添加到myAnalog 的现有项目或新项目中(接收通知)。

创建新项目

评估套件

EVAL-HMC567LC5
HMC567LC5评估板

最新评论

近期浏览