HMC561-Die

量产

x2有源倍频器芯片,8 - 21 GHz Fout

产品技术资料帮助

ADI公司所提供的资料均视为准确、可靠。但本公司不为用户在应用过程中侵犯任何专利权或第三方权利承担任何责任。技术指标的修改不再另行通知。本公司既没有含蓄的允许,也不允许借用ADI公司的专利或专利权的名义。本文出现的商标和注册商标所有权分别属于相应的公司。

Viewing:

概述

  • 高输出功率: +17 dBm
  • 低输入功耗驱动: 0至+6 dBm
  • Fo隔离: 15 dBc (Fout = 16 GHz)
  • 100 kHz SSB相位噪声: -139 dBc/Hz
  • 裸片尺寸: 1.6 x 0.9 x 0.1 mm

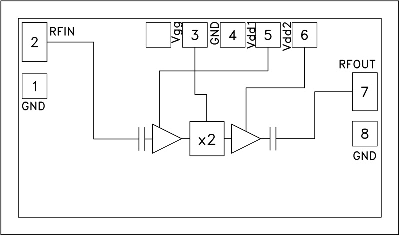
HMC561是一款采用GaAs pHEMT技术的x2有源宽带倍频器芯片。 由+5 dBm信号驱动时,该倍频器在8至21 GHz范围内提供+17 dBm的典型输出功率,在16 GHz频率下,Fo和3Fo隔离均为15 dBc。 HMC561非常适合在点对点和VSAT无线电的LO倍频链中使用,与传统方法相比,可以减少器件数量。 100 kHz偏置时的低加性SSB相位噪声为-139 dBc/Hz,有助于保持良好的系统噪声性能。

应用

  • 时钟生成应用: SONET OC-192和SDH STM-64
  • 点对点和VSAT无线电
  • 测试仪器仪表
  • 军事和太空

HMC561-Die

x2有源倍频器芯片,8 - 21 GHz Fout

HMC561 Functional Block Diagram
添加至 myAnalog

将产品添加到myAnalog 的现有项目或新项目中(接收通知)。

创建新项目
提问

参考资料

数据手册 1

了解更多
添加至 myAnalog

Add media to the Resources section of myAnalog, to an existing project or to a new project.

创建新项目

软件资源

找不到您所需的软件或驱动?

申请驱动/软件

工具及仿真模型

最新评论

需要发起讨论吗? 没有关于 HMC561-DIE的相关讨论?是否需要发起讨论?

在EngineerZone®上发起讨论

近期浏览