HMC495
过期
SiGe直接调制器,采用SMT封装,250 - 3800 MHz
- 产品模型
- 4
Viewing:
概述
- 宽带RF频率范围
- 高载波抑制: 38 dBc
- 极低噪底: -158 dBm/Hz
- 低LO功率: -6至+6 dBm
- 差分或单端LO输入
- 低电流单电源:
+3.3V (108 mA)
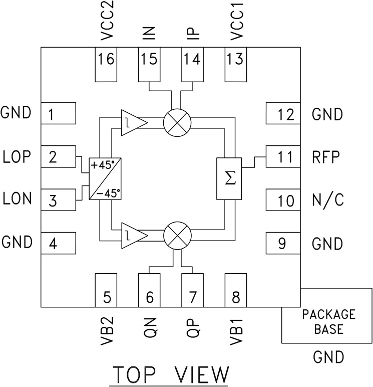
HMC495LP3(E)是一款低噪声宽带直接正交调制器RFIC,适合250 - 3800 MHz 数字调制应用,包括:蜂窝/3G、宽带无线接入和ISM电路。 RFIC采用紧凑型3x3 mm (LP3) SMT QFN封装,只需极少的外部元件,为更复杂的双上变频架构提供了一种低成本替代解决方案。
RF输出端口为单端型并匹配至50 Ohms,无需外部元件。 LO需-6至+6 dBm,可用差分或单端方式驱动,同时基带输入支持DC- 250 MHz典型调制输入。 该器件针对+3.3V电源电压和108 mA功耗进行优化,在+3V至+3.6范围内提供稳定的性能。
应用
- UMTS、GSM或CDMA基站
- 固定无线或WLL
- ISM收发器,900和2400 MHz
- GMSK, QPSK, QAM, SSB Modulators
参考资料
技术文章 1
停产数据手册 1
质量文档 4
磁带和卷轴规格 1
ADI 始终高度重视提供符合最高质量和可靠性水平的产品。我们通过将质量和可靠性检查纳入产品和工艺设计的各个范围以及制造过程来实现这一目标。出货产品的“零缺陷”始终是我们的目标。查看我们的质量和可靠性计划和认证以了解更多信息。
| 产品型号 | 引脚/封装图-中文版 | 文档 | CAD 符号,脚注和 3D模型 |
|---|---|---|---|
| HMC495LP3 | 16-Lead QFN (3mm x 3mm w/ EP) | ||
| HMC495LP3E | 16-Lead QFN (3mm x 3mm w/ EP) | ||
| HMC495LP3ETR | 16-Lead QFN (3mm x 3mm w/ EP) | ||
| HMC495LP3TR | 16-Lead QFN (3mm x 3mm w/ EP) |
| 产品型号 | 产品生命周期 | PCN |
|---|---|---|
|
6月 6, 2022 - 22_0048 Addition of ASE Korea as an Alternate Assembly Site for Select LFCSP Products |
||
| HMC495LP3E | 过期 | |
| HMC495LP3ETR | 过期 | |
|
3月 3, 2016 - 16_0010 Discontinuance of Select RF and Microwave Products |
||
| HMC495LP3 | 过期 | |
| HMC495LP3E | 过期 | |
| HMC495LP3ETR | 过期 | |
| HMC495LP3TR | 过期 | |
这是最新版本的数据手册
软件资源
找不到您所需的软件或驱动?
申请驱动/软件硬件生态系统
最新评论
需要发起讨论吗? 没有关于 HMC495的相关讨论?是否需要发起讨论?
在EngineerZone®上发起讨论