Quantic X-Microwave

ADI RF和微波元件作为Quantic X-Microwave的插入式X-MWblocks®提供。

获取此器件的X-MWblock®插入式模块。

HMC341LC3B

量产

低噪声放大器,采用SMT封装,21 - 29 GHz

产品技术资料帮助

ADI公司所提供的资料均视为准确、可靠。但本公司不为用户在应用过程中侵犯任何专利权或第三方权利承担任何责任。技术指标的修改不再另行通知。本公司既没有含蓄的允许,也不允许借用ADI公司的专利或专利权的名义。本文出现的商标和注册商标所有权分别属于相应的公司。

Viewing:

概述

  • 噪声系数: 2.5 dB
  • 增益: 13 dB
  • 电源: +3V (35mA)
  • 50 Ω匹配输入/输出
  • 符合RoHS标准的3x3 mm SMT封装

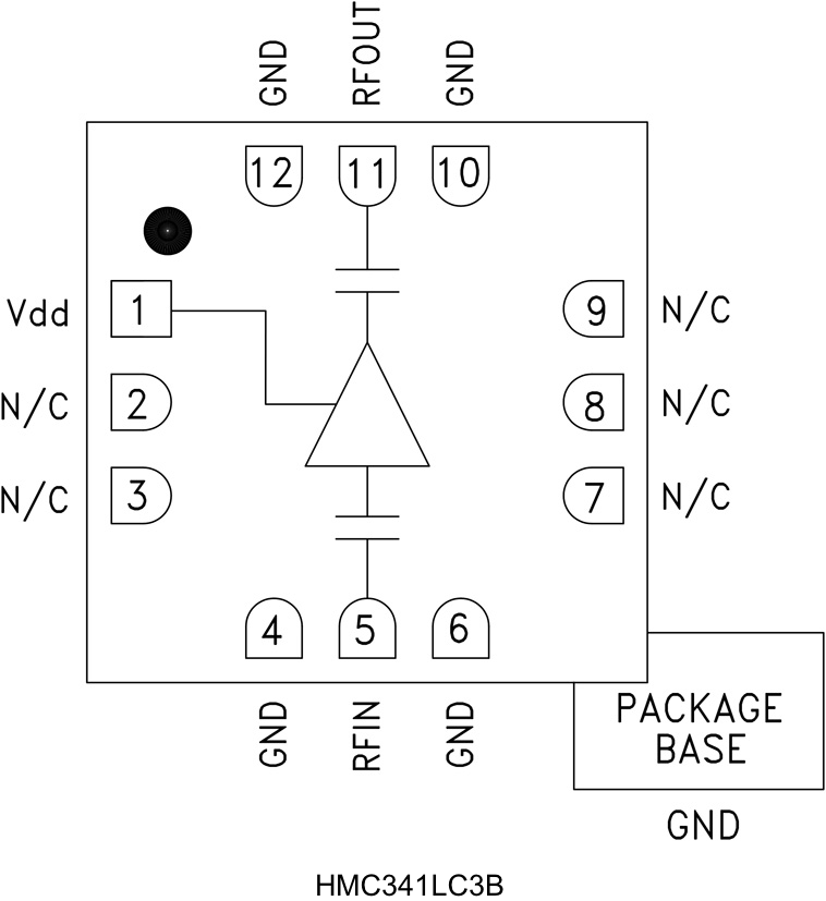
HMC341LC3B是一款GaAs PHEMT MMIC低噪音放大器,采用符合RoHS标准的无引脚SMT封装。 该放大器的工作频率范围为21至29 GHz,采用+3V单电源时提供13 dB增益和2.5 dB噪声系数。 隔直RF I/O匹配至50 Ω,无需外部元件。 HMC341LC3B无需线焊,可以使用表贴制造技术。

应用

  • 点对点无线电
  • 点对多点无线电和VSAT
  • 测试设备和传感器
  • 军用最终用途

HMC341LC3B
低噪声放大器,采用SMT封装,21 - 29 GHz
HMC341LC3B_fbl
添加至 myAnalog

将产品添加到myAnalog 的现有项目或新项目中(接收通知)。

创建新项目
提问

参考资料

了解更多
添加至 myAnalog

Add media to the Resources section of myAnalog, to an existing project or to a new project.

创建新项目

软件资源

找不到您所需的软件或驱动?

申请驱动/软件

工具及仿真模型

ADIsimRF

ADIsimRF是一款简单易用的RF信号链计算工具。可以计算和导出多达50级的信号链级联增益、噪声、失真和功耗并绘制其曲线。ADIsimRF还包括丰富的ADI射频和混合信号元件的器件模型数据库。

打开工具

S-参数 1

Sys-Parameter Models for Keysight Genesys

Sys-Parameter models contain behavioral parameters, such as P1dB, IP3, gain, noise figure and return loss, which describe nonlinear and linear characteristics of a device.

打开工具

评估套件

EVAL-HMC341LC3B
HMC341LC3B 评估板

最新评论

需要发起讨论吗? 没有关于 HMC341LC3B的相关讨论?是否需要发起讨论?

在EngineerZone®上发起讨论

近期浏览