在 ADI 中国在线商城下单采购需要注意哪些事项呢?
从 myAnalog 注册到产品加购、在线快捷支付,本视频手把手带您沉浸式体验 ADI 中国在线商城购物的采购流程。
HMC232
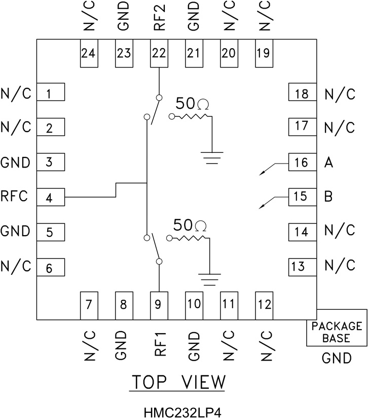
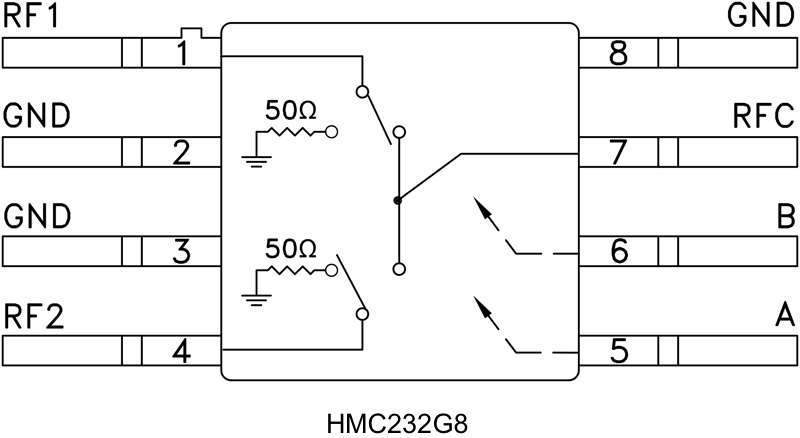
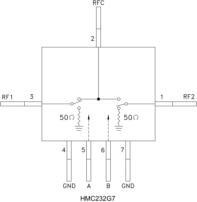
过期HMC232 / HMC232LP4 / HMC232G8 / HMC232G7 / HMC232C8
- 产品模型
- 9
概述
- 高隔离度: >50 dB (10 GHz);48 dB至55 dB (2 GHz);60 dB (3 GHz);34 dB至52 dB (6 GHz)
- 低插入损耗: 1.4 dB至1.9 dB (6 GHz);1.5 dB(典型值,4 GHz)
- 非反射设计
- 裸片尺寸: 2.05 mm x 1.04 mm x 0.1 mm
- HMC132的直接替代器件
- 4 mm x 4 mm QFN SMT封装;表贴陶瓷封装;密封表贴封装
- 输入P1dB: 27 dBm
- 包含在HMC-DK005设计人员套件中
HMC232是一款宽带非反射式GaAs MESFET SPDT MMIC芯片和宽带高隔离非反射式GaAs MESFET SPDT开关,采用密封或非密封表贴陶瓷封采用密封或非密封表贴陶瓷封装或低成本无引脚QFN表贴塑料封装。 该开关频率范围为DC至15 GHz,由于采用了片内通孔结构,该开关在较低频率下具有大于60 dB的隔离度,在较高频率下具有大于45 dB的隔离度。 该开关采用-5/0 V的两个负控制电压逻辑线路(A和B)工作,无需Vee或偏置电源。 备选A和B控制焊盘用于方便实施MIC。 所有所示数据均通过50 Ω测试夹具中的芯片测试,通过直径为0.025 mm (1 mil)、长度为0.5 mm (20 mils)的焊线连接。 输入P1dB压缩为27 dBm(典型值),而输入IP3为50 dBm。 该产品为HMC132的形式、装配和功能替代器件。
应用
- 光纤产品
- 微波无线电和VSAT
- 军用无线电、雷达和ECM
- 空间系统
- 测试设备
- 测试仪器仪表
- 电信基础设施
推荐替代产品
GaAs,SPDT开关,非反射式,100 MHz至12 GHz
参考资料
数据手册 4
停产数据手册 1
质量文档 3
磁带和卷轴规格 2
ADI 始终高度重视提供符合最高质量和可靠性水平的产品。我们通过将质量和可靠性检查纳入产品和工艺设计的各个范围以及制造过程来实现这一目标。出货产品的“零缺陷”始终是我们的目标。查看我们的质量和可靠性计划和认证以了解更多信息。
| 产品型号 | 引脚/封装图-中文版 | 文档 | CAD 符号,脚注和 3D模型 |
|---|---|---|---|
| HMC232 | 7-Lead SMT | ||
| HMC232C8 | 8-Lead SMT (4.32mm x 5.59mm) | ||
| HMC232C8TR | 8-Lead SMT (4.32mm x 5.59mm) | ||
| HMC232G7 | 7-Lead SMT | ||
| HMC232G8 | CERPAK(HERM CER SRF MOUNT) | ||
| HMC232LP4 | 16-Lead LFCSP (3mm x 3mm w/ EP) | ||
| HMC232LP4E | 24-Lead QFN (4mm x 4mm w/ EP) | ||
| HMC232LP4ETR | 24-Lead QFN (4mm x 4mm w/ EP) | ||
| HMC232LP4TR | 16-Lead LFCSP (3mm x 3mm w/ EP) |
| 产品型号 | 产品生命周期 | PCN |
|---|---|---|
|
12月 14, 2015 - 15_0026 Discontinuance of Select Hittite Microwave Products (HMC) from Analog Devices |
||
| HMC232 | 过期 | |
| HMC232C8 | 过期 | |
| HMC232G7 | 过期 | |
| HMC232G8 | 过期 | |
| HMC232LP4 | 过期 | |
| HMC232LP4E | ||
| HMC232LP4ETR | ||
| HMC232LP4TR | 过期 | |
这是最新版本的数据手册
软件资源
找不到您所需的软件或驱动?
申请驱动/软件工具及仿真模型
评估套件
最新评论
需要发起讨论吗? 没有关于 HMC232的相关讨论?是否需要发起讨论?
在EngineerZone®上发起讨论