Quantic X-Microwave

ADI RF和微波元件作为Quantic X-Microwave的插入式X-MWblocks®提供。

获取此器件的X-MWblock®插入式模块。

HMC1093

推荐用于新设计

GaAs MMIC次谐波混频器,37 - 46.5 GHz

产品技术资料帮助

ADI公司所提供的资料均视为准确、可靠。但本公司不为用户在应用过程中侵犯任何专利权或第三方权利承担任何责任。技术指标的修改不再另行通知。本公司既没有含蓄的允许,也不允许借用ADI公司的专利或专利权的名义。本文出现的商标和注册商标所有权分别属于相应的公司。

Viewing:

概述

  • 次谐波 (x4) LO
  • 低LO功率: -1 dBm
  • 高4LO/RF隔离: 20 dB
  • 宽IF带宽: DC至7.5 GHz
  • 下变频应用
  • 裸片尺寸: 1.45 X 3.85 X 0.1 mm



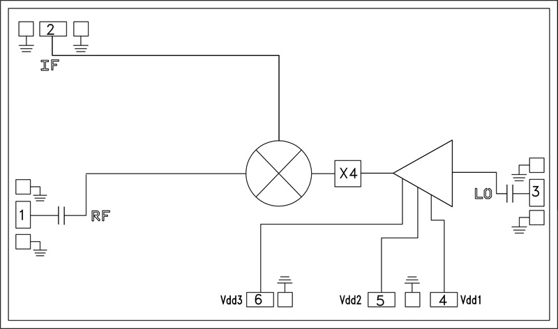
HMC1093芯片是一款集成LO放大器的次谐波 (x4) MMIC混频器。 HMC1093芯片非常适合用作下变频器,RF端口为37至46.5 GHz,IF端口范围为DC至7.5 GHz。 HMC1093利用GaAs PHEMT技术,提供20 dB的4LO至RF出色隔离性能,无需额外滤波。 LO放大器采用单偏置(+3V)两级设计,所需LO功率仅为-1 dBm。 RF和LO端口为隔直端口并匹配至50 Ohms,使用方便。 此处显示的所有数据均采用50 Ohm测试夹具中的芯片测得,该夹具通过直径为0.025mm (1 mil)、最小长度小于0.31 mm (<12 mils)的焊线连接。

应用

  • 38 GHz微波无线电
  • 42 GHz微波无线电
  • 军用最终用途



HMC1093
GaAs MMIC次谐波混频器,37 - 46.5 GHz
HMC1093 Functional Block Diagram
添加至 myAnalog

将产品添加到myAnalog 的现有项目或新项目中(接收通知)。

创建新项目
提问

参考资料

数据手册 1

了解更多
添加至 myAnalog

Add media to the Resources section of myAnalog, to an existing project or to a new project.

创建新项目

软件资源

找不到您所需的软件或驱动?

申请驱动/软件

工具及仿真模型

设计工具 1

ADIsimRF

ADIsimRF是一款简单易用的RF信号链计算工具。可以计算和导出多达50级的信号链级联增益、噪声、失真和功耗并绘制其曲线。ADIsimRF还包括丰富的ADI射频和混合信号元件的器件模型数据库。

打开工具

最新评论

需要发起讨论吗? 没有关于 HMC1093的相关讨论?是否需要发起讨论?

在EngineerZone®上发起讨论

近期浏览