Quantic X-Microwave

ADI RF和微波元件作为Quantic X-Microwave的插入式X-MWblocks®提供。

获取此器件的X-MWblock®插入式模块。

HMC1063

推荐用于新设计

GaAs MMIC I/Q混频器,24 - 28 GHz

产品技术资料帮助

ADI公司所提供的资料均视为准确、可靠。但本公司不为用户在应用过程中侵犯任何专利权或第三方权利承担任何责任。技术指标的修改不再另行通知。本公司既没有含蓄的允许,也不允许借用ADI公司的专利或专利权的名义。本文出现的商标和注册商标所有权分别属于相应的公司。

Viewing:

概述

  • 低LO功率: 10 dBm
  • 宽IF带宽: DC - 3 GHz
  • 镜像抑制: 21 dBc
  • LO/RF隔离: 40 dB
  • 高输入IP3: 17 dBm
  • 16引脚3x3 mm SMT封装: 9 mm²

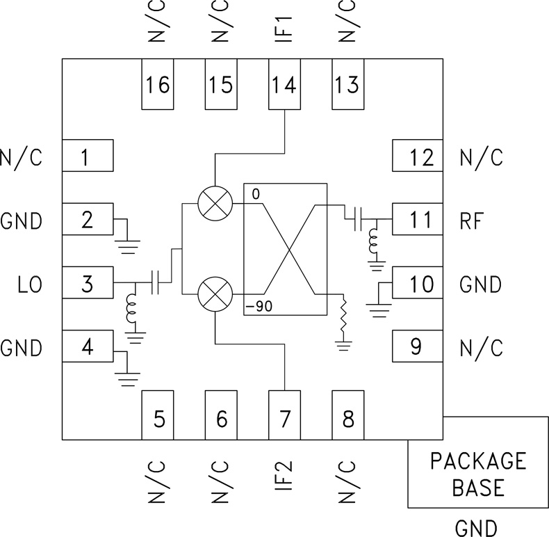
HMC1063LP3E是一款紧凑型I/Q MMIC混频器,采用“无铅”SMT封装,可用作镜像抑制混频器或单边带上变频器。 该混频器采用两个标准Hittite双平衡混频器单元和一个90度混合器件,均采用GaAs Schottky二极管工艺制造。 低频正交混合器件用于产生1,000 MHz LSB IF输出。 该产品为混合型镜像抑制混频器和单边带上变频器组件的小型替代器件。 HMC1063LP3E无需线焊,可以使用表贴制造技术。

应用

  • 点对点和点对多点无线电
  • 军用雷达、EW和ELINT
  • 卫星通信
  • 传感器

HMC1063
GaAs MMIC I/Q混频器,24 - 28 GHz
HMC1063 Functional Block Diagram
添加至 myAnalog

将产品添加到myAnalog 的现有项目或新项目中(接收通知)。

创建新项目
提问

参考资料

数据手册 1

了解更多
添加至 myAnalog

Add media to the Resources section of myAnalog, to an existing project or to a new project.

创建新项目

软件资源

找不到您所需的软件或驱动?

申请驱动/软件

工具及仿真模型

ADIsimRF

ADIsimRF是一款简单易用的RF信号链计算工具。可以计算和导出多达50级的信号链级联增益、噪声、失真和功耗并绘制其曲线。ADIsimRF还包括丰富的ADI射频和混合信号元件的器件模型数据库。

打开工具

S-参数 1


评估套件

EVAL-HMC1063LP3
HMC1063LP3 评估板

最新评论

需要发起讨论吗? 没有关于 HMC1063的相关讨论?是否需要发起讨论?

在EngineerZone®上发起讨论

近期浏览