HMC-MDB172

推荐用于新设计

I/Q混频器/IRM芯片,19 - 33 GHz

产品技术资料帮助

ADI公司所提供的资料均视为准确、可靠。但本公司不为用户在应用过程中侵犯任何专利权或第三方权利承担任何责任。技术指标的修改不再另行通知。本公司既没有含蓄的允许,也不允许借用ADI公司的专利或专利权的名义。本文出现的商标和注册商标所有权分别属于相应的公司。

Viewing:

概述

  • 宽IF带宽: DC - 5 GHz
  • 高镜像抑制: 35 dB
  • LO至RF高隔离: 28 dB
  • 无源: 无需直流偏置
  • 裸片尺寸: 2.2 x 2.0 x 0.1 mm

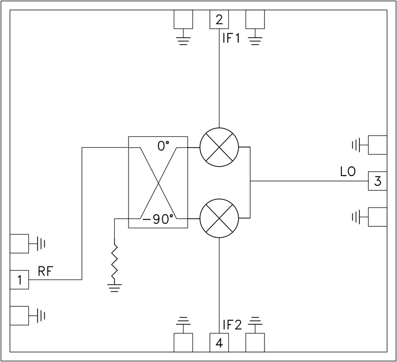
HMC-MDB172是一款单芯片I/Q混频器,可用作镜像抑制混频器(IRM)或单边带上变频器。 此款无源MMIC采用GaAs异质结双极性晶体管(HBT)肖特基二极管技术制造。 针对下变频应用,外部正交混合器件可用于选择所需边带同时抑制图像信号。

所有焊盘和芯片背面都经过Ti/Au金属化,Shottky器件已完全钝化以实现可靠操作。 HMC-MDB172 I/Q MMIC混频器可兼容常规的芯片贴装方法,以及热压缩和热超声线焊,非常适合MCM和混合微电路应用。 此处显示的所有数据均是芯片在50 Ohm环境下使用RF探头接触测得。

应用

  • 点对点无线电
  • VSAT
  • 军用雷达、ECM和EW
  • 测试和测量设备
  • 卫星通信

HMC-MDB172
I/Q混频器/IRM芯片,19 - 33 GHz
HMC-MDB172 Functional Block Diagram
添加至 myAnalog

将产品添加到myAnalog 的现有项目或新项目中(接收通知)。

创建新项目
提问

参考资料

了解更多
添加至 myAnalog

Add media to the Resources section of myAnalog, to an existing project or to a new project.

创建新项目

软件资源

找不到您所需的软件或驱动?

申请驱动/软件

工具及仿真模型

ADIsimRF

ADIsimRF是一款简单易用的RF信号链计算工具。可以计算和导出多达50级的信号链级联增益、噪声、失真和功耗并绘制其曲线。ADIsimRF还包括丰富的ADI射频和混合信号元件的器件模型数据库。

打开工具

最新评论

需要发起讨论吗? 没有关于 HMC-MDB172的相关讨论?是否需要发起讨论?

在EngineerZone®上发起讨论

近期浏览