DS2180AN

T1收发器

产品技术资料帮助

ADI公司所提供的资料均视为准确、可靠。但本公司不为用户在应用过程中侵犯任何专利权或第三方权利承担任何责任。技术指标的修改不再另行通知。本公司既没有含蓄的允许,也不允许借用ADI公司的专利或专利权的名义。本文出现的商标和注册商标所有权分别属于相应的公司。

Viewing:

概述

  • Single-chip DS1 rate transceiver
  • Supports common framing standards
    • 12 frames/superframe "193S"
    • 24 frames/superframe "193E"
  • Three zero suppression modes:
    • B7 stuffing
    • B8ZS
    • Transparent
  • Simple serial interface used for configuration, control and status monitoring in processor mode
  • Hardware mode requires no host processor; intended for standalone applications
  • Selectable 0, 2, 4, 16-state robbed-bit signaling modes
  • Allows mix of clear and non-clear DS0 channels on same DS1 link
  • Alarm generation and detection
  • Receive error detection and counting for transmission performance monitoring
  • 5V supply, low-power CMOS technology
  • Surface-mount package available, designated DS2180AQ
  • Industrial temperature range of -40°C to +85°C available, designated DS2180AN or DS2180AQN
  • Compatible to DS2186 transmit line interface, DS2187 receive line interface, DS2188 jitter attenuator, DS2175 T1/CEPT elastic store, DS2290 T1 isolation stik, and DS2291 T1 long loop stik

DS2180AN
T1收发器
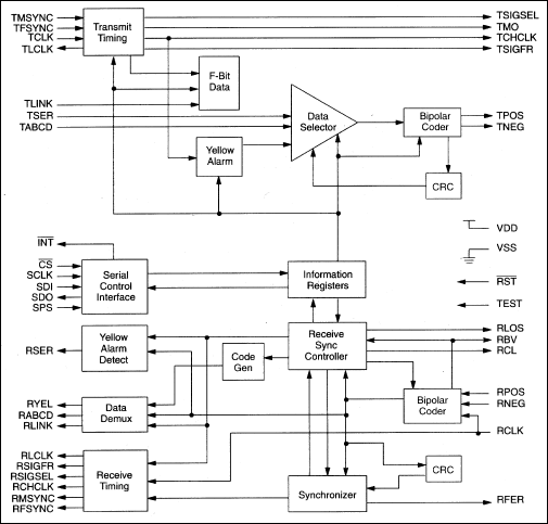
DS2180A、DS2180AN、DS2180AQN:原理框图
添加至 myAnalog

将产品添加到myAnalog 的现有项目或新项目中(接收通知)。

创建新项目
提问

参考资料

了解更多
添加至 myAnalog

Add media to the Resources section of myAnalog, to an existing project or to a new project.

创建新项目

最新评论

需要发起讨论吗? 没有关于 DS2180AN的相关讨论?是否需要发起讨论?

在EngineerZone®上发起讨论

近期浏览