DS1831E

过期

3.3V/2.5V、多电源MicroMonitor

产品技术资料帮助

ADI公司所提供的资料均视为准确、可靠。但本公司不为用户在应用过程中侵犯任何专利权或第三方权利承担任何责任。技术指标的修改不再另行通知。本公司既没有含蓄的允许,也不允许借用ADI公司的专利或专利权的名义。本文出现的商标和注册商标所有权分别属于相应的公司。

Viewing:

概述

  • 2.5V上电复位
  • 3.3 (或3V)上电复位
  • 两个独立输出的基准比较器,用于监测其它电源
  • 内部电源来自较高的IN2.5V电源输入或IN3.3V电源输入
  • 尤其适合于设计多电源的供电系统
  • 电源瞬变期间,复位输出有效
  • 复位输入按钮,用于系统复位
  • 10ms、100ms和1s的用户可配置复位保持时间
  • 用于软件监测的看门狗定时器(DS1831D)
  • 精密的温度补偿电压基准和电压检测
  • 16引脚DIP封装和16引脚150mil的SO封装
  • 工作温度范围-40°C至+85°C

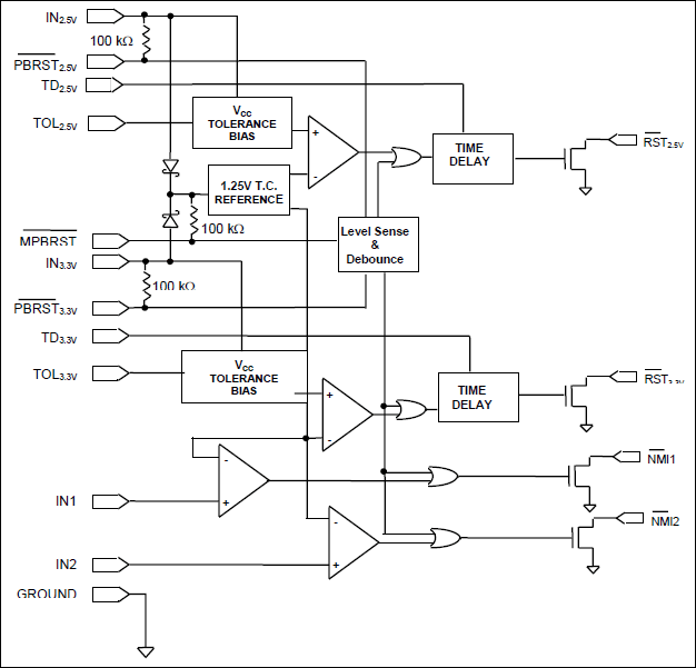
DS1831C多电源微监控器和复位电路监测多达4个系统电压:2.5V电源,3.3V (或3V)电源,以及两个额外的用户可配置电压监测器。DS1831可从较高的3.3V或2.5V电源输入中获得内部工作电源。为了使器件工作,这些输入中至少有一路必须大于1V。提供按钮(手动复位)功能,分别用于2.5V和3.3V手动复位,或通过主按钮输入,使所有复位输出有效。DS1813D用一个看门狗取代了一个基准比较器和主按钮输入,DS1831E用最新复位状态输出取代了3.3V /PBRST按钮复位输入。

TOL和TD输入引脚允许用户配置DS1831,以适应于多种应用。TOL输入引脚配置特定输出的电源容差值,TD输入引脚配置复位时间延时。

DS1831E
3.3V/2.5V、多电源MicroMonitor
DS1831C、DS1831D、DS1831E:原理框图
添加至 myAnalog

将产品添加到myAnalog 的现有项目或新项目中(接收通知)。

创建新项目
提问

参考资料

了解更多
添加至 myAnalog

Add media to the Resources section of myAnalog, to an existing project or to a new project.

创建新项目

软件资源

找不到您所需的软件或驱动?

申请驱动/软件

最新评论

需要发起讨论吗? 没有关于 DS1831E的相关讨论?是否需要发起讨论?

在EngineerZone®上发起讨论

近期浏览