DS1238

预发布

微管理器芯片

产品技术资料帮助

ADI公司所提供的资料均视为准确、可靠。但本公司不为用户在应用过程中侵犯任何专利权或第三方权利承担任何责任。技术指标的修改不再另行通知。本公司既没有含蓄的允许,也不允许借用ADI公司的专利或专利权的名义。本文出现的商标和注册商标所有权分别属于相应的公司。

Viewing:

概述

  • Power fail detect with referenced comparator, NMI:
    • Warns microprocessor of an impending power failure
    • Holds microprocessor in check during power transients
    • Halts and restarts an out-of-control microprocessor
    • Provides orderly shutdown in nonvolatile microprocessor applications
    • Invokes sleep mode
  • Pushbutton reset:
    • Monitors pushbutton for external override
    • Controls external power switch for high-current applications
    • Controls low-power stop mode in battery operated hand-held applications
  • Watchdog timer
  • 5V operation with active high and low resets:
    • ±5% of 5V (DS1238-5, DS1238A-5)
    • ±10% of 5V (DS1238, DS1238A)
  • Battery switch:
    • Converts CMOS SRAM into nonvolatile memory
  • Control pins gate to external power switch for high-current applications
  • CE control:
    • Unconditionally write-protects memory when power supply is out of tolerance
  • Optional freshness mode (DS1238) seals battery until first power-on
  • Consumes less than 200nA of battery current at 25°C
  • Operating ranges:
    • DS1238, DS1238A: 0°C to +70°C
    • DS1238-IND, DS1238A-IND: -40°C to +85°C
  • Pin-for-pin compatibility with MAX691, MAX693, MAX695
  • Optional internal or external timing control

DS1238
微管理器芯片
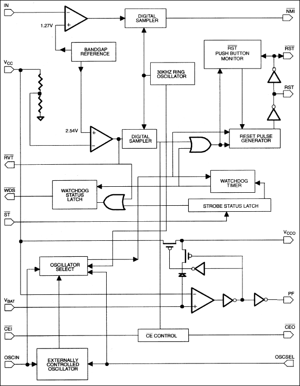
DS1238:功能原理框图
添加至 myAnalog

将产品添加到myAnalog 的现有项目或新项目中(接收通知)。

创建新项目
提问

参考资料

了解更多
添加至 myAnalog

Add media to the Resources section of myAnalog, to an existing project or to a new project.

创建新项目

软件资源

找不到您所需的软件或驱动?

申请驱动/软件

最新评论

需要发起讨论吗? 没有关于 DS1238的相关讨论?是否需要发起讨论?

在EngineerZone®上发起讨论

近期浏览