ADV3222

量产

800 MHz、4:1模拟多路复用器

产品技术资料帮助

ADI公司所提供的资料均视为准确、可靠。但本公司不为用户在应用过程中侵犯任何专利权或第三方权利承担任何责任。技术指标的修改不再另行通知。本公司既没有含蓄的允许,也不允许借用ADI公司的专利或专利权的名义。本文出现的商标和注册商标所有权分别属于相应的公司。

Viewing:

概述

  • 出色的交流性能
    带宽:−3 dB
    800 MHz(200 mV p-p)
    750 MHz(2 V p-p)
    压摆率:2400 V/μs
  • 低功耗:75 mW,VS = ±5 V
  • 出色的视频性能
    0.1 dB增益平坦度:100 MHz
    差分增益误差:0.02%
    差分相位误差:0.02°
    (RL = 150 Ω)
  • ADV3221是HA4344的引脚升级版本
  • 增益:= +1 (ADV3221)或
    +2 (ADV3222)
  • 所有不利串扰低:
    −85 dB(5 MHz);−58 dB(100 MHz)
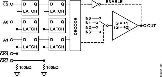
  • 锁存控制线路实现同步切换
  • 利用高阻抗输出禁用功能,多个器件可以相连,且不会向输出总线提供负载
  • 16引脚SOIC

ADV3221和ADV3222是高速、高压摆率、缓冲4:1模拟多路复用器。其−3 dB信号带宽大于800 MHz,通道切换的1%建立时间少于20 ns。两款器件的串扰性能均低于-58 dB,隔离性能为-67 dB (100 MHz),因而适合许多高速应用。驱动75 Ω 后部端接负载时,差分增益误差低于0.02%,差分相位误差小于0.02°,0.1 dB平坦度超过100 MHz,是各类信号开关的理想选择。

ADV3221/ADV3222含有一个输出缓冲,可将其置于高阻抗状态。这样可以将多个输出相互连接起来,实现级联信号级,而无需关断通道为输出总线提供负载。ADV3221的增益为+1,ADV3222的增益为+2;两种器件均采用±5 V电源供电,仅消耗不到7.5 mA的空闲电流。通道切换通过锁存控制线路实现,可在多ADV3221/ADV3222环境中实现同步更新。

ADV3221/ADV3222采用16引脚SOIC封装,工作温度范围为-40°C至+85°C扩展工业温度范围。

应用

  • 路由高速信号,包括:
    视频(NTSC、PAL、S、SECAM、YUV、RGB)
    压缩视频(MPEG、小波)
    3级数字视频(HDB3)
    数据通信
    电信

ADV3222
800 MHz、4:1模拟多路复用器
ADV3221-3222-fbl
添加至 myAnalog

将产品添加到myAnalog 的现有项目或新项目中(接收通知)。

创建新项目
提问

参考资料

了解更多
添加至 myAnalog

Add media to the Resources section of myAnalog, to an existing project or to a new project.

创建新项目

软件资源

找不到您所需的软件或驱动?

申请驱动/软件

评估套件

eval board
EVAL-ADV3222

ADV3222 评估板

特性和优点

  • ADV3221/ADV3222的全功能评估板
  • 提供50 Ω和75 Ω端接的单电路板
  • 工作电压:±5 V

产品详情

ADV3221和ADV3222是高速、高压摆率、缓冲4:1模拟多路复用器。 其−3 dB信号带宽大于800 MHz,通道切换的1%建立时间少于20 ns。 两款器件的串扰性能均低于-58 dB,隔离性能为-67 dB (100 MHz),因而适合许多高速应用。 驱动75 Ω后部端接负载时,差分增益误差低于0.02%,差分相位误差小于0.02°,0.1 dB增益平坦度超过100 MHz,使ADV3221和ADV3222成为各类信号开关的理想选择。


ADV3221/ADV3222含有一个输出缓冲,可将其置于高阻抗状态,以将多个输出相互连接起来,实现级联信号级,而无需关断通道为输出总线提供负载。ADV3221的增益为+1,ADV3222的增益为+2;两款器件均采用±5 V电源供电,仅消耗不到7.5 mA的空闲电流。 通道切换通过锁存控制线执行,因而可以在具有多个ADV3221/ADV3222器件的环境中实现同步更新。 ADV3221/ADV3222采用16引脚SOIC封装,工作温度范围为-40°C至+85°C扩展工业温度范围。


本用户指南提供配合ADV3221-EVALZ/ADV3222-EVALZ评估板使用的所有支持文档。 ADV3221/ADV3222数据手册提供更多信息,使用评估板时应同时参考用户指南与数据手册。


EVAL-ADV3222
ADV3222 评估板
ADV3221-EVALZ_ADV3222-EVALZ

最新评论

需要发起讨论吗? 没有关于 ADV3222的相关讨论?是否需要发起讨论?

在EngineerZone®上发起讨论

近期浏览