ADM8832

过期

彩色TFT面板电荷泵调节器

Viewing:

概述

  • 3个输出电压(+5.1 V、+15.3 V、-10.2 V),3 V单输入电源
  • 功效比针对手机TFT面板而优化
  • 低关断电流(<1 µA)
  • 低静态电流
  • 快速瞬态响应
  • 关断功能
  • 消隐周期节能
  • 可选择使用外部LDO

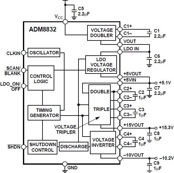
ADM8832是一款电荷泵调节器,适用于彩色薄膜晶体管(TFT)液晶显示器(LCD)。 该器件采用电荷泵技术制成,可利用3 V单输入电源产生三个输出电压(+5.1 V±2%、+15.3 V、–10.2 V)。 这些输出则为LCD控制器(+5.1 V)提供电源并为面板中的晶体管(+15.3 V和–10.2 V)提供栅极驱动电源。 电荷泵只需要几个外部电容。 其高效的低压差电压调节器也可确保高功效比,并提供5.1 V低纹波输出。 可以关断该LDO,利用外部LDO来调节5 V倍频器输出,并把输入驱动至电荷泵部分,电荷泵则可根据用户需要产生+15.3 V和–10.2 V输出。

ADM8832内置一个在扫描模式下使用的100 kHz振荡器,但在消隐(低电流)模式下,该器件必须通过外部时钟源提供时钟信号。 这个内置振荡器用于在扫描模式下为电荷泵提供时钟信号,电流在此模式下最高。 消隐期间,ADM8832切换至外部低频时钟。 如此一来,用户即可在消隐期间改变频率并较大限度地提高功效比。 在从扫描模式切换至消隐模式时,输出电压容差保持良好,反之亦然。

ADM8832拥有多种节能功能,包括低功耗关断以及上面提到的消隐期间降低静态电流消耗。 由于5.1 V输出需消耗大部分功率,因此利用一种振荡器使能方案(Green Idle™)来使该输出的功效比达到较大。 该方案实际上是对通过的负载电流进行检测,仅当需要向5 V泵倍频器输出传送电荷时才打开电荷泵。

ADM8832以CMOS技术制成,功耗极低, 采用20引脚LFCSP封装。

应用

  • 手持式仪器仪表
  • TFT LCD面板
  • 蜂窝电话

ADM8832
彩色TFT面板电荷泵调节器
ADM8832-fbl ADM8832 Pin Configuration
添加至 myAnalog

将产品添加到myAnalog 的现有项目或新项目中(接收通知)。

创建新项目
提问

参考资料

了解更多
添加至 myAnalog

Add media to the Resources section of myAnalog, to an existing project or to a new project.

创建新项目

软件资源

找不到您所需的软件或驱动?

申请驱动/软件

评估套件

EVAL-ADM8832

ADM8832 评估工具

特性和优点

  • Provides 3 output voltages (5.1 V,15.3 V, −10.2 V) from one 3 V input supply
  • Power efficiency optimized for use with TFT in mobile phones
  • On-board socket for evaluation of multiple ICs
  • Shutdown line
  • Options to use external LDO

产品详情

利用ADM8832评估板可以轻松快捷地评估TFT彩色面板电荷泵调节器ADM8832。所有输入和输出功能都可以通过该评估板执行,无需任何外部元件。

EVAL-ADM8832
ADM8832 评估工具

最新评论

需要发起讨论吗? 没有关于 ADM8832的相关讨论?是否需要发起讨论?

在EngineerZone®上发起讨论

近期浏览