ADH-APH634S

推荐用于新设计

81 GHz to 86 GHz, Medium Power Amplifier

产品技术资料帮助

ADI公司所提供的资料均视为准确、可靠。但本公司不为用户在应用过程中侵犯任何专利权或第三方权利承担任何责任。技术指标的修改不再另行通知。本公司既没有含蓄的允许,也不允许借用ADI公司的专利或专利权的名义。本文出现的商标和注册商标所有权分别属于相应的公司。

Viewing:

概述

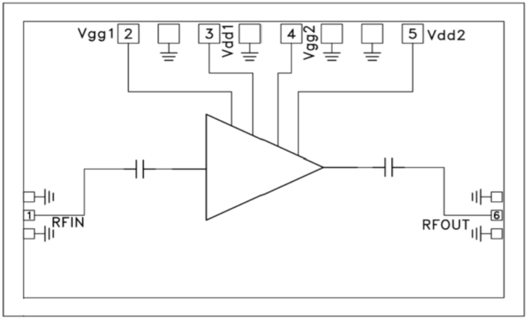
  • Gain: 12 dB
  • Output P1dB: +19 dBm
  • Bias Supply: +4V
  • 50 Ohm Matched Input/Output
  • Die Size: 2.57 mm x 1.70 mm x 0.05 mm
  • Screened in accordance with MIL-PRF-38534, Class K

The ADH-APH634S is a two stage GaAs HEMT MMIC Medium Power Amplifier which operates between 81 GHz and 86 GHz. The ADH-APH634S provides 12 dB of gain, and +19 dBm Output P1dB from a +4V supply. All bond pads and the die backside are Ti/Au metallized. The ADH-APH634S GaAs HEMT MMIC Medium Power Amplifier is compatible with conventional die attach methods, as well as thermocompression and thermosonic wire bonding, making it ideal for MCM and hybrid microcircuit applications.

Applications

  • Short Haul / High-Capacity Links
  • Test & Measurement
  • E-Band Communication Systems
  • Military & Space

ADH-APH634S
81 GHz to 86 GHz, Medium Power Amplifier
HMC8243 SID
添加至 myAnalog

将产品添加到myAnalog 的现有项目或新项目中(接收通知)。

创建新项目
提问

参考资料

了解更多
添加至 myAnalog

Add media to the Resources section of myAnalog, to an existing project or to a new project.

创建新项目

软件资源

找不到您所需的软件或驱动?

申请驱动/软件

最新评论

需要发起讨论吗? 没有关于 ADH-APH634S的相关讨论?是否需要发起讨论?

在EngineerZone®上发起讨论

近期浏览