AD8174

量产

四通道、缓冲式、250 MHz、10 ns开关多路复用器,内置放大器

产品技术资料帮助

ADI公司所提供的资料均视为准确、可靠。但本公司不为用户在应用过程中侵犯任何专利权或第三方权利承担任何责任。技术指标的修改不再另行通知。本公司既没有含蓄的允许,也不允许借用ADI公司的专利或专利权的名义。本文出现的商标和注册商标所有权分别属于相应的公司。

Viewing:

概述

  • 完全缓冲的输入和输出
  • 快速通道切换:10 ns
  • 内部电流反馈型输出放大器
    高输出驱动:50 mA
    通过外部电阻灵活设置增益
  • 高速
    带宽:250 MHz (G = +2)
    压摆率:1000 V/µs
    0.1%快速建立时间:15 ns
  • 低功耗:<10 mA
  • 出色的视频特性
    (RL = 150 O, G = +2)
    0.1 dB增益平坦度:80 MHz以上
    差分增益误差:0.02%
    差分相位误差:0.05°
  • 低串扰:-78 dB (5 MHz)
  • 高禁用隔离:-88 dB (5 MHz)
  • 高关断隔离:-92 dB (5 MHz)
  • 低成本

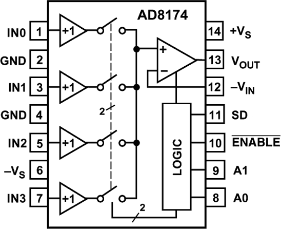
AD8170 (2:1)和AD8174 (4:1)均为超高速缓冲式多路复用器,内置电流反馈型输出放大器,其增益可以通过外部电阻编程设置,并且能够提供50 mA输出电流。-3 dB信号带宽为250 MHz,压摆率大于1000 V/µs。此外,AD8170和AD8174具有出色的视频特性,差分增益和差分相位误差分别低至0.02%和0.05°,0.1 dB平坦度达85 MHz。串扰低至70 dB,隔离性能优于82 dB,因而适合许多高速应用。两款器件均为低功耗器件;采用±5 V电源供电时,功耗仅为9.7 mA。

AD8174具有高速禁用特性,允许输出置于高阻抗状态,可以级联信号级,因此关断通道不会向输出总线提供负载。此外,它在不用时可以关断(SD),从而使功耗降至低点(IS = 1.5 mA)。这些产品提供8引脚、14引脚PDIP和SOIC封装。

本产品可提供评估板,订购型号为:AD8170-EB和AD8174-EB。评估板的原理图和布局参见产品数据手册。

AD8174
四通道、缓冲式、250 MHz、10 ns开关多路复用器,内置放大器
AD8174-fbl
添加至 myAnalog

将产品添加到myAnalog 的现有项目或新项目中(接收通知)。

创建新项目
提问

参考资料

了解更多
添加至 myAnalog

Add media to the Resources section of myAnalog, to an existing project or to a new project.

创建新项目

软件资源

找不到您所需的软件或驱动?

申请驱动/软件

评估套件

EVAL-AD8174

AD8174 评估板

特性和优点

  • AD8174的全功能评估板
  • 工作电压:±5 V

产品详情

AD8174是一款高速缓冲多路复用器,内置电流反馈型输出放大器,其增益可通过外部电阻进行编程设置,并且能够提供50 mA的输出电流。该器件在250 MHz时提供−3 dB信号带宽,压摆率大于1000 V/μs。它具有出色的视频特性,差分增益和差分相位误差分别低至0.02%和0.05°,0.1 dB平坦度达到85 MHz。该器件串扰低至-78 dB (5 MHz),隔离性能优于-88 dB (5 MHz),因而适合许多高速应用。它还是一款低功耗器件,采用±5 V电源供电时,功耗仅为9.7 mA。


AD8174具有高速禁用特性,允许用户将输出置于高阻抗状态来级联各信号级,使得关断通道不会向输出总线提供负载。此外,它在不用时可以关断,从而使功耗降至较低(IS = 1.5 mA)。AD8174提供14引脚PDIP和14引脚SOIC两种封装。


有关器件的完整详情可参考AD8174数据手册,使用AD8174-EB时应同时参阅该数据手册。

EVAL-AD8174
AD8174 评估板

最新评论

需要发起讨论吗? 没有关于 AD8174的相关讨论?是否需要发起讨论?

在EngineerZone®上发起讨论

近期浏览