HMC6001

过期

HMC6001: 毫米波接收机IC,57 GHz至64 GHz
HMC6001LP711E: 60 GHz Rx,集成天线

Viewing:

概述

  • 支持IEEE通道规划
  • 接收机增益: 2 dB至67 dB
  • 噪声系数
    HMC6001: 6.0 dB
    HMC6001LP711E: 7.0 dB
  • 集成镜像抑制滤波器
  • 集成式频率合成器
  • 可编程中频(IF)和基带增益模块
  • 通用模拟I/Q基带接口
  • 集成式AM和FM解调器
  • 三线式串行数字接口
  • 裸片尺寸: 3.452 mm × 1.852 mm (HMC6001)
  • 集成小尺寸天线: 7.5 dBi (HMC6001LP711E)
  • 60引脚7 mm × 11 mm表贴技术(SMT)封装: 77 mm2 (HMC6001LP711E)


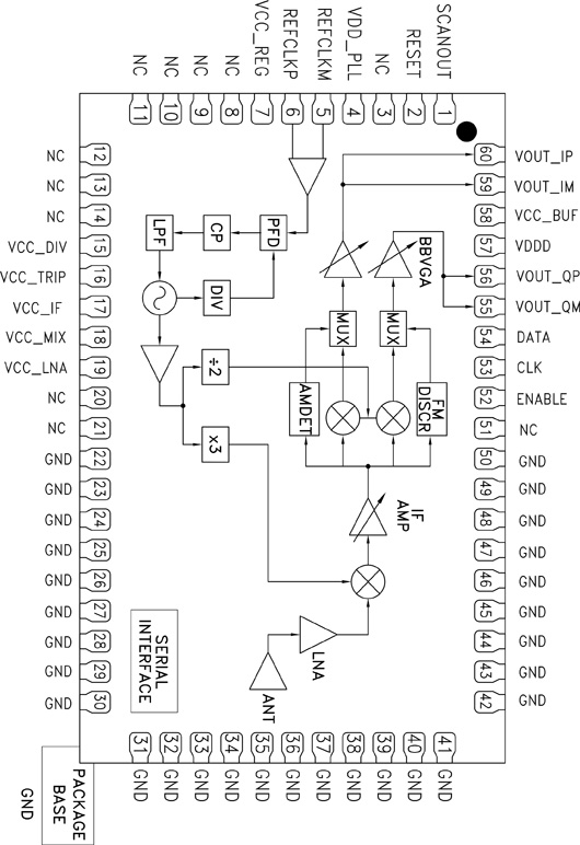
HMC6001器件属于完整的毫米波发射机,提供超外差式芯片(HMC6001)和IC产品,其塑料表贴封装内集成小尺寸天线(HMC6001LP711E)。 该接收机集成低噪声放大器(LNA)、镜像抑制滤波器、射频(RF)转中频下变频器、中频滤波器、I/Q下变频器和频率合成器。 接收机工作频率范围为57 GHz至64 GHz,调制带宽为1.8 GHz(HMC6001为双边调制)。 集成式频率合成器提供500 MHz或540 MHz步长调谐,具体取决于所选外部基准时钟。 器件通过通用模拟基带I/Q接口支持多种调制格式。 接收机芯片(HMC6001)支持全部单载波WiGig调制,也可支持针对较低成本和较低功率串行数据链路的专用FSK/MSK调制格式,且无需使用高速数据转换器。 HMC6001的LNA和可调增益中频级具有6 dB噪声系数典型值,支持AGC。 除了HMC6000器件,还提供完整的发射/接收芯片组,以便支持免执照60 GHz ISM频段内的Gbps级工作速率。

应用

  • 无线吉比特联盟(WiGig)单载波调制
  • 60 GHz工业、科学和医疗(ISM)频带数据发射机
  • Gbps级数据通信
  • 高清视频传输
  • 射频识别(RFID)

HMC6001
HMC6001: 毫米波接收机IC,57 GHz至64 GHz
HMC6001LP711E: 60 GHz Rx,集成天线
hmc6001_fbl hmc6001lp711e_fbl
添加至 myAnalog

将产品添加到myAnalog 的现有项目或新项目中(接收通知)。

创建新项目
提问

参考资料

了解更多
添加至 myAnalog

Add media to the Resources section of myAnalog, to an existing project or to a new project.

创建新项目

软件资源

找不到您所需的软件或驱动?

申请驱动/软件

最新评论

近期浏览