Overview
Design Resources
Design & Integration File
- Schematic
- Bill of Materials
- Gerber Files
- PADS Files
- Assembly Drawing
Evaluation Hardware
Part Numbers with "Z" indicate RoHS Compliance. Boards checked are needed to evaluate this circuit.
- EVAL-CN0229-SDPZ ($101.65) 4-Channel, Flexible, Configurable, Voltage, and Current Output Circuit for I/O Card and PLC Applications
- EVAL-SDP-CB1Z ($134.00) Eval Control Board
Device Drivers
Software such as C code and/or FPGA code, used to communicate with component's digital interface.
AD5686 GitHub Linux Driver Source Code (SPI)
AD5686 GitHub Linux Driver Source Code (SPI)
Features & Benefits
- Quad channel Current and Voltage Outputs
- 16-bit Resolution for PLC Systems
- Digitally Isolated from Application
Product Categories
Markets and Technologies
Parts Used
Documentation & Resources
-
CN0229 Software User Guide10/18/2018WIKI
-
The Data Conversion Handbook, 20051/2/2005
-
MT-101: Decoupling Techniques2/14/2015PDF954 kB
-
MT-031: Grounding Data Converters and Solving the Mystery of "AGND" and "DGND"3/20/2009PDF144 kB
Circuit Function & Benefits
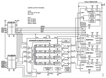
The circuit shown in Figure 1 is a multichannel, flexible, analog output solution with only two analog components and meets most requirements for multichannel I/O cards, programmable logic controllers (PLCs), and distributed control systems (DCSs) applications. The AD5686R quad, 16-bit nanoDAC+ with rail-to-rail buffered outputs combined with four of the AD5750-2 industrial current/voltage output drivers provide all the typical output current and voltage ranges with 16-bit resolution, no missing codes, 0.05% linearity, and less than 0.1% output error.
An ultralow drift (2 ppm/°C typical), 2.5 V voltage reference with high drive capability (up to ±5 mA) is integrated in the AD5686R and provides the reference voltage for both the AD5686R and the AD5750-2. This guarantees low noise, high accuracy, and low temperature drift for the circuit.
The ADuM1301 and ADuM5400 provide 2500 V rms isolation both on power, and all the necessary signals between the analog signal chain and the host controller.
For multichannel I/O card applications that need more than 4 channels, several AD5686Rs can be connected in a daisy chain, and no additional external digital I/O circuits are required. This minimizes the cost, especially for high channel count isolated applications.
The circuit also contains key features for industrial applications, such as on-chip output fault detection, packet error checking (PEC) by the CRC, flexible power-up options, and ESD protection (4 kV for the AD5686R, human body model and 3 kV for the AD5750-2, human body model), making it an ideal choice for robust industrial control systems. No external precision resistors or calibration routines are needed to maintain consistent performance in mass production, thereby making it ideal for PLC or DCS modules.

Circuit Description
The AD5750/AD5750-1/AD5750-2 are single-channel, low cost, precision voltage/current output drivers developed to meet the requirements of industrial process control applications. The output voltage range can be programmed for the standard output ranges for PLC and DCS applications: 0 V to 5 V, 0 V to 10 V, −5 V to +5 V, and −10 V to +10 V. A 20% overrange setting is also provided for the standard ranges, giving the following options: 0 V to +6 V, 0 V to +12 V, −6 V to +6 V, and −12 V to +12 V.
The current output, which is provided on a separate pin, can be programmed for the ranges of +4 mA to +20 mA, 0 mA to +20 mA, −20 mA to +20 mA, 0 mA to +24 mA, and −24 mA to +24 mA. The unipolar ranges have a 2% overrange setting.
Because the AD5750/AD5750-1/AD5750-2 current outputs can either source or sink current, they can interface to a wide variety of sensors or actuators. The voltage and current output pins can be connected together to configure the system as a single-channel output if desired.
Generally, the current output circuit needs at least one precision resistor for current sensing. The current accuracy and temperature drift characteristic of the circuit depends partly on the resistor as well as the reference. The AD5750/AD5750-1/AD5750-2 integrates the high precision, low drift resistor and still allows the use of an external resistor, if desired. As a method of improving the stability of the output current over temperature, an external low drift resistor can be connected to the REXT1 and REXT2 pins of the AD5750/AD5750-1/AD5750-2, instead of the internal resistor. The external resistor is selected via the input shift register. If the external resistor option is not used, leave the REXT1 and REXT2 pins floating.
The AD5686R is a quad 16-bit nanoDAC+ with rail-to-rail voltage-buffered outputs integrated with an on-chip 2 ppm/°C typical (5 ppm/°C maximum), 2.5 V reference. The on-chip reference can drive the reference input of all four AD5750-2s, has a low output impedance of 0.05 Ω, and can source and sink up to 5 mA. The AD5686R incorporates a power-on reset circuit to ensure that the DAC output powers up to 0 V and remains there until a valid write command takes place.
The interface between the AD5686R DAC and the AD5750-2 driver is simple and requires no external voltage reference or precision resistors. The output voltage range of the AD5686R is 0 V to 2.5 V, which matches the input range of the AD5750-2. In addition, the reference output voltage of the AD5686R is 2.5 V, which precisely matches the reference input requirement of the AD5750-2.
The ADuM1301 is a triple-channel digital isolator. The ADuM5400 is a quad-channel digital isolator with an integrated, isolated, dc-to-dc converter. They are both based on iCoupler® technology and are used to provide isolation between the signal chain and the system microcontroller, with an isolation rating of 2.5 kV rms. The ADuM5400 provides an isolated 5 V power supply for the 5 V circuits in the secondary side.
Devices for PLC and DCS applications generally need ESD protection and overvoltage protection much higher than the formal recommend specifications. The AD5686R and the AD5750-2 have internal ESD protection diodes to each pin that can prevent damage from a 4 kV (AD5686R) and 3 kV (AD5750-2) transient (human body model). However, the industrial control environment can subject I/O circuits to much higher transients.
Use the external 54 V, 600 W transient voltage suppressors (TVSs) as the first stage of enhanced ESD protection. Place power Schottky diodes in series with a 1 kΩ, 0.5 W resistor on the VSENSE+ and VSENSE− pins of the AD5750-2, and place a 50 mA, 30 V polyswitch on the VOUT and IOUT pins. These protective circuits are included in the EVAL-CN0229-SDPZ circuit board to provide 50 V overvoltage protection and 50 mA overcurrent protection. The optional external protection circuits are not shown in the simplified schematic of Figure 1 but can be found in the detailed schematic (EVAL-CN0229-SDPZ-PADSSchematic pdf file) in the CN0229 Design Support package: https://www.analog.com/CN0229-DesignSupport.
Construct the circuit on a multilayer printed circuit board (PCB) board with a large area ground plane. Use proper layout, grounding, and decoupling techniques to achieve optimum system performance and low EMI (see Tutorial MT-031, Grounding Data Converters and Solving the Mystery of "AGND" and "DGND," and Tutorial MT-101, Decoupling Techniques).
Measurements
Integral nonlinearity (INL), differential nonlinearity (DNL), and output error are the most important specifications for PLC, DCS, and other process control systems. The AD5750-2 has highly flexible and configurable output ranges that can be tailored to meet the needs of the application. Measurements of INL, DNL, and output error for the circuit are shown in Figure 2, Figure 3, and Figure 4, respectively. This data was taken at 25°C in the voltage output mode. The AD5750-2 range was set for 0 V to 5 V. The test results for all the other ranges are listed in Table 1.



| Range | Current Sense Resistor | INL (LSB) | Linearity (%FSR) | Output Error (%FSR) |
| 0V to +5V | Don't Care | 1.3 | 0.002 | 0.01 |
| 0V to +10V | Don't Care | 1.1 | 0.002 | 0.02 |
| -5V to +5V | Don't Care | 1.4 | 0.002 | 0.02 |
| -10V to +10V | Don't Care | 1.2 | 0.002 | 0.02 |
| 0V to +6V | Don't Care | 1.9 | 0.003 | 0.02 |
| 0V to +12V | Don't Care | 1.4 | 0.002 | 0.05 |
| -6V to +6V | Don't Care | 1.3 | 0.002 | 0.03 |
| -12V to +12V | Don't Care | 1.7 | 0.003 | 0.05 |
| -2.5V to +2.5V | Don't Care | 1.3 | 0.002 | 0.03 |
| +4 mA to +20 mA | Internal | 5.3 | 0.008 | 0.07 |
| 0 mA to +20 mA | Internal | 4.2 | 0.006 | 0.06 |
| 0 mA to +24 mA | Internal | 2.9 | 0.004 | 0.05 |
| -20 mA to +20 mA | Internal | 5.4 | 0.008 | 0.02 |
| -24 mA to +24 mA | Internal | 3.9 | 0.006 | 0.02 |
| +4 mA to +20 mA | External | 2.0 | 0.003 | 0.04 |
| 0 mA to +20 mA | External | 1.7 | 0.003 | 0.04 |
| 0 mA to +24 mA | External | 1.6 | 0.002 | 0.04 |
| -20 mA to +20 mA | External | 3.7 | 0.006 | 0.03 |
| -24 mA to +24 mA | External | 4.4 | 0.007 | 0.03 |
| +3.92 mA to +20.4 mA | Internal | 1.7 | 0.014 | 0.11 |
| 0 mA to +20.4 mA | Internal | 2.9 | 0.006 | 1.86 |
| 0 mA to +24.5 mA | Internal | 2.5 | 0.005 | 0.30 |
The test results shown in Table 1 were made at 25°C for the first channel of the EVAL-CN0229-SDPZ board powered by an Agilent E3631A dc supply and measured with the Agilent 34401A digital multimeter.
Note that the output ranges 3.92 mA to 20.4 mA, 0 mA to 20.4 mA, and 0 mA to 24.5 mA are all designed to be trimmed by the customer to precisely match the 4 mA to 20 mA, 0 mA to 20 mA, and 0 mA to 24 mA ranges. The 1.86% FSR output error measurement in the 0 mA to 20.4 mA range includes the gain error, which is easily removed by customer calibration.
There is a lower dead band about 10 mV referenced to GND. All the linearity test results were calculated using a reduced code range of 256 to 65,535. For 3.92 mA to 20.4 mA, 0 mA to 20.4 mA, and 0 mA to 24.5 mA, the lower dead band is larger than other standard ranges, and the measured code range is from 1000 to 65,535.
Common Variations
The AD5685R (14 bits) and the AD5684R (12 bits) are pin-compatible with the AD5686R for applications not requiring 16-bit resolution.
For applications that require channel-to-channel isolation, single DACs, such as the AD5660 (16 bits), the AD5640 (14 bits), and the AD5620 (12 bits), are good choices.
For single-channel applications, see the CN-0202, CN-0203, and CN-0204 circuit notes for more details.
For multichannel applications, the AD5623R (12-bits), AD5643R (14-bits), and AD5663R (16-bits) are dual nanoDACs, and the AD5624R (12-bits), AD5644R (14-bits), and AD5664R (16-bits) are quad nanoDACs. The AD5628/AD5648/AD5668 are octal 12-/14-/16-bit SPI voltage output denseDACs with 5 ppm/°C on-chip references.
The AD5750 and AD5750-1 drivers are pin-compatible with the AD5750-2. The AD5750 can accept 0 V to 4.096 V input with a 4.096 V reference. The AD5750-1 can accept a 0 V to 2.5 V input with a 1.25 V reference. The AD5751 is a unipolar analog output driver and can supply a 40 V output using a 50 V AVDD supply.
Circuit Evaluation & Test
Equipment Needed (Equivalents Can Be Substituted)
- System Demonstration Platform (EVAL-SDP-CB1Z)
- CN-0229 Circuit Evaluation Board (EVAL-CN0229-SDPZ)
- CN-0229 Evaluation Software
- Agilent 34401A 6.5 Digital Multimeter
- Agilent E3631A 0 V to ~6 V/5 A ±25 V/1 A Triple Output DC Power Supply
- PC (Windows® 2000 or Windows XP) with USB interface
- National Instruments GPIB to USB-B interface and cable
Getting Started
Load the evaluation software by placing the CN-0229 evaluation software CD into the CD drive of the PC. Using My Computer, locate the drive that contains the evaluation software CD and open the Readme file. Follow the instructions contained in the Readme file for installing and using the evaluation software.
Functional Block Diagram
Figure 5 shows a functional block diagram of the test setup. The EVAL-CN0229-PADSSchematic pdf file contains the detailed circuit schematics for the CN-0229 evaluation board. This file is contained in the CN-0229 Design Support Package: https://www.analog.com/CN0229-DesignSupport.
Setup
Connect the 120-pin connector on the EVAL-CN0229-SDPZ circuit board to the CON A connector or the CON B connector on the EVAL-SDP-CB1Z (SDP) board. Use nylon hardware to firmly secure the two boards, using the holes provided at the ends of the 120-pin connectors. After successfully setting the dc output supply to +15 V, −15 V, and +6 V output, turn the power supply off.
With power to the supply off, connect a +15 V power supply to +15 V pin of CN1, a −15 V power supply to the −15 V pin of CN1, and GND to the GND pin of CN1. Connect +6 V to CN2 the same way. Turn on the power supply and then connect the USB cable with the SDP board to the USB port on the PC. Note: Do not connect the USB cable to the Mini-USB connector on the SDP board before turning on the dc power supply for the EVAL-CN0229-SDPZ.

| Jumper1 | Descriptions | Setting | Function |
| JP1_[CH] | VSENSE+ setting | Shorting | Shorts VSENSE+ with VOUT internally for Channel [CH]. |
| Opening | VSENSE+ has no connection with VOUT internally for Channel [CH]. | ||
| JP2_[CH] | VSENSE- setting | Shorting | Shorts VSENSE- with GND internally for Channel [CH]. |
| Opening | VSENSE- has no connection with GND internally for Channel [CH]. | ||
| JP3_[CH] | Shorts the VOUT and IOUT pins | Shorting | Shorts VOUT and IOUT together for Channel [CH]. |
| Opening | VOUT and IOUT have no connection internally for Channel [CH]. | ||
| JP4_[CH] | Sets the external compensation capacitor | Shorting | Adds an 1 nF compensation capacitor for Channel [CH]. |
| Opening | Removes an 1 nF compensation capacitor for Channel [CH]. | ||
| 1 Note: [CH] = 1,2,3, or 4 | |||
Test
After setting up the test equipment, connect the VOUT pin of CN3 or the IOUT pin of CN4 to the input of the Agilent 34401A. Ensure that the cable connection on the front panel of Agilent 34401A is correct, depending on the different input signal type (current or voltage). Testing the INL, DNL, and output error takes a considerable amount of time because all the AD5686R 16-bit DAC levels must be set and measured by the Agilent 34401A.
The software provided on the CD allows the DAC codes to be set by the PC. An automatic test program is necessary to step through the codes and analyze the data. This is not provided on the CD but must be implemented by the customer to correspond to the requirements of the particular multimeter used in the test setup.
In the test configuration shown in Figure 5, the GPIB output of the Agilent 34401A multimeter interfaces to a second USB port on the PC using the National Instruments GPIB to USB-B interface and cable. This allows the multimeter readings corresponding to each code to be loaded into an Excel spreadsheet in the PC. The data is then be analyzed for INL, DNL, and output error using industry-standard definitions.
For more details on the definitions and how to calculate the INL, DNL, and output error from the measured data, see the Terminology section of the AD5686R data sheet and the Data Conversion Handbook, "Testing Data Converters," Chapter 5, Analog Devices.

