概要
設計リソース
設計/統合ファイル
- Schematic
- Bill of Materials
- Gerber Files
- Layout Files
- Assembly Drawings
- Allegro Board File
評価用ボード
型番に"Z"が付いているものは、RoHS対応製品です。 本回路の評価には以下の評価用ボードが必要です。
- EVAL-ADICUP3029 ($60.92) Ultralow Power Arduino Form Factor Compatible Development Platform
- EVAL-CN0531-PMDZ ($201.68) 20-bit Digital to Analog Converter System
デバイス・ドライバ
コンポーネントのデジタル・インターフェースとを介して通信するために使用されるCコードやFPGAコードなどのソフトウェアです。
AD576x, AD578x, AD579x GitHub no-OS Driver Source Code
AD5760, AD578x, AD579x IIO DAC GitHub Linux Driver Source Code
機能と利点
- 出力範囲:+/-5V
- 20ビットの信号生成制御
- オンボードの高精度5Vリファレンス
- 3.3V単電源を使用して全ての電源レールを生成
マーケット & テクノロジー
使用されている製品
参考資料
-
CN0531 User Guide2021/03/05WIKI
-
ラピッド・プロトタイピングを実現するためのソリューション2024/04/15PDF4 M
-
CN0531: プログラマブルな、20 ビット、リニア、高精度、バイポーラ±5V DC 電圧源2021/03/05PDF277 K
-
Precision Narrow Bandwidth Signal Chain Solutions2025/09/05 -
高精度、狭帯域幅のシグナル・チェーン向けソリューション2025/09/05 -
ADI's CN0531: Programmable 20-Bit Precision DC Voltage Source2025/09/05 -
CN0531:20ビットの分解能でプログラム可能な高精度のDC電圧源2024/12/12
回路機能とその特長
高精度DC電圧は、科学計測器および測定機器、ATE(自動試験装置)、ファクトリ・オートメーションおよびコントロール、化学分析、およびその他多くの高精度アプリケーションにおいて、重要な構成要素です。最も条件の厳しいアプリケーションでは、1桁の ppm(百万分率)の温度ドリフト性能、ppm未満の直線性能、および予測可能な低ノイズ性能が必要です。
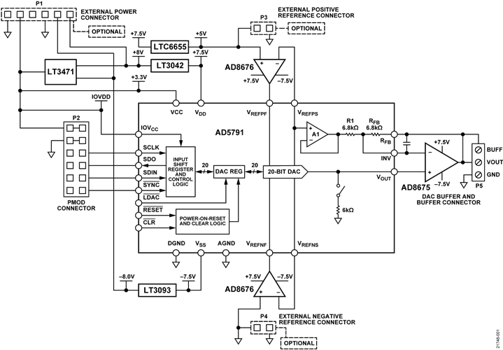
図 1 に示す回路は、こうした条件の厳しいアプリケーションを可能にする、プログラマブルな 20 ビット電圧源です。−5V~+5Vの出力範囲、±1LSBの積分非直線性(INL)、±1LSBの微分非直線性(DNL)、出力範囲全域にわたり極めて低いノイズとドリフト、という特長があります。
オンボードのパワー・コンバータが、開発プラットフォーム・ボードによって供給される単電圧源から必要な電源レールを生成します。低ノイズ、高電源電圧変動除去比(PSRR)の電圧レギュレータにより、スイッチング・ノイズは確実に抑えられます。高精度で安定性の高いオンボード・ハーメチック・シール電圧リファレンスが、この 20 ビット・システムの高い精度と確度を確保します。
回路の出力はバッファされた電圧で、リモート検出接続のオプションがあります。この接続によって、リード線の抵抗を補償すること、または、必要に応じて外付け電力段を挿入することができ、目的の最終アプリケーションに対する駆動柔軟性が提供されます。

回路説明
D/A 変換
図 1 に示す回路の中心となるのは、シリアル・ペリフェラル・インターフェース(SPI)を備えた 20 ビット D/A コンバータ(DAC)である、AD5791です。このデバイスは、±1LSBの INLと±1LSBの DNL、および 7.5nV/√Hzのノイズ・スペクトル密度を示します。また、AD5791 は、0.05ppm/ºC という極めて低い温度ドリフトを示します。AD5791は高精度のアーキテクチャを採用しているので、仕様規定された直線性を確保するために、電圧リファレンス入力のフォース・センス・バッファが必要です。
リファレンス入力をバッファするために選択されるアンプは低ノイズ、低温度ドリフト、低入力バイアス電流であることが必要です。この機能に対し推奨されるアンプは、超高精度、36V、2.8nV/√Hzのデュアル・オペアンプであるAD8676で、0.6µV/ºCの低オフセット・ドリフトと 2nA の入力バイアス電流を示します。また、AD5791は、このデュアル・オペアンプを用いてその電圧リファレンス入力をバッファした上で特性評価と工場出荷時のキャリブレーションが行われており、これらのデバイスの組合わせに対する信頼度が更に強化されています。
回路は、ソフトウェアによってバイポーラとユニポーラの 2 つのモードに構成できます。図 1 はバイポーラ構成を示すもので、AD8676 によってバッファされる単一 5V リファレンスを使用することで、出力電圧は−5V~+5V の範囲になっています。バイポーラ・モードの出力電圧を決定するには、次式を用います。

ここで、
VOUTは出力電圧、
VREFはリファレンス電圧(CN-0531 では 5V)、
Code は DAC にプログラムされた 20 ビット・コードです。
ユニポーラ・モードに構成される場合、R1 は RFB と並列に内部接続され、出力範囲は0V~5Vとなります(図1を参照)。ユニポーラ・モードの出力電圧を決定するには、次式を用います。

電圧リファレンス
プログラマブル電圧源の性能は、その電圧リファレンスによって決まり、それによって電圧源の出力範囲が決まります。AD5791のゲイン・ドリフトは0.05ppm/ºCと極めて小さいため、ほとんどのアプリケーションにおいて電圧リファレンスがゲインの精度およびドリフトの制限要因となります。
CN0531では、LTC6655BHLS8-5が高い安定性と精度を持つ5.0Vリファレンスとして用いられています。このリファレンスは、初期精度が 0.025%、最大温度ドリフトが 2ppm/ºC、ノイズが0.25ppm(0.1Hz~10Hz)という性能を備えています。ハーメチック・パッケージにより湿度の影響を受けることがなく、30ppm という優れた熱ヒステリシスを示します。
長期ドリフトは極めて小さく、20ppm/√kHr(代表値)です。長期ドリフトは、加速高温試験から外挿することはできません。これは、大幅に楽観的なドリフト数値を引き出す不適切な手法です。長期ドリフトを判定する唯一の方法は、目的の時間間隔でドリフトを測定することです。LTC6555 は、動作が数千時間にわたる長時間の特性評価を行っています。これらの方法の詳細については、LTC6655 のデータシートおよびデザイン・ノート 229 を参照してください。
LTC6655 の性能レベルに匹敵するのは、ヒータ、クローズドループ温度制御、絶縁パッケージを備えた特殊で高価な電圧リファレンスのみです。そのため、このデバイスは、CN-0531 にとって、性能、消費電力、コストが最適に組み合わせられたものとなっています。
出力バッファ段
AD5791 は、電圧出力のセグメント化 R-2R DAC アーキテクチャを採用しており、それによって優れたフルスケールおよびゼロスケール誤差と、最大 1LSB の INL および DNL を本質的に備えています。出力は、3.4kΩ という一定の抵抗値を持つ非バッファで、ほとんどのアプリケーションで追加のシグナル・コンディショニングを必要としますが、AD5791 の DC 精度とノイズ仕様を完全に保持します。
AD8675 は、オフセット 10μV(代表値)、最大ドリフト0.6μV/ºC、最大バイアス電流 2nA の最適なアンプです。
デフォルトでは、AD5791 の RFBの経路はバッファの出力に接続されています。より高い駆動能力やリモート検出が必要なアプリケーションでは、このオンボード接続をオープンにし、例えば電力バッファ段の出力にリモートでフィードバック接続することも可能です。
パワー・ツリー
図 2 に示す CN-0531 のパワー・ツリーは、LT3471 昇圧/反転コンバータと、その後段の LT3042(正側)および LT3093(負側)超低ノイズ超高 PSRR リニア電圧レギュレータで構成されています。
LT3471 により、回路は開発プラットフォーム・ボードが提供する 3.3V または 5V 単電源で動作できます。出力電圧は±8V に設定され、これはその後 LT3042 および LT3093 によって±7.5V に調整されます。LT3471 の 1.2MHz のスイッチング周波数に対し、LT3042 は 80dB、LT3093 は 75dB の優れた PSRR を示します。それにより、DAC 出力でのスイッチング・フィードスルーは最小限に抑えられます。

図 2. 簡略化したパワー・ブロック図
CN-0531 の直線性測定
図 3 に示す次のデータは、バイポーラ・モードに構成された図 1の回路の精度性能を、6½桁の Truevolt デジタル・マルチメータ(DMM)を使用して示したものです。図 3 では、CN-0531 のINL が DAC コードの関数として示されています。結果は、AD5791のデータシート仕様値である±1LSBの範囲内になっています。

ノイズの計算と測定
AD5791 の 7.5nV/√Hz という出力ノイズ・スペクトル密度は、完全に 3.4kΩ のソース・インピーダンスによるものです。AD8676の出力バッファの電圧ノイズ密度は2.8nV/√Hz、電流ノイズ密度は 0.3pA/√Hz で、AD5791 の出力抵抗を考慮すれば無視できる 1nV/√Hz を生成します。したがって、DAC と出力アンプの合計ノイズは、

この値は、出力が 0Vに設定されている場合に予想されるノイズです。DAC 出力が増加すると、ノイズは LTC6655BHLS8-5 リファレンスによって支配されます。図 4 は、出力電圧が 5.0V の場合の出力電力スペクトル密度を示したものです。

バリエーション回路
AD5791 は、0V~±10V の幅広い出力範囲に対応できます。図 1の構成を使用すると、対称または非対称な範囲を必要に応じて生成できます。ユニティ・ゲインの動作モードでは、AD5791 の内部コントロール・レジスタの RBUF ビットをロジック 1 に設定します。
AD5791 ではゲインが 2 の動作モードも可能で、これを使用すると、AD5791 のデータシートに記載されているように、単一の正電圧リファレンスから対称なバイポーラ出力範囲を発生でき、負電圧リファレンスを生成する必要がなくなります。ただし、このモードでは、フルスケール誤差とゼロスケール誤差は大きくなります。このモードを選択するには、AD5791の内部コントロール・レジスタの RBUF ビットをロジック 0 に設定します。
回路の評価とテスト
開始にあたって
CN-0531 リファレンス設計をテストするために必要な基本的な手順と装置は、以下のとおりです。このセットアップ手順の詳細については、CN0531 ユーザ・ガイドを参照してください。

図 5. EVAL-CN0531-PMDZ リファレンス設計ボードの写真
必要な装置
以下の装置類が必要になります。
- USB ポートを備えた PC
- シリアル端末プログラム(Tera Term、PuTTY、など)
- EVAL-CN0531-PMDZ リファレンス設計ボード
- EVAL-ADICUP3029 開発プラットフォーム・ボード
- ADuCM3029_demo_cn0531.hex ファイル
- microUSB - USB Type A ケーブル
- 6½桁以上の Truevolt DMM
機能ブロック図
CN-0531 のテスト・セットアップの機能ブロック図を図 6 に示します。

図 6. テスト・セットアップの機能ブロック図
テスト
この回路をテストするには以下の手順に従います。
- P8 コネクタを使って、EVAL-CN0531-PMDZ を EVAL-ADICUP3029 に接続します(図 7 を参照)。
- DMM を EVAL-CN0531-PMDZ に接続します。
- USB Type A コネクタを PC に差し込み、microUSB コネクタを EVAL-ADICUP3029 に差し込みます。
- aducm3029_CN0531_demo.hex ファームウェアを EVAL-ADICUP3029 のフラッシュ・メモリに書き込みます。
- EVAL-ADICUP3029 の 3029_Reset ボタンを押します。
- EVAL-ADICUP3029 を PC に接続するシリアル端末プログラムを開き、ヘルプ・コマンドを入力します。
- シリアル端末プログラムを使用して CN-0531 をユニポーラに構成し、出力電圧を 2.5V に設定します。シリアル端末プログラムの表示は図 8 のようになるはずです。
- シリアル端末プログラムに設定された出力電圧が、図 9 に示すように、DMM に表示される電圧と一致することを確認します。





