MAX7322

製造中

4個のプッシュプル出力および4個の入力付き、I²Cポートエキスパンダ

4個のプッシュプル出力および4個の入力ポート付き、低動作電源電圧I²Cポートエキスパンダ

利用上の注意

本データシートの英語以外の言語への翻訳はユーザの便宜のために提供されるものであり、リビジョンが古い場合があります。最新の内容については、必ず最新の英語版をご参照ください。

なお、日本語版のデータシートは基本的に「Rev.0」(リビジョン0)で作成されています。そのため、英語版が後に改訂され、複数製品のデータシートがひとつに統一された場合、同じ「Rev.0」の日本語版のデータシートが異なる製品のデータシートとして表示されることがあります。たとえば、「ADM3307E」の場合、日本語データシートをクリックすると「ADM3311E」が表示されます。これは、英語版のデータシートが複数の製品で共有できるように1本化され、「ADM3307E/ADM3310E/ADM3311E/ADM3312E/ADM3315E」(Rev.J)と改訂されたからで、決して誤ってリンクが張られているわけではありません。和文化されたデータシートを少しでも有効に活用していただくためにこのような方法をとっておりますので、ご了解ください。

アナログ・デバイセズ社は、提供する情報が正確で信頼できるものであることを期していますが、その情報の利用に関して、あるいはその利用によって生じる第三者の特許やその他の権利の侵害に関して一切の責任を負いません。また、アナログ・デバイセズ社の特許または特許の権利の使用を明示的または暗示的に許諾するものでもありません。仕様は予告なしに変更する場合があります。本紙記載の商標および登録商標は、各社の所有に属します。

Viewing:

製品情報

  • 400kHzのI²Cシリアルインタフェース
  • 動作電圧:+1.71V~+5.5V
  • 20mAのシンク電流定格の4個のプッシュプル出力ポート
  • マスク可能な遷移検出のラッチ付き4個の入力ポート
  • 入力ポートの過電圧保護は最大+6V
  • 過渡変化がラッチされるため、読取り動作間の検出が可能
  • アクティブローINT出力によって選択された入力の変化を警報
  • AD0およびAD2入力によって16個のスレーブアドレスを選択可能
  • 低スタンバイ電流:0.6µA (typ)
  • 動作温度範囲:-40℃~+125℃

2線式、シリアルインタフェースペリフェラルのMAX7322は、4個のプッシュプル出力と、内部プルアップを選択可能な4個の入力ポートを備えています。入力ポートは+6Vまで過電圧保護され、割込み出力付きの遷移検出を備えています。

4個の入力ポートが、状態変化があるかどうかを常時監視されます(遷移検出)。割込みがラッチされるため、過渡変化を検出することができます。入力の任意の組合せを割込みマスクを使って選択可能で、オープンドレイン型アクティブローINT出力がアサートされます。この後、MAX7322がシリアルインタフェースを通じてアクセスされると、いずれの保留中の割り込みもクリアされます。

4個のプッシュプル出力は20mAのシンク電流定格で、LEDを駆動可能です。

アクティブローRST入力によってシリアルインタフェースがクリアされ、MAX7322との間のすべてのI²C通信が終了します。

MAX7322では4レベルロジックを備えた2個のアドレス入力によって16個のI²Cスレーブアドレスを実現します。また、スレーブアドレスによって、4個の出力ポートの電源投入時のデフォルトのロジック状態が設定され、入力ポートの40kΩの内部プルアップがイネーブルまたはディセーブルされます。

MAX7322は、入力ポート、オープンドレイン型I/Oポート、およびプッシュプル出力ポートを選択可能なピンコンパチブルのポートエキスパンダファミリの1デバイスです(フルデータシートの「表1」参照)。

MAX7322は16ピンQSOPおよびTQFNパッケージで提供され、-40℃~+125℃の自動車用温度範囲での動作が保証されています。

アプリケーション

  • 携帯電話
  • ノートブック
  • SAN/NAS
  • 衛星無線
  • サーバ

MAX7322
4個のプッシュプル出力および4個の入力付き、I²Cポートエキスパンダ
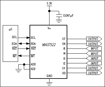
MAX7322:標準アプリケーション回路
myAnalogに追加

myAnalogの製品セクション(通知受け取り)、既存/新規プロジェクトに製品を追加する。

新規プロジェクトを作成
質問する
サポート

アナログ・デバイセズのサポート・ページはアナログ・デバイセズへのあらゆるご質問にお答えするワンストップ・ポータルです。


ドキュメント

さらに詳しく
myAnalogに追加

myAnalogのリソース・セクション、既存/新規プロジェクトにメディアを追加する。

新規プロジェクトを作成

ソフトウェア・リソース

デバイス・ドライバ 1


ハードウェア・エコシステム

製品モデル 製品ライフサイクル 詳細
I/Oエクスパンダ 9
MAX7327 製造中 12個のプッシュプル出力および4個のオープンドレインI/O付き、I²Cポートエキスパンダ
MAX7326 製造中 12個のプッシュプル出力および4個の入力付き、I²Cポートエキスパンダ
MAX7324 製造中 8つのプッシュプル出力および8つの入力付き、I²Cポートエキスパンダ
MAX7319 製造中 8入力およびマスク可能な遷移検出付き、I²Cポートエキスパンダ
MAX7320 製造中 8つのプッシュプル出力、I²Cポートエキスパンダ
MAX7321 製造中 8個のオープンドレインI/O付き、I2Cポートエキスパンダ
MAX7323 製造中 4つのプッシュプル出力および4つのオープンドレインI/O付き、I²Cポートエキスパンダ
MAX7328 製造中 8つのI/Oポート付き、I²Cポートエキスパンダ
MAX7329 製造中 8つのI/Oポート付き、I²Cポートエキスパンダ
Modal heading
myAnalogに追加

myAnalogの製品セクション(通知受け取り)、既存/新規プロジェクトに製品を追加する。

新規プロジェクトを作成

ツールおよびシミュレーション


評価用キット

MAX7322EVKIT

MAX7322の評価キット/評価システム

機能と利点

  • 400kHzのI²C/2線式シリアルインタフェース
  • 動作電圧:1.71V~5.5V
  • 20mAのシンク電流定格の4個のプッシュプル出力ポート
  • マスク可能な遷移検出のラッチ付き4個の入力ポート
  • 実証済みのPCBレイアウト
  • Windows 98SE/2000/XP対応評価ソフトウェア
  • 完全実装および試験済み
  • EVシステム:USBによるPCとの接続

製品詳細

MAX7322の評価キット(EVキット)は、4個のプッシュプル出力および4個の入力付きI²CポートエキスパンダのMAX7322の機能を検証する完全実装および試験済みPCBです。また、MAX7322のEVキットは、MAX7322の機能を実行するための簡易なグラフィカルユーザインタフェース(GUI)を備えるWindows® 98SE/2000/XP対応ソフトウェアも同梱しています。

MAX7322の評価システム(EVシステム)は、MAX7322のEVキットとマキシムCMAXQUSBシリアルインタフェースボードから構成されています。

CMAXQUSBボードはPCのUSBポートに接続され、I²CコマンドをMAX7322のEVキットに転送することができます。

このEVキットには、MAX7322ATE+が実装されています。また、MAX7322のEVキットを使って、MAX7319/MAX7320/MAX7321/MAX7323も評価することができます。評価用のピンコンパチブルのMAX7319ATE+、MAX7320ATE+、MAX7321ATE+、またはMAX7323ATE+の無料サンプルについてはお問い合わせください。

アプリケーション

  • 車載用
  • 携帯電話
  • ノートブック
  • SAN/NAS
  • 衛星無線
  • サーバ

MAX7322EVCMAXQU

MAX7322の評価キット/評価システム

機能と利点

  • 400kHzのI²C/2線式シリアルインタフェース
  • 動作電圧:1.71V~5.5V
  • 20mAのシンク電流定格の4個のプッシュプル出力ポート
  • マスク可能な遷移検出のラッチ付き4個の入力ポート
  • 実証済みのPCBレイアウト
  • Windows 98SE/2000/XP対応評価ソフトウェア
  • 完全実装および試験済み
  • EVシステム:USBによるPCとの接続

製品詳細

MAX7322の評価キット(EVキット)は、4個のプッシュプル出力および4個の入力付きI²CポートエキスパンダのMAX7322の機能を検証する完全実装および試験済みPCBです。また、MAX7322のEVキットは、MAX7322の機能を実行するための簡易なグラフィカルユーザインタフェース(GUI)を備えるWindows® 98SE/2000/XP対応ソフトウェアも同梱しています。

MAX7322の評価システム(EVシステム)は、MAX7322のEVキットとマキシムCMAXQUSBシリアルインタフェースボードから構成されています。

CMAXQUSBボードはPCのUSBポートに接続され、I²CコマンドをMAX7322のEVキットに転送することができます。

このEVキットには、MAX7322ATE+が実装されています。また、MAX7322のEVキットを使って、MAX7319/MAX7320/MAX7321/MAX7323も評価することができます。評価用のピンコンパチブルのMAX7319ATE+、MAX7320ATE+、MAX7321ATE+、またはMAX7323ATE+の無料サンプルについてはお問い合わせください。

アプリケーション

  • 車載用
  • 携帯電話
  • ノートブック
  • SAN/NAS
  • 衛星無線
  • サーバ

MAX7322EVKIT
MAX7322の評価キット/評価システム
MAX7322EVCMAXQU
MAX7322の評価キット/評価システム

最新のディスカッション

MAX7322に関するディスカッションはまだありません。意見を投稿しますか?

EngineerZone®でディスカッションを始める

最近表示した製品