MAX14824

製造中

IO-Linkマスタートランシーバ

最大16チャネルまで容易に拡張可能、自動ウェイクアップ極性生成内蔵

利用上の注意

本データシートの英語以外の言語への翻訳はユーザの便宜のために提供されるものであり、リビジョンが古い場合があります。最新の内容については、必ず最新の英語版をご参照ください。

なお、日本語版のデータシートは基本的に「Rev.0」(リビジョン0)で作成されています。そのため、英語版が後に改訂され、複数製品のデータシートがひとつに統一された場合、同じ「Rev.0」の日本語版のデータシートが異なる製品のデータシートとして表示されることがあります。たとえば、「ADM3307E」の場合、日本語データシートをクリックすると「ADM3311E」が表示されます。これは、英語版のデータシートが複数の製品で共有できるように1本化され、「ADM3307E/ADM3310E/ADM3311E/ADM3312E/ADM3315E」(Rev.J)と改訂されたからで、決して誤ってリンクが張られているわけではありません。和文化されたデータシートを少しでも有効に活用していただくためにこのような方法をとっておりますので、ご了解ください。

アナログ・デバイセズ社は、提供する情報が正確で信頼できるものであることを期していますが、その情報の利用に関して、あるいはその利用によって生じる第三者の特許やその他の権利の侵害に関して一切の責任を負いません。また、アナログ・デバイセズ社の特許または特許の権利の使用を明示的または暗示的に許諾するものでもありません。仕様は予告なしに変更する場合があります。本紙記載の商標および登録商標は、各社の所有に属します。

Viewing:

製品情報

  • IO-Link v.1.0およびv.1.1 Physical Layer準拠
  • COM1、COM2、およびCOM3データレートをサポート
  • プッシュプル、ハイサイド、またはローサイド出力
  • C/Q出力駆動仕様:300mA
  • C/Q負荷駆動能力:1µF
  • 500mAウェイクアップパルスを生成
  • 自動ウェイクアップパルス極性
  • 補助デジタル入力
  • 5Vおよび3.3Vリニアレギュレータ
  • SPIインタフェースによる設定および監視
  • SPIベースのチップアドレス指定
  • スルー制御ドライバによるEMI放射制御
  • DIで逆極性保護
  • C/Qで短絡保護
  • 高温警告およびサーマルシャットダウン
  • 拡張フォルト監視およびレポート
  • lC動作温度範囲:-40℃~+105℃
  • TQFNパッケージ(4mm x 4mm)

MAX14824は、IO-Link®マスターインタフェースで、1つの補助デジタル入力および2つのリニアレギュレータを備えたIO-Link物理層トランシーバを内蔵しています。高ポート数IO-Linkマスターアプリケーションは、帯域内のSPIアドレス指定を通してサポートされ、12MHz SPIインタフェースはホストコントローラアクセス時間を最小限に抑えます。帯域内のアドレス指定と選択可能なSPIアドレスによって、最大16のデバイスのカスケード接続が可能です。
このデバイスは、すべてのIO-Linkデータレートをサポートしており、スルーレート制御ドライバを備え、EMIを低減します。このドライバは、最低300mAの負荷電流の駆動が保証されています。内部ウェイクアップ回路によって、適正なウェイクアップ極性が自動的に決定されるため、ウェイクアップパルス生成にシンプルなUARTの使用が可能です。
MAX14824は、エクスポーズドパッドを備えた24ピンTQFNパッケージ(4mm x 4mm)で提供され、-40℃~+105℃の拡張温度範囲での動作が保証されています。

アプリケーション

  • 24Vデジタル入出力
  • 高ポート数IO-Linkマスター
  • IO-Linkマスターコントローラ
  • PLCフィールドバスゲートウェイ

MAX14824
IO-Linkマスタートランシーバ
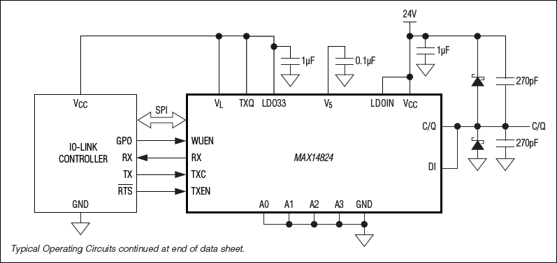
MAX14824:標準動作回路
myAnalogに追加

myAnalogの製品セクション(通知受け取り)、既存/新規プロジェクトに製品を追加する。

新規プロジェクトを作成
質問する
サポート

アナログ・デバイセズのサポート・ページはアナログ・デバイセズへのあらゆるご質問にお答えするワンストップ・ポータルです。


ドキュメント

データシート 1

信頼性データ 1

ユーザ・ガイド 1

さらに詳しく
myAnalogに追加

myAnalogのリソース・セクション、既存/新規プロジェクトにメディアを追加する。

新規プロジェクトを作成

評価用キット

MAX14824EVKIT

MAX14824の評価キット

機能と利点

  • IO-Link対応マスタートランシーバ
  • IOおよびSPIインタフェース端子
  • Windows XP、Windows Vista、およびWindows 7対応のソフトウェア
  • USB-PC接続(ケーブル同梱)
  • 実証済みPCBレイアウト
  • 完全実装および試験済み

製品詳細

MAX14824の評価キット(EVキット)は、MAX14824の評価ボードとソフトウェアで構成されます。このEVキットは、IO-Link®マスタートランシーバのMAX14824を評価する完全実装および試験済み回路基板です。

このEVキットは、Windows XP®、Windows Vista®、およびWindows® 7対応のソフトウェアを備えており、デバイスの各機能を実行するためのグラフィカルユーザインタフェース(GUI)を提供します。このEVキットは、USB A-BケーブルでPCに接続されます。

アプリケーション

  • 24Vデジタル入出力
  • 高ポート数IO-Linkマスター
  • IO-Linkマスターコントローラ
  • PLCフィールドバスゲートウェイ

MAX14824EVKIT
MAX14824の評価キット

リファレンス・デザイン

MAXREFDES79
MAXREFDES79 Circuits from the Lab®

4-Port IO-Link Master

機能と利点

  • Fully IO-Link version 1.1 compliant (downloadable test report)
  • TEConcept IO-Link master stack
  • Easy TEConcept TC tool
  • 4 IO-Link ports
  • Power and status LEDs
  • User-friendly enclosure
  • Ships with all cables needed
  • Field update programmable
MAXREFDES79
4-Port IO-Link Master
MAXREFDES79
MAXREFDES79 System Block Diagram

最新のディスカッション

最近表示した製品