LTM4619

新規設計に推奨

デュアル26V入力4A DC/DC μModuleレギュレータ

利用上の注意

本データシートの英語以外の言語への翻訳はユーザの便宜のために提供されるものであり、リビジョンが古い場合があります。最新の内容については、必ず最新の英語版をご参照ください。

なお、日本語版のデータシートは基本的に「Rev.0」(リビジョン0)で作成されています。そのため、英語版が後に改訂され、複数製品のデータシートがひとつに統一された場合、同じ「Rev.0」の日本語版のデータシートが異なる製品のデータシートとして表示されることがあります。たとえば、「ADM3307E」の場合、日本語データシートをクリックすると「ADM3311E」が表示されます。これは、英語版のデータシートが複数の製品で共有できるように1本化され、「ADM3307E/ADM3310E/ADM3311E/ADM3312E/ADM3315E」(Rev.J)と改訂されたからで、決して誤ってリンクが張られているわけではありません。和文化されたデータシートを少しでも有効に活用していただくためにこのような方法をとっておりますので、ご了解ください。

アナログ・デバイセズ社は、提供する情報が正確で信頼できるものであることを期していますが、その情報の利用に関して、あるいはその利用によって生じる第三者の特許やその他の権利の侵害に関して一切の責任を負いません。また、アナログ・デバイセズ社の特許または特許の権利の使用を明示的または暗示的に許諾するものでもありません。仕様は予告なしに変更する場合があります。本紙記載の商標および登録商標は、各社の所有に属します。

Viewing:

製品情報

  • 完全な独立型電源
  • 広い入力電圧範囲:4.5V~26.5V(VIN ≤ 5.5VではEXTVCCを使用可能)
  • 180°位相のずれたデュアル出力(各出力の標準出力電流:4A DC、ピーク出力電流:5A)
  • 出力電圧範囲が0.8V~5Vのデュアル出力
  • 出力電圧トラッキング
  • 全DC出力電圧誤差:最大±1.5%
  • 電流モード制御/高速トランジェント応答
  • パワーグッド
  • 位相同期可能な固定周波数(250kHz~780kHz)
  • 周波数同期回路搭載
  • 並列接続による電流分担
  • 選択可能なBurst Mode®動作
  • 出力過電圧保護
  • 15mm × 15mm × 2.82mmのLGAパッケージ

LTM4619は、デュアル4Aまたはシングル8Aの完全な降圧DC/DC μModule®(マイクロモジュール)レギュレータです。スイッチング・コントローラ、パワーFET、インダクタ、およびすべての支持部品がパッケージに搭載されています。LTM4619は、4.5V~26.5Vの入力電圧範囲で動作し、電圧範囲が0.8V~5Vの2つの出力をサポートしており、各出力電圧は1本の外付け抵抗で設定されます。高効率設計により、出力ごとに4Aの連続電流(5Aのピーク電流)を供給します。

高いスイッチング周波数と電流モード・アーキテクチャにより、安定性を損なうことなく入力および負荷の変動に対するきわめて高速なトランジェント応答が可能です。2つの出力は位相を180°ずらすことにより、リップル・ノイズを最小限に抑え、入力/出力のコンデンサを減らします。このデバイスは、周波数同期と、出力電圧トラッキングによる電源レールのシーケンシングをサポートしています。軽負荷時の動作では、Burst Mode動作またはパルス・スキップ・モードを選択できます。

フォルト保護機能には、過電圧保護、過電流保護、フォールドバック電流制限による短絡保護があります。

高さの低いパッケージ(2.82mm)なので、プリント回路基板裏面の未使用スペースを利用して、高密度のポイントオブロード・レギュレーションに使用できます。このパワー・モジュールは15mm × 15mm × 2.82mmのLGAパッケージで供給されます。LTM4619は無鉛仕上げでRoHSに準拠しています。


アプリケーション

  • 通信機器およびネットワーク機器
  • サーバ
  • ストレージ・カード
  • ATCAカード
  • 産業用機器
  • ポイントオブロード・レギュレーション

LTM4619
デュアル26V入力4A DC/DC μModuleレギュレータ
Dual 4A 3.3V/2.5V DC/DC μModule Regulator Efficiency and Power Loss at 12V input Product Package 1
myAnalogに追加

myAnalogの製品セクション(通知受け取り)、既存/新規プロジェクトに製品を追加する。

新規プロジェクトを作成
質問する
サポート

アナログ・デバイセズのサポート・ページはアナログ・デバイセズへのあらゆるご質問にお答えするワンストップ・ポータルです。


ドキュメント

データシート

これは最新改訂バージョンのデータシートです。

さらに詳しく
myAnalogに追加

myAnalogのリソース・セクション、既存/新規プロジェクトにメディアを追加する。

新規プロジェクトを作成

ソフトウェア・リソース

必要なソフトウェア/ドライバが見つかりませんか?

ドライバ/ソフトウェアをリクエスト

ハードウェア・エコシステム

製品モデル 製品ライフサイクル 詳細
パワー・システム・マネージメント(PSM) & シーケンサ 1
LTC2974 新規設計に推奨 正確な出力電流測定を特長とする4チャンネルPMBusパワーシステム・マネージャ
回路モニタ 1
LTC2960 新規設計に推奨 36Vナノ電流2入力電圧モニタ
発振器 2
LTC6908 スペクトル拡散変調付き抵抗設定SOT-23発振器
LTC6902 製造中 スペクトラム拡散周波数変調機能を搭載したマルチフェーズ発振器
保護スイッチ & コントローラ 1
LTC4364 新規設計に推奨 理想ダイオードを備えたサージ・ストッパー
Modal heading
myAnalogに追加

myAnalogの製品セクション(通知受け取り)、既存/新規プロジェクトに製品を追加する。

新規プロジェクトを作成

ツールおよびシミュレーション

LTspice 1


下記製品はLTspiceで使用することが出来ます。:

  • LTM4619
LTspice

LTspice®は、無料で提供される強力で高速な回路シミュレータと回路図入力、波形ビューワに改善を加え、アナログ回路のシミュレーションを容易にするためのモデルを搭載しています。

 


評価用キット

eval board
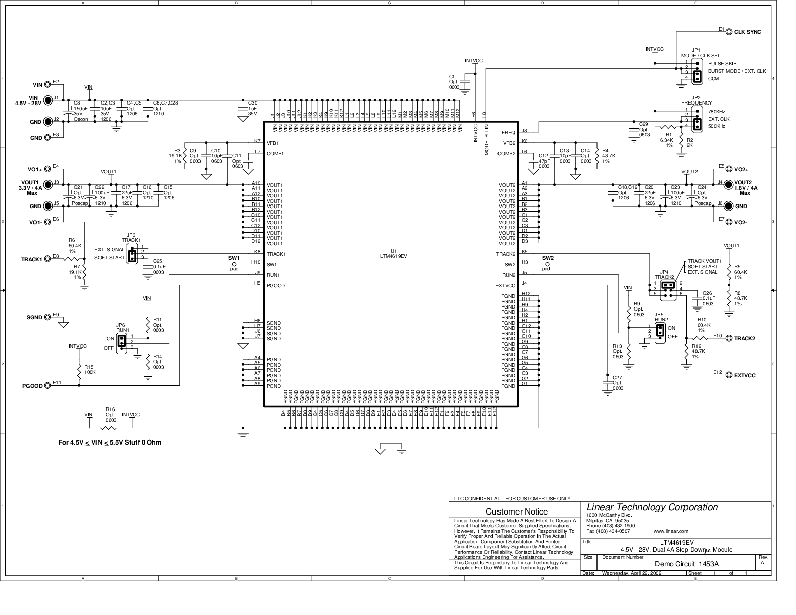
DC1453A

LTM4619EV Demo Board | µModule Regulator with Tracking, 4.5V ≤ VIN ≤ 28V, VOUT1 = 3.3V @ 4A, VOUT2 = 1.8V @ 4A

製品詳細

Demonstration circuit 1453A features the LTM4619EV, a 4.5V to 28V input, high efficiency, high density, dual 4A step-down power module with 1.8V and 3.3V output voltages. Derating is necessary for certain VIN, VOUT, and thermal conditions. The two outputs are interleaved with 180° phase to minimize the input ripple and reduce the input capacitors. A minimum design only requires the bulk input and output capacitors and voltage setting resistors. The LTM4619EV features output voltage tracking, power good indicator, RUN pin control, clock synchronization and soft-start programming. Protection features include foldback current limiting and overvoltage protection. Burst Mode® operation or pulse skipping mode can be selected for better light load efficiency.

DC1453A
LTM4619EV Demo Board | µModule Regulator with Tracking, 4.5V ≤ VIN ≤ 28V, VOUT1 = 3.3V @ 4A, VOUT2 = 1.8V @ 4A
DC1453A Demo Board DC1453A Demo Board DC1453A Demo Board DC1453A Demo Board DC1453A - Schematic

最新のディスカッション

最近表示した製品