LTC4085

製造中

理想ダイオード・コントローラならびにリチウムイオン・チャージャ付きUSBパワーマネージャ

利用上の注意

本データシートの英語以外の言語への翻訳はユーザの便宜のために提供されるものであり、リビジョンが古い場合があります。最新の内容については、必ず最新の英語版をご参照ください。

なお、日本語版のデータシートは基本的に「Rev.0」(リビジョン0)で作成されています。そのため、英語版が後に改訂され、複数製品のデータシートがひとつに統一された場合、同じ「Rev.0」の日本語版のデータシートが異なる製品のデータシートとして表示されることがあります。たとえば、「ADM3307E」の場合、日本語データシートをクリックすると「ADM3311E」が表示されます。これは、英語版のデータシートが複数の製品で共有できるように1本化され、「ADM3307E/ADM3310E/ADM3311E/ADM3312E/ADM3315E」(Rev.J)と改訂されたからで、決して誤ってリンクが張られているわけではありません。和文化されたデータシートを少しでも有効に活用していただくためにこのような方法をとっておりますので、ご了解ください。

アナログ・デバイセズ社は、提供する情報が正確で信頼できるものであることを期していますが、その情報の利用に関して、あるいはその利用によって生じる第三者の特許やその他の権利の侵害に関して一切の責任を負いません。また、アナログ・デバイセズ社の特許または特許の権利の使用を明示的または暗示的に許諾するものでもありません。仕様は予告なしに変更する場合があります。本紙記載の商標および登録商標は、各社の所有に属します。

Viewing:

製品情報

  • 入力電源間のシームレスな遷移:リチウムイオン・バッテリ、USB、5V ACアダプタ
  • 内蔵の215mΩ理想ダイオードとオプションの外付け理想ダイオード・コントローラにより、ACアダプタ/USB入力が接続されていない場合に低損失Power Pathを実現
  • 負荷に応じた充電により、高精度のUSB 入力電流コンプライアンスを保証
  • サーマル・フィードバック付きの定電流/定電圧動作により、過熱の恐れなしに最大充電レートを実現
  • 入力電流制限を100%または20%のいずれかに選択可能(たとえば、500mA/100mA)
  • 最大1.2Aまで独立してプログラム可能なバッテリ充電電流
  • 0.8%精度のプリセット4.2V充電電圧
  • C/10充電電流検出出力
  • NTCサーミスタ入力により、温度規定充電用が可能
  • 小型の(4mm×3mm×0.75mm)14ピンDFNパッケージ

LTC4085は、バッテリ駆動の携帯アプリケーション向けに設計されたUSBパワーマネージャおよびリチウムイオン・バッテリ・チャージャです。このデバイスは、USB周辺機器の動作ならびにバッテリ充電用に使用される総電流を制御します。総入力電流は、最大1.5Aの設定値の20%または100%(標準で100mAまたは500mA)に制限できます。バッテリ充電電流は、負荷電流と充電電流の合計が設定された入力電流制限値を超えないように、自動的に低減されます。

LTC4085は、1セル・リチウムイオン・バッテリ向けの完全な定電流/定電圧リニア・チャージャを内蔵しています。バッテリに印加されるフロート電圧は0.8%の高精度に維持され、充電電流はグランドへの外付け抵抗を使用して設定可能です。充電終了状態出力(CHRG)がフル充電を知らせます。総充電時間はグランドへの外付けコンデンサによって設定可能です。バッテリ電圧がフロート電圧を100mV下回ると、バッテリの自動再充電が行われます。また、充電中にバッテリ温度をモニタするために使用されるNTCサーミスタ入力も特長としています。

LTC4085は高さの低い4mm×3mmの14ピンDFNパッケージで供給されます。

Float Voltage (V) NTC Hot Threshold Undervoltage Current Limit
LTC4085 4.2V 29% Vvntc Yes
LTC4085-1 4.1V 32.6% Vvntc Yes
LTC4085-3 3.95V 32.6% Vvntc Yes
LTC4085-4 3.95V 32.6% Vvntc No

アプリケーション

  • 携帯USB機器:カメラ、MP3プレーヤ、PDA

LTC4085
理想ダイオード・コントローラならびにリチウムイオン・チャージャ付きUSBパワーマネージャ
Input and Battery Current vs Load Current  RPROG = 100k, RCLPROG = 2k Product Package 1
myAnalogに追加

myAnalogの製品セクション(通知受け取り)、既存/新規プロジェクトに製品を追加する。

新規プロジェクトを作成
質問する
サポート

アナログ・デバイセズのサポート・ページはアナログ・デバイセズへのあらゆるご質問にお答えするワンストップ・ポータルです。


ドキュメント

データシート

これは最新改訂バージョンのデータシートです。

さらに詳しく
myAnalogに追加

myAnalogのリソース・セクション、既存/新規プロジェクトにメディアを追加する。

新規プロジェクトを作成

ソフトウェア・リソース

必要なソフトウェア/ドライバが見つかりませんか?

ドライバ/ソフトウェアをリクエスト

ハードウェア・エコシステム

製品モデル 製品ライフサイクル 詳細
インターフェース・トランシーバ 1
LTM2884 製造中 絶縁電源を備えた絶縁型USBトランシーバ
保護スイッチ & コントローラ 1
LTC4361 新規設計に推奨 過電圧/過電流保護コントローラ
Modal heading
myAnalogに追加

myAnalogの製品セクション(通知受け取り)、既存/新規プロジェクトに製品を追加する。

新規プロジェクトを作成

ツールおよびシミュレーション

LTspice


下記製品はLTspiceで使用することが出来ます。:

  • LTC4085
  • LTC4085-1
  • LTC4085-3
  • LTC4085-4
LTspice

LTspice®は、無料で提供される強力で高速な回路シミュレータと回路図入力、波形ビューワに改善を加え、アナログ回路のシミュレーションを容易にするためのモデルを搭載しています。

 


評価用キット

eval board
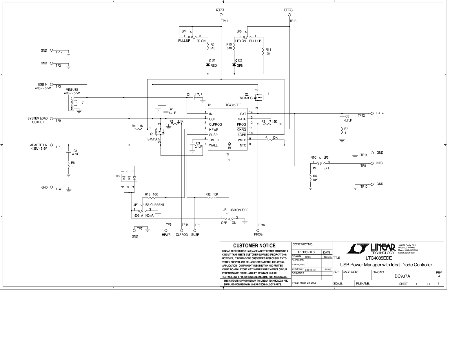
DC937A

LTC4085EDE Demo Board | 700mA CC/CV Li-Ion Linear Charger, VIN = 4.5V to 5.5V

製品詳細

Demonstration circuit DC937A is a complete power controller for a USB powered device. It is based on the LTC4085 and provides a constant-current, constant-voltage linear battery charger, a USB power manager with PowerPath management for the battery. The 700mA CC/CV timer terminated, temperature qualified, linear charger targets Li-Ion batteries, and the USB power manager insures compliance with the USB power specification and PowerPath management for the battery. The demo board's input voltage range is 4.5V to 5.5V.


 


DC937A
LTC4085EDE Demo Board | 700mA CC/CV Li-Ion Linear Charger, VIN = 4.5V to 5.5V
DC937A - Schematic

最新のディスカッション

最近表示した製品