製品概要
製品概要
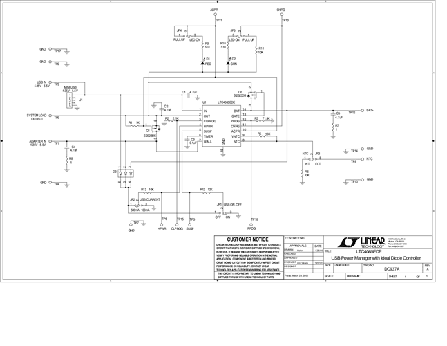
Demonstration circuit DC937A is a complete power controller for a USB powered device. It is based on the LTC4085 and provides a constant-current, constant-voltage linear battery charger, a USB power manager with PowerPath management for the battery. The 700mA CC/CV timer terminated, temperature qualified, linear charger targets Li-Ion batteries, and the USB power manager insures compliance with the USB power specification and PowerPath management for the battery. The demo board's input voltage range is 4.5V to 5.5V.
対象となる製品
関連資料
-
DC937A - Schematic2009/09/24PDF31K
-
DC937A - Demo Manual2009/09/24PDF134K
-
DC937A - Design File2009/09/24ZIP859K
