LTC3869

新規設計に推奨

デュアル、2フェーズ同期整流式降圧 DC/DCコントローラ

利用上の注意

本データシートの英語以外の言語への翻訳はユーザの便宜のために提供されるものであり、リビジョンが古い場合があります。最新の内容については、必ず最新の英語版をご参照ください。

なお、日本語版のデータシートは基本的に「Rev.0」(リビジョン0)で作成されています。そのため、英語版が後に改訂され、複数製品のデータシートがひとつに統一された場合、同じ「Rev.0」の日本語版のデータシートが異なる製品のデータシートとして表示されることがあります。たとえば、「ADM3307E」の場合、日本語データシートをクリックすると「ADM3311E」が表示されます。これは、英語版のデータシートが複数の製品で共有できるように1本化され、「ADM3307E/ADM3310E/ADM3311E/ADM3312E/ADM3315E」(Rev.J)と改訂されたからで、決して誤ってリンクが張られているわけではありません。和文化されたデータシートを少しでも有効に活用していただくためにこのような方法をとっておりますので、ご了解ください。

アナログ・デバイセズ社は、提供する情報が正確で信頼できるものであることを期していますが、その情報の利用に関して、あるいはその利用によって生じる第三者の特許やその他の権利の侵害に関して一切の責任を負いません。また、アナログ・デバイセズ社の特許または特許の権利の使用を明示的または暗示的に許諾するものでもありません。仕様は予告なしに変更する場合があります。本紙記載の商標および登録商標は、各社の所有に属します。

Viewing:

製品情報

  • 位相を180° ずらしたデュアル・コントローラにより、必要な入力容量と電源によるノイズを低減
  • 高精度のマルチフェーズ電流整合
  • RSENSEまたはDCRによる電流検出
  • 0.6V出力電圧の精度: ±0.75%
  • フェーズロック可能な固定周波数: 250kHz~780kHz
  • 高効率: 最大95%
  • デュアルNチャネルMOSFET 同期ドライブ
  • 広い入力電圧範囲: 4V~38V (最大40V) で動作
  • 広い出力電圧範囲: 0.6V~12.5Vで動作
  • 調整可能なソフトスタート電流ランプまたはトラッキング
  • フォールドバック出力電流制限
  • 出力過電圧保護
  • パワーグッド出力電圧モニタ
  • 5V低損失レギュレータ
  • 小型28ピンQFN および細型SSOPパッケージ

LTC3869は、すべて Nチャネルの同期パワーMOSFET段をドライブする、高性能デュアル同期整流式降圧スイッチング・レギュレータ・コントローラです。固定周波数電流モード・アーキテクチャを採用しているので、最大780kHzの周波数にフェーズロック可能です。2つのコントローラの出力段を逆相で動作させることにより、入力コンデンサのESRに起因する電力損失と電源ノイズを最小限に抑えます。

OPTI-LOOP®補償により、広範な出力容量とESR値に対して過渡応答の最適化を図ることができます。LTC3869は高精度の0.6Vリファレンスとパワーグッド出力インジケータを搭載しています。入力電源範囲が4V~38Vと広いので、ほとんどのバッテリの種類に対応できます。コントローラごとに独立したTK/SSピンにより、起動時に出力電圧をランプアップします。また、電流フォールドバックによって、短絡時のMOSFETの熱損失を制限します。MODE/PLLINピンを使用して、Burst Mode®動作、パルス・スキップ・モードまたは連続インダクタ電流モードのいずれかを選択するか、あるいは、デバイスを外部クロックに同期させることができます。

LTC3869はLTC3850とピン互換で、高さの低い28ピンQFN および細型SSOPパッケージで供給されます。


アプリケーション

  • サーバー・システム
  • テレコム・システム
  • 産業用および医療用機器
  • 高電力バッテリ駆動機器
  • DC 配電システム

LTC3869
デュアル、2フェーズ同期整流式降圧 DC/DCコントローラ
High Efficiency Dual 5V/3.3V Step-Down Converter Efficiency and Power Loss Product Package 1 Product Package 2 Product Package 3
myAnalogに追加

myAnalogの製品セクション(通知受け取り)、既存/新規プロジェクトに製品を追加する。

新規プロジェクトを作成
質問する
サポート

アナログ・デバイセズのサポート・ページはアナログ・デバイセズへのあらゆるご質問にお答えするワンストップ・ポータルです。


ドキュメント

データシート

これは最新改訂バージョンのデータシートです。

さらに詳しく
myAnalogに追加

myAnalogのリソース・セクション、既存/新規プロジェクトにメディアを追加する。

新規プロジェクトを作成

ソフトウェア・リソース

必要なソフトウェア/ドライバが見つかりませんか?

ドライバ/ソフトウェアをリクエスト

ハードウェア・エコシステム

製品モデル 製品ライフサイクル 詳細
スイッチング・レギュレータ & コントローラ 1
LTC3880 新規設計に推奨 デジタル・パワー・システム・マネージメントを搭載したデュアル出力PolyPhase降圧DC/DCコントローラ
パワー・システム・マネージメント(PSM) & シーケンサ 1
LTC2974 新規設計に推奨 正確な出力電流測定を特長とする4チャンネルPMBusパワーシステム・マネージャ
回路モニタ 1
LTC2960 新規設計に推奨 36Vナノ電流2入力電圧モニタ
保護スイッチ & コントローラ 1
LT4363 新規設計に推奨 電流制限付き高電圧サージ・ストッパー
Modal heading
myAnalogに追加

myAnalogの製品セクション(通知受け取り)、既存/新規プロジェクトに製品を追加する。

新規プロジェクトを作成

ツールおよびシミュレーション

LTspice

LTspice®は、無料で提供される強力で高速な回路シミュレータと回路図入力、波形ビューワに改善を加え、アナログ回路のシミュレーションを容易にするためのモデルを搭載しています。

 

LTpowerCAD

LTpowerCAD®は、電力段のデバイスの選択、詳細な電力効率の提供、ループのボーデ線図の安定性および負荷過渡応答解析の敏速な表示などを行うと共に、シミュレーション用にLTspiceにエクスポートできる電源設計プログラムです。


評価用キット

eval board
DC1798A-B

LTC3869IGN-2デモ・ボード | VIN = 4.5V to 26V、VOUT1 = 3.3V @ 5A、VOUT2 = 2.5V @ 5A、DCR Sense搭載

製品詳細

デモ回路1798Aは、LTC3869IGN-2を備えたデュアル出力2相5A同期降圧コンバータです。2.5V/5Aおよび3.3V/5A出力を供給します。入力電圧範囲は4.5V~26Vです。DC1798A-Aには電流帰還用に検出抵抗が内蔵されています。DC1798A-Bはコンバータがオンボードの検出抵抗ではなくインダクタのDCRを検出素子として使用できるDCR検出回路で構成されており、コストと基盤面積の節約になり、効率が向上します。

eval board
DC1807A-A

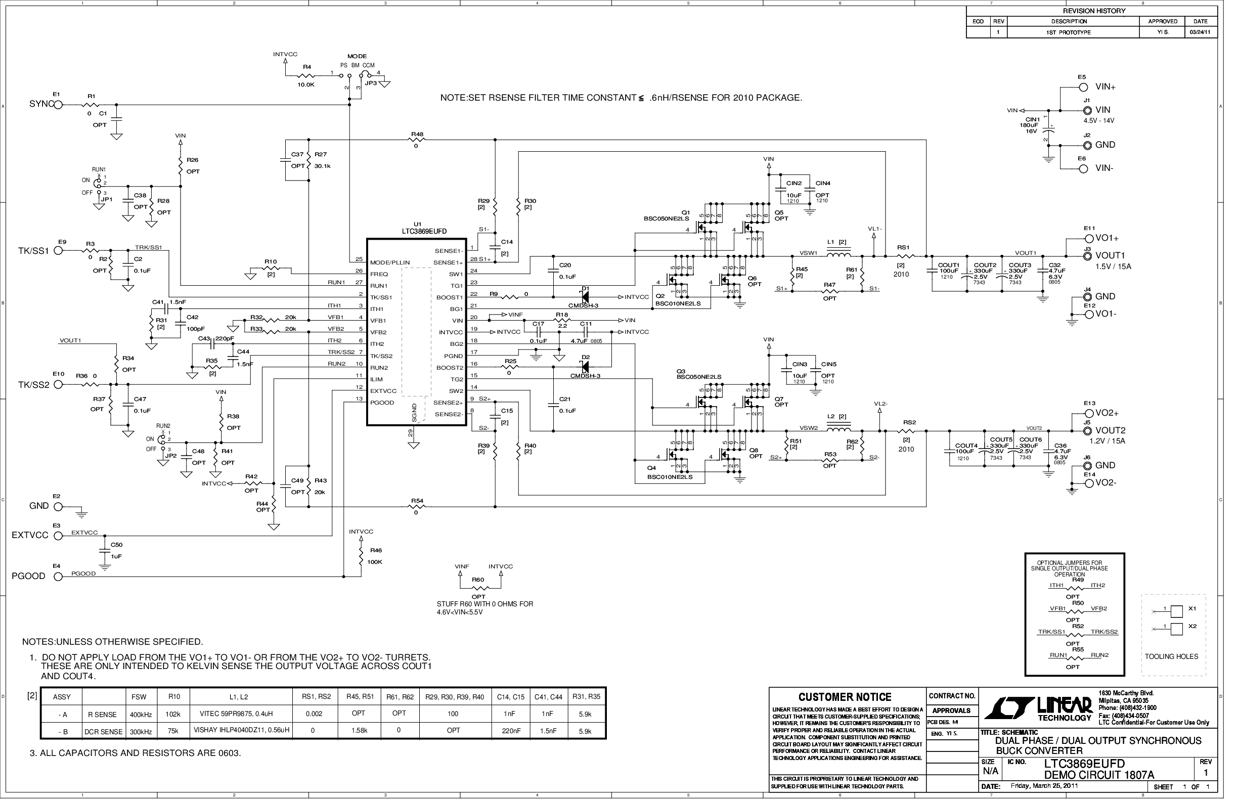
LTC3869EUFD Demo Board | VIN = 4.5V to 14V, VOUT1 = 1.5V @15A, VOUT2 = 1.2V @ 15A, with RSENSE

製品詳細

Demonstration circuit 1807A is a dual output, dual phase synchronous buck converter featuring the LTC3869EUFD. The input voltage range is 4.5V to 14V, output voltages and currents are 1.5V/15A and 1.2V/15A. Two versions of the board are available. DC1807A-A has an on-board sense resistor for current feedback, while the DC1807A-B is configured with a DCR sense circuit that allows the converter to use the inductors DCR as the sense element instead of the on-board sense resistors to save cost and board space and improves efficiency.

eval board
DC1798A-A

LTC3869IGN-2デモ・ボード | VIN = 4.5V~26V、VOUT1= 3.3V @ 5A、VOUT2 = 2.5V @ 5A、RSENSE搭載

製品詳細

デモ回路1798Aは、LTC3869IGN-2を備えたデュアル出力2相5A同期降圧コンバータです。2.5V/5Aおよび3.3V/5A出力を供給します。入力電圧範囲は4.5V~26Vです。DC1798A-Aには電流帰還用に検出抵抗が内蔵されています。DC1798A-Bはコンバータがオンボードの検出抵抗ではなくインダクタのDCRを検出素子として使用できるDCR検出回路で構成されており、コストと基盤面積の節約になり、効率が向上します。

eval board
DC1807A-B

LTC3869EUFD Demo Board | VIN = 4.5V to 14V, VOUT1 = 1.5V @15A, VOUT2 = 1.2V @ 15A, with DCR Sense

製品詳細

Demonstration circuit 1807A is a dual output, dual phase synchronous buck converter featuring the LTC3869EUFD. The input voltage range is 4.5V to 14V, output voltages and currents are 1.5V/15A and 1.2V/15A. Two versions of the board are available. DC1807A-A has an on-board sense resistor for current feedback, while the DC1807A-B is configured with a DCR sense circuit that allows the converter to use the inductors DCR as the sense element instead of the on-board sense resistors to save cost and board space and improves efficiency.

DC1798A-B
LTC3869IGN-2デモ・ボード | VIN = 4.5V to 26V、VOUT1 = 3.3V @ 5A、VOUT2 = 2.5V @ 5A、DCR Sense搭載
DC1798A-A Demo Board DC1798A-A Demo Board DC1798A-A Demo Board DC1798A-A Demo Board DC1798A-A Demo Board DC1798A-A - Schematic
DC1807A-A
LTC3869EUFD Demo Board | VIN = 4.5V to 14V, VOUT1 = 1.5V @15A, VOUT2 = 1.2V @ 15A, with RSENSE
DC1807A-A Demo Board DC1807A-A Demo Board DC1807A-A Demo Board DC1807A-A Demo Board DC1807A-A - Schematic
DC1798A-A
LTC3869IGN-2デモ・ボード | VIN = 4.5V~26V、VOUT1= 3.3V @ 5A、VOUT2 = 2.5V @ 5A、RSENSE搭載
DC1798A-A Demo Board DC1798A-A Demo Board DC1798A-A Demo Board DC1798A-A Demo Board DC1798A-A Demo Board DC1798A-A - Schematic
DC1807A-B
LTC3869EUFD Demo Board | VIN = 4.5V to 14V, VOUT1 = 1.5V @15A, VOUT2 = 1.2V @ 15A, with DCR Sense
DC1807A-A - Schematic

最新のディスカッション

最近表示した製品