製品概要
製品概要
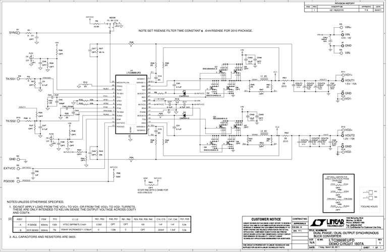
Demonstration circuit 1807A is a dual output, dual phase synchronous buck converter featuring the LTC3869EUFD. The input voltage range is 4.5V to 14V, output voltages and currents are 1.5V/15A and 1.2V/15A. Two versions of the board are available. DC1807A-A has an on-board sense resistor for current feedback, while the DC1807A-B is configured with a DCR sense circuit that allows the converter to use the inductors DCR as the sense element instead of the on-board sense resistors to save cost and board space and improves efficiency.
対象となる製品
関連資料
-
DC1807A - Schematic2011/12/16PDF81K
-
DC1807A - Demo Manual2011/07/21PDF307K
-
DC1807A - Design Files2011/07/21ZIP4M




