LTC3865

製造中

出力電圧をピンで選択可能なデュアル、2フェーズ、同期整流式DC/DCコントローラ

利用上の注意

本データシートの英語以外の言語への翻訳はユーザの便宜のために提供されるものであり、リビジョンが古い場合があります。最新の内容については、必ず最新の英語版をご参照ください。

なお、日本語版のデータシートは基本的に「Rev.0」(リビジョン0)で作成されています。そのため、英語版が後に改訂され、複数製品のデータシートがひとつに統一された場合、同じ「Rev.0」の日本語版のデータシートが異なる製品のデータシートとして表示されることがあります。たとえば、「ADM3307E」の場合、日本語データシートをクリックすると「ADM3311E」が表示されます。これは、英語版のデータシートが複数の製品で共有できるように1本化され、「ADM3307E/ADM3310E/ADM3311E/ADM3312E/ADM3315E」(Rev.J)と改訂されたからで、決して誤ってリンクが張られているわけではありません。和文化されたデータシートを少しでも有効に活用していただくためにこのような方法をとっておりますので、ご了解ください。

アナログ・デバイセズ社は、提供する情報が正確で信頼できるものであることを期していますが、その情報の利用に関して、あるいはその利用によって生じる第三者の特許やその他の権利の侵害に関して一切の責任を負いません。また、アナログ・デバイセズ社の特許または特許の権利の使用を明示的または暗示的に許諾するものでもありません。仕様は予告なしに変更する場合があります。本紙記載の商標および登録商標は、各社の所有に属します。

Viewing:

製品情報

  • 180° 位相をずらしたデュアル・コントローラ
  • 2つのVIDピンで出力電圧を設定: 0.6V~5V
  • 高効率:最大95%
  • RSENSEまたはDCRによる電流検出
  • フェーズロック可能な固定周波数: 250kHz~770kHz
  • 調整可能な電流制限
  • デュアルNチャネルMOSFET同期ドライブ
  • 広い入力電圧範囲: 4.5V~38V動作
  • 調整可能なソフトスタート電流ランプまたはトラッキング
  • 逆電流制限付きの出力過電圧保護
  • パワーグッド出力電圧モニタ
  • 32ピン5mm × 5mm QFN および38ピンTSSOPパッケージ

LTC3865/LTC3865-1は、高性能デュアル同期整流式降圧DC/DCスイッチング・レギュレータ・コントローラで、すべてNチャネルの同期パワーMOSFET段をドライブします。固定周波数電流モード・アーキテクチャにより、最大 770kHzの周波数にフェーズロック可能です。2つのコントローラの出力段を位相をずらして動作させることにより、電力損失とノイズを最小限に抑えます。

OPTI-LOOP®補償により、広範な出力容量とESR値に対して過渡応答の最適化を図ることができます。コントローラごとに独立したトラッキング/ソフトスタート・ピンにより、起動時に出力電圧をランプアップします。 また、電流フォールドバックにより、短絡時のMOSFET の熱損失を制限します。MODE/PLLINピンを使用して、Burst Mode®動作、パルススキップ・モードまたは連続インダクタ電流モードのいずれかを選択することができます。出力電圧はピン・ストラップまたは外付け抵抗を使用して高精度で設定できます。

LTC3865/LTC3865-1は高さの低い(5mm×5mm) 32ピンQFNパッケージと熱特性が改善された38ピンTSSOPパッケージで供給されます。


アプリケーション

  • DC 配電システム

LTC3865
出力電圧をピンで選択可能なデュアル、2フェーズ、同期整流式DC/DCコントローラ
High Efficiency 1.5V/15A, 1.2V/15A Step-Down Converter Efficiency and Power Loss  vs Load Current Product Package 1 Product Package 2 Product Package 3
myAnalogに追加

myAnalogの製品セクション(通知受け取り)、既存/新規プロジェクトに製品を追加する。

新規プロジェクトを作成
質問する
サポート

アナログ・デバイセズのサポート・ページはアナログ・デバイセズへのあらゆるご質問にお答えするワンストップ・ポータルです。


ドキュメント

データシート

これは最新改訂バージョンのデータシートです。

さらに詳しく
myAnalogに追加

myAnalogのリソース・セクション、既存/新規プロジェクトにメディアを追加する。

新規プロジェクトを作成

ソフトウェア・リソース

必要なソフトウェア/ドライバが見つかりませんか?

ドライバ/ソフトウェアをリクエスト

ハードウェア・エコシステム

製品モデル 製品ライフサイクル 詳細
スイッチング・レギュレータ & コントローラ 1
LTC3880 新規設計に推奨 デジタル・パワー・システム・マネージメントを搭載したデュアル出力PolyPhase降圧DC/DCコントローラ
パワー・システム・マネージメント(PSM) & シーケンサ 1
LTC2974 新規設計に推奨 正確な出力電流測定を特長とする4チャンネルPMBusパワーシステム・マネージャ
回路モニタ 1
LTC2960 新規設計に推奨 36Vナノ電流2入力電圧モニタ
保護スイッチ & コントローラ 1
LTC4365 新規設計に推奨 低電圧、過電圧および逆電源保護コントローラ
Modal heading
myAnalogに追加

myAnalogの製品セクション(通知受け取り)、既存/新規プロジェクトに製品を追加する。

新規プロジェクトを作成

ツールおよびシミュレーション

LTspice 1


下記製品はLTspiceで使用することが出来ます。:

  • LTC3865
  • LTC3865-1
LTspice

LTspice®は、無料で提供される強力で高速な回路シミュレータと回路図入力、波形ビューワに改善を加え、アナログ回路のシミュレーションを容易にするためのモデルを搭載しています。

 


評価用キット

eval board
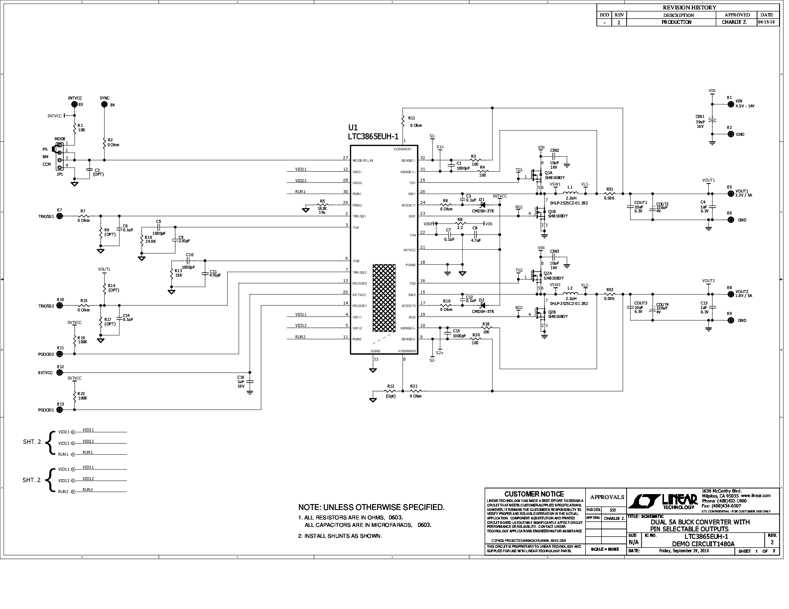
DC1480A

LTC3865EUH-1 Demo Board | 4.5V ≤ VIN ≤ 14V, VOUT1 = 3.3V @ 5A, VOUT2 = 1.8V @ 5A

製品詳細

Demonstration circuit 1480A is a dual output synchronous buck DC/DC converter featuring the LTC3865EUH-1. The input voltage range is from 4.5V to 14V. The default outputs are 3.3V/5A and 1.8V/5A, but pin programming allows each output to be set at 5V, 3.3V, 2.5V, 1.8V, 1.5V, 1.2V, 1.1V, 1V or an adjustable voltage.

eval board
DC1479A

LTC3865EUH Demo Board | 4.5V ≤ VIN ≤ 14V, VOUT1 = 1.5V @ 15A, VOUT2 = 1.2V @ 15A

製品詳細

Demonstration circuit 1479A is a dual output synchronous buck DC/DC converter featuring the LTC3865EUH. The input voltage range is from 4.5V to 14V. The outputs are 1.5V/15A and 1.2V/15A. Each output voltage can be precisely programmed to a preset value within 1% error using two 3-state programming pins. The output voltage can be set to 1.0V, 1.1V, 1.2V, 1.5V, 1.8V, 2.5V 3.3V or 5V. The LTC3865 differs from the LTC3865-1 in that the "-1" has a fixed current limit threshold. The 32-pin package options for both devices have no SGND pin and only one PGND pin.

DC1480A
LTC3865EUH-1 Demo Board | 4.5V ≤ VIN ≤ 14V, VOUT1 = 3.3V @ 5A, VOUT2 = 1.8V @ 5A
DC1480A - Schematic
DC1479A
LTC3865EUH Demo Board | 4.5V ≤ VIN ≤ 14V, VOUT1 = 1.5V @ 15A, VOUT2 = 1.2V @ 15A
DC1479A - Schematic

最新のディスカッション

LTC3865に関するディスカッションはまだありません。意見を投稿しますか?

EngineerZone®でディスカッションを始める

最近表示した製品