LTC3835

製造中

低IQ同期型ステップダウン・コントローラ

利用上の注意

本データシートの英語以外の言語への翻訳はユーザの便宜のために提供されるものであり、リビジョンが古い場合があります。最新の内容については、必ず最新の英語版をご参照ください。

なお、日本語版のデータシートは基本的に「Rev.0」(リビジョン0)で作成されています。そのため、英語版が後に改訂され、複数製品のデータシートがひとつに統一された場合、同じ「Rev.0」の日本語版のデータシートが異なる製品のデータシートとして表示されることがあります。たとえば、「ADM3307E」の場合、日本語データシートをクリックすると「ADM3311E」が表示されます。これは、英語版のデータシートが複数の製品で共有できるように1本化され、「ADM3307E/ADM3310E/ADM3311E/ADM3312E/ADM3315E」(Rev.J)と改訂されたからで、決して誤ってリンクが張られているわけではありません。和文化されたデータシートを少しでも有効に活用していただくためにこのような方法をとっておりますので、ご了解ください。

アナログ・デバイセズ社は、提供する情報が正確で信頼できるものであることを期していますが、その情報の利用に関して、あるいはその利用によって生じる第三者の特許やその他の権利の侵害に関して一切の責任を負いません。また、アナログ・デバイセズ社の特許または特許の権利の使用を明示的または暗示的に許諾するものでもありません。仕様は予告なしに変更する場合があります。本紙記載の商標および登録商標は、各社の所有に属します。

Viewing:

製品情報

  • 広い出力電圧範囲:0.8V ≤ VOUT ≤ 10V
  • 低動作時静止電流:80μA
  • OPTI-LOOP®補償によりCOUTが最小限に抑えられる
  • 出力電圧の精度:1%
  • 広いVIN範囲:動作電圧範囲:4V~36V
  • フェーズロック可能な固定周波数(140kHz~650kHz)
  • デュアルNチャンネルMOSFET同期型ドライブ
  • 超低ドロップアウト動作:99%のデューティ・サイクル
  • 調整可能な出力電圧ソフト・スタートまたはトラッキング
  • 出力電流フォールドバック制限
  • パワー・グッド出力電圧モニタ
  • PolyPhase®アプリケーション用のクロック出力
  • 出力過電圧保護
  • 低シャットダウンIQ:10μA
  • 内部LDOによりVINまたはVOUTからゲート・ドライブに電力を供給
  • 軽負荷での選択可能な連続、パルス・スキップ、またはBurst Mode®​動作
  • 小型20ピンTSSOPまたは4mm × 5mm QFNパッケージ
  • オートモーティブ・アプリケーション向けのAEC-Q100認定済み

LTC3835は、高性能のデュアル・ステップダウン・スイッチング・レギュレータ・コントローラで、すべてのNチャンネル同期型パワーMOSFET段を駆動します。固定周波数電流モード・アーキテクチャにより、最大650kHzのフェーズロック可能な周波数を使用できます。

80μAの無負荷時の低静止電流により、バッテリ駆動のシステムで動作時間が延長します。OPTI-LOOP補償により、幅広い出力容量およびESR値にわたって過渡応答を最適化できます。LTC3835は高精度0.8Vリファレンスとパワー・グッド出力インジケータを備えています。4V~36Vの入力電源範囲は幅広いバッテリ化学構造を網羅しています。

TRACK/SSピンは起動時に出力電圧を上昇させます。電流のフォールドバックは短絡状態のときにMOSFETの放熱を制限します。

LTC3835とLTC3835-1の比較
部品番号 CLKOUT/PHASMD EXTVCC PGOOD パッケージ
LTC3835 Yes Yes Yes FE20/4 × 5 QFN
LTC3835-1 No No No GN16/3 × 5 DFN

アプリケーション

  • オートモーティブ・システム
  • テレコム・システム
  • バッテリ駆動デジタル・デバイス
  • 分散型DC電源システム

本紙記載の商標および登録商標は、各社の所有に属します。米国特許5408150、5481178、5705919、5929620、6304066、6498466、6580258、6611131により保護されています。

LTC3835
低IQ同期型ステップダウン・コントローラ
High Efficiency Synchronous Step-Down Converter Efficiency and Power Loss vs Load Current Product Package 1 Product Package 2
myAnalogに追加

myAnalogの製品セクション(通知受け取り)、既存/新規プロジェクトに製品を追加する。

新規プロジェクトを作成
質問する
サポート

アナログ・デバイセズのサポート・ページはアナログ・デバイセズへのあらゆるご質問にお答えするワンストップ・ポータルです。


ドキュメント

さらに詳しく
myAnalogに追加

myAnalogのリソース・セクション、既存/新規プロジェクトにメディアを追加する。

新規プロジェクトを作成

ソフトウェア・リソース

必要なソフトウェア/ドライバが見つかりませんか?

ドライバ/ソフトウェアをリクエスト

ハードウェア・エコシステム

製品モデル 製品ライフサイクル 詳細
回路モニタ 1
LTC2960 新規設計に推奨 36Vナノ電流2入力電圧モニタ
発振器 2
LTC6908 スペクトル拡散変調付き抵抗設定SOT-23発振器
LTC6909 製造中 スペクトル拡散変調付き、1~8 出力、マルチフェーズ・シリコン発振器
保護スイッチ & コントローラ 2
LTC4364 新規設計に推奨 理想ダイオードを備えたサージ・ストッパー
LTC2955 新規設計に推奨 自動電源投入機能を備えたプッシュボタン・オン/オフコントローラ
Modal heading
myAnalogに追加

myAnalogの製品セクション(通知受け取り)、既存/新規プロジェクトに製品を追加する。

新規プロジェクトを作成

ツールおよびシミュレーション

LTspice 1


下記製品はLTspiceで使用することが出来ます。:

  • LTC3835
  • LTC3835-1
LTspice

LTspice®は、無料で提供される強力で高速な回路シミュレータと回路図入力、波形ビューワに改善を加え、アナログ回路のシミュレーションを容易にするためのモデルを搭載しています。

 


評価用キット

eval board
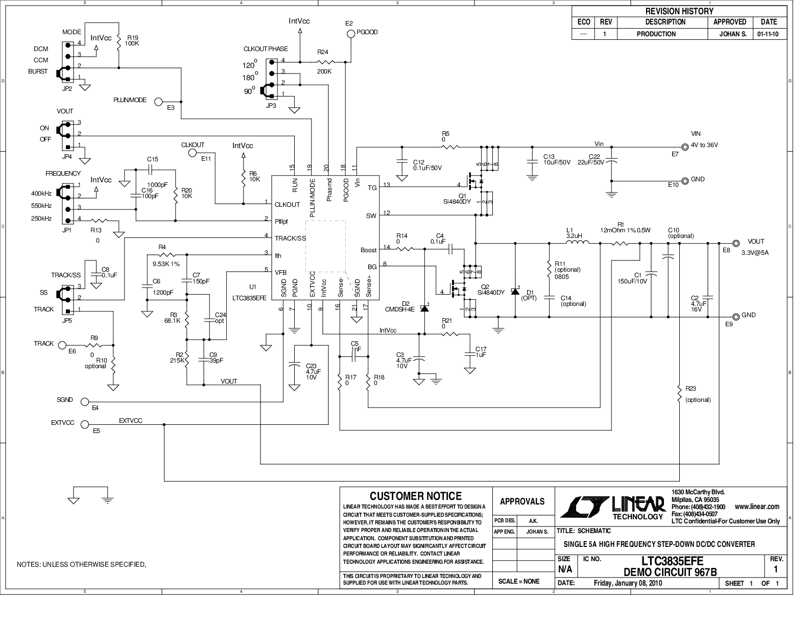
DC967B

LTC3835EFEデモ用ボード | 4.5V ≤ VIN ≤ 36V、VOUT​ = 3.3V @ 5A

製品詳細

デモ回路967Bは、20ピン露出パッドTSSOPパッケージに低静止電流のLTC3835を搭載した、単一出力の高周波降圧DC/DCコントローラです。DC967Bは、4.5V~36V入力電圧からレギュレーションされた3.3V@5A出力を生成するように設計されています。

DC967B
LTC3835EFEデモ用ボード | 4.5V ≤ VIN ≤ 36V、VOUT​ = 3.3V @ 5A
DC967B - Schematic

最新のディスカッション

最近表示した製品