LTC3805-5

製造中

周波数を調整可能な電流モード・フライバック/昇圧/SEPIC DC/DCコントローラ

利用上の注意

本データシートの英語以外の言語への翻訳はユーザの便宜のために提供されるものであり、リビジョンが古い場合があります。最新の内容については、必ず最新の英語版をご参照ください。

なお、日本語版のデータシートは基本的に「Rev.0」(リビジョン0)で作成されています。そのため、英語版が後に改訂され、複数製品のデータシートがひとつに統一された場合、同じ「Rev.0」の日本語版のデータシートが異なる製品のデータシートとして表示されることがあります。たとえば、「ADM3307E」の場合、日本語データシートをクリックすると「ADM3311E」が表示されます。これは、英語版のデータシートが複数の製品で共有できるように1本化され、「ADM3307E/ADM3310E/ADM3311E/ADM3312E/ADM3315E」(Rev.J)と改訂されたからで、決して誤ってリンクが張られているわけではありません。和文化されたデータシートを少しでも有効に活用していただくためにこのような方法をとっておりますので、ご了解ください。

アナログ・デバイセズ社は、提供する情報が正確で信頼できるものであることを期していますが、その情報の利用に関して、あるいはその利用によって生じる第三者の特許やその他の権利の侵害に関して一切の責任を負いません。また、アナログ・デバイセズ社の特許または特許の権利の使用を明示的または暗示的に許諾するものでもありません。仕様は予告なしに変更する場合があります。本紙記載の商標および登録商標は、各社の所有に属します。

Viewing:

製品情報

  • 外付け部品によってのみ制限されるVINとVOUT
  • 低電圧ロックアウト・スレッショルド:4.5V
  • 調整可能なスロープ補償
  • 自動再起動付きの調整可能な過電流保護
  • 1本の外付け抵抗で調整可能な動作周波数 (70kHz~700kHz)
  • 外部クロックに同期可能
  • ±1.5%のリファレンス精度
  • 電流センス電圧降下:わずか100mV
  • 高精度のスレッショルドと調整可能なヒステリシスを備えたRUNピン
  • 1個の外付けコンデンサでプログラム可能なソフトスタート
  • 低消費電流:360μA
  • 小型10ピンMSOPおよび3mm×3mm DFNパッケージ

LTC3805-5はフライバック、昇圧およびSEPICコンバータ・アプリケーションにおいてNチャネルMOSFETをドライブする電流モードDC/DCコントローラです。動作周波数とスロープ補償は外付け抵抗でプログラムすることができます。プログラム可能な過電流検出機能により、コンバータを過負荷や短絡から保護します。ソフトスタートは外付けコンデンサを使ってプログラム可能で、そのソフトスタート・コンデンサは自動再起動機能もプログラムします。

LTC3805-5の出力電圧精度は±1.5%、消費電流は通常動作でわずか360μA、マイクロパワー起動時にはわずか40μAです。このデバイスは9.5Vの内部シャント・レギュレータを使用し、抵抗を介して高い入力電圧から給電するか、あるいは、4.7V~8.8Vの低インピーダンスDC電圧から直接給電することが可能です。

LTC3805-5は10ピンMSOPパッケージと3mm×3mm DFNパッケージで供給されます。

Turn On Voltage
LTC3805 8.4V
LTC3805-5 4.5V

アプリケーション

  • 車載用電源
  • テレコム電源
  • 絶縁型電子機器
  • 補助/ハウスキーピング電源
  • Power over Ethernet

LTC3805-5
周波数を調整可能な電流モード・フライバック/昇圧/SEPIC DC/DCコントローラ
5V to 12V/1A Boost Converter Efficiency and Power Loss vs Load Current Product Package 1 Product Package 2
myAnalogに追加

myAnalogの製品セクション(通知受け取り)、既存/新規プロジェクトに製品を追加する。

新規プロジェクトを作成
質問する
サポート

アナログ・デバイセズのサポート・ページはアナログ・デバイセズへのあらゆるご質問にお答えするワンストップ・ポータルです。


ドキュメント

データシート

これは最新改訂バージョンのデータシートです。

さらに詳しく
myAnalogに追加

myAnalogのリソース・セクション、既存/新規プロジェクトにメディアを追加する。

新規プロジェクトを作成

ソフトウェア・リソース

必要なソフトウェア/ドライバが見つかりませんか?

ドライバ/ソフトウェアをリクエスト

ハードウェア・エコシステム

製品モデル 製品ライフサイクル 詳細
発振器 2
LTC6908 スペクトル拡散変調付き抵抗設定SOT-23発振器
LTC6909 製造中 スペクトル拡散変調付き、1~8 出力、マルチフェーズ・シリコン発振器
Modal heading
myAnalogに追加

myAnalogの製品セクション(通知受け取り)、既存/新規プロジェクトに製品を追加する。

新規プロジェクトを作成

ツールおよびシミュレーション

LTspice

LTspice®は、無料で提供される強力で高速な回路シミュレータと回路図入力、波形ビューワに改善を加え、アナログ回路のシミュレーションを容易にするためのモデルを搭載しています。

 


評価用キット

eval board
DC1576A

LTC3805IMSE-5 Demo Board | SEPIC, 5V ≤ VIN ≤ 30V, VOUT = 12V @ 3A

製品詳細

Demonstration circuit 1576 is high efficiency non-isolated SEPIC (Single Ended Primary Inductor Converter) converter featuring the LTC3805-5 switching controller. The DC1576 converts a 5V to 30V input to 12V at 3A of output current. The DC1576 can be easily modified to generate output voltages in the range from 0.8V to 48V.

eval board
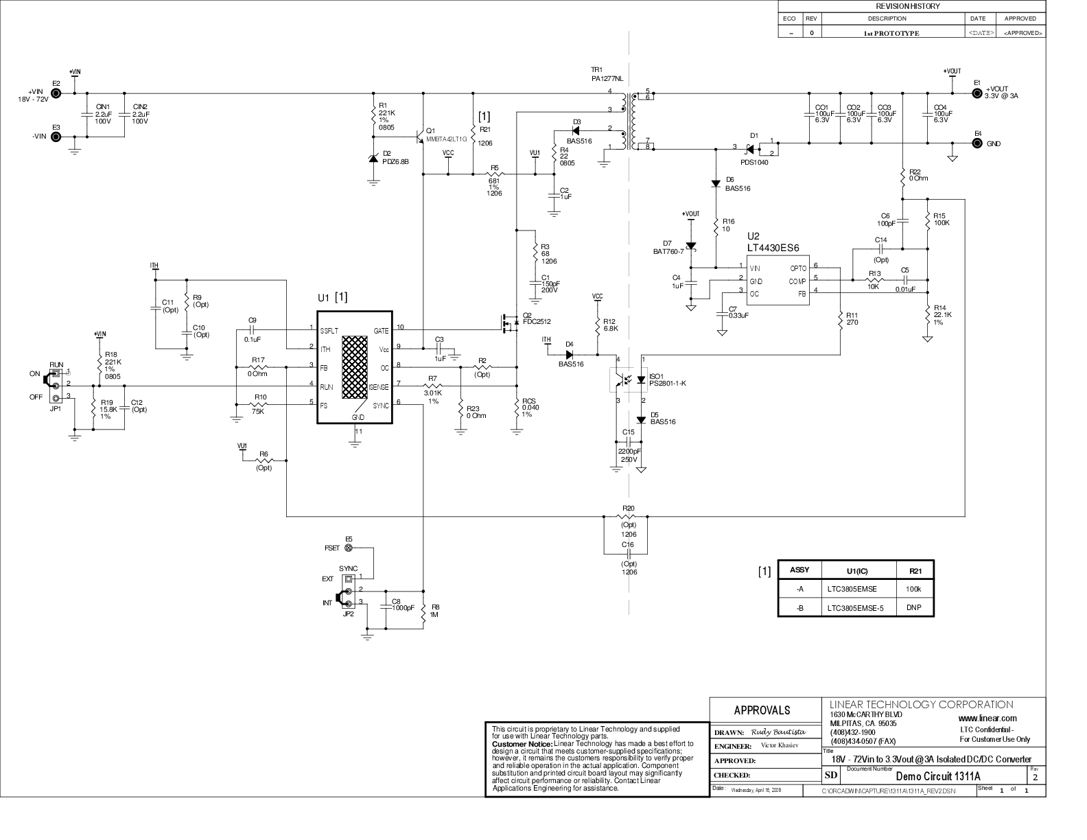
DC1311A-B

LTC3805-5 Isolated Demo Board | Flyback Controller, 18V ≤ VIN ≤ 72V, VOUT = 3.3V @ 3A

製品詳細

Demonstration circuit 1311 is a Telecom isolated DC/DC converter featuring the LTC3805/-5 constant frequency current mode flyback controller. The DC1311 converts an 18V to 72V input voltage to an isolated 3A of output current at 3.3V. The 300kHz constant frequency operation is maintained down to very light load to reduce low frequency noise generated over a wide range of load current. The converter provides high output voltage accuracy (typically ±2%) over wide load range with no minimum load requirement.

The DC1311 also provides non-isolated design by removing opto coupler and LTC4430 circuit. The demonstration circuit can be easily modified to generate different output voltages up to 15V.

DC1576A
LTC3805IMSE-5 Demo Board | SEPIC, 5V ≤ VIN ≤ 30V, VOUT = 12V @ 3A
DC1576A - Schematic
DC1311A-B
LTC3805-5 Isolated Demo Board | Flyback Controller, 18V ≤ VIN ≤ 72V, VOUT = 3.3V @ 3A
DC1311A-A - Schematic

最新のディスカッション

LTC3805-5に関するディスカッションはまだありません。意見を投稿しますか?

EngineerZone®でディスカッションを始める

最近表示した製品