製品概要
製品概要
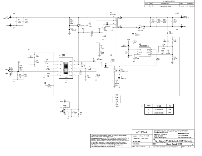
Demonstration circuit 1311 is a Telecom isolated DC/DC converter featuring the LTC3805/-5 constant frequency current mode flyback controller. The DC1311 converts an 18V to 72V input voltage to an isolated 3A of output current at 3.3V. The 300kHz constant frequency operation is maintained down to very light load to reduce low frequency noise generated over a wide range of load current. The converter provides high output voltage accuracy (typically ±2%) over wide load range with no minimum load requirement.The DC1311 also provides non-isolated design by removing opto coupler and LTC4430 circuit. The demonstration circuit can be easily modified to generate different output voltages up to 15V.
対象となる製品
関連資料
-
DC1311A - Schematic2009/09/24PDF97K
-
DC1311A - Demo Manual2009/09/24PDF277K
-
DC1311A - Design File2009/09/24ZIP1M
