LTC3601

製造中

1.5A、15V モノリシック同期整流式降圧レギュレータ

利用上の注意

本データシートの英語以外の言語への翻訳はユーザの便宜のために提供されるものであり、リビジョンが古い場合があります。最新の内容については、必ず最新の英語版をご参照ください。

なお、日本語版のデータシートは基本的に「Rev.0」(リビジョン0)で作成されています。そのため、英語版が後に改訂され、複数製品のデータシートがひとつに統一された場合、同じ「Rev.0」の日本語版のデータシートが異なる製品のデータシートとして表示されることがあります。たとえば、「ADM3307E」の場合、日本語データシートをクリックすると「ADM3311E」が表示されます。これは、英語版のデータシートが複数の製品で共有できるように1本化され、「ADM3307E/ADM3310E/ADM3311E/ADM3312E/ADM3315E」(Rev.J)と改訂されたからで、決して誤ってリンクが張られているわけではありません。和文化されたデータシートを少しでも有効に活用していただくためにこのような方法をとっておりますので、ご了解ください。

アナログ・デバイセズ社は、提供する情報が正確で信頼できるものであることを期していますが、その情報の利用に関して、あるいはその利用によって生じる第三者の特許やその他の権利の侵害に関して一切の責任を負いません。また、アナログ・デバイセズ社の特許または特許の権利の使用を明示的または暗示的に許諾するものでもありません。仕様は予告なしに変更する場合があります。本紙記載の商標および登録商標は、各社の所有に属します。

Viewing:

製品情報

  • 広い入力電圧範囲で動作: 4V~15V
  • 出力電流: 1.5A
  • 効率:最大96%
  • 低デューティサイクル動作: 2.25MHz で5%
  • スイッチング周波数を調整可能: 800kHz~4MHz
  • 外部周波数同期
  • 電流モード動作により、優れた入力および負荷過渡応答を実現
  • Burst Mode® 動作(無負荷時の消費電流= 300μA) または強制連続動作をユーザーが選択可能
  • 0.6V リファレンスにより、低出力電圧が可能
  • 短絡保護
  • 出力電圧トラッキングが可能
  • プログラム可能なソフトスタート
  • パワーグッド・ステータス出力
  • 熱特性が改善された小型16ピンQFN(3mm × 3mm) およびMSOP パッケージ

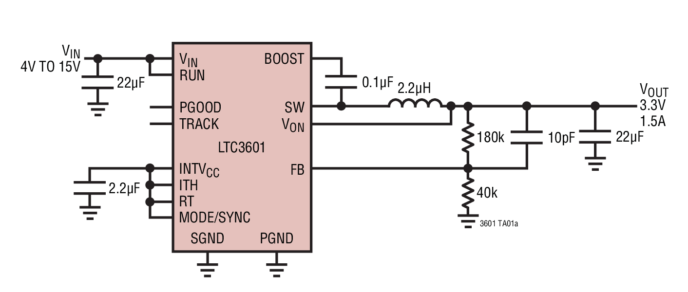
LTC3601は、フェーズロック可能でオン時間が制御される電流モード・アーキテクチャを採用した、高効率モノリシック同期整流式降圧レギュレータで、最大1.5Aの出力電流を供給可能です。動作電源電圧範囲が4V~15Vなので、様々な電源アプリケーションに適しています。

動作周波数は外付け抵抗を使用して800kHz~4MHzの範囲で設定可能で、小型の表面実装インダクタを使用できます。 また、同じ周波数範囲で外部同期可能なので、スイッチングノイズに敏感なアプリケーションに対応できます。内部フェーズロック・ループは、トップ・パワーMOSFETのオン時間を内部クロックか外部クロックに合わせます。この独自の固定周波数/オン時間制御アーキテクチャは、高いスイッチング周波数と高速過渡応答を必要とする高降圧比アプリケーションに最適です。

LTC3601はBurst Mode動作と強制連続動作の2つの動作モードを備えており、所定のアプリケーションごとに出力電圧リップル、ノイズ、軽負荷時の効率をユーザーが最適化することができます。Burst Mode動作を選択すると、軽負荷時の効率を最大にすることができ、強制連続動作モードでは出力リップルを最小限に抑え、固定周波数動作を行います。


アプリケーション

  • 配電システム
  • リチウムイオン・バッテリ駆動計測器
  • ポイントオブロード電源

LTC3601
1.5A、15V モノリシック同期整流式降圧レギュレータ
Effi ciency and Power Loss vs Load Current Product Package 1 Product Package 2
myAnalogに追加

myAnalogの製品セクション(通知受け取り)、既存/新規プロジェクトに製品を追加する。

新規プロジェクトを作成
質問する
サポート

アナログ・デバイセズのサポート・ページはアナログ・デバイセズへのあらゆるご質問にお答えするワンストップ・ポータルです。


ドキュメント

データシート

これは最新改訂バージョンのデータシートです。

さらに詳しく
myAnalogに追加

myAnalogのリソース・セクション、既存/新規プロジェクトにメディアを追加する。

新規プロジェクトを作成

ソフトウェア・リソース

必要なソフトウェア/ドライバが見つかりませんか?

ドライバ/ソフトウェアをリクエスト

ハードウェア・エコシステム

製品モデル 製品ライフサイクル 詳細
A/Dコンバータ(ADC) 1
LTC2991 新規設計に推奨 I2C インタフェース搭載のオクタル電圧、電流、温度モニタ
スイッチング・レギュレータ & コントローラ 1
LTC3880 新規設計に推奨 デジタル・パワー・システム・マネージメントを搭載したデュアル出力PolyPhase降圧DC/DCコントローラ
パワー・システム・マネージメント(PSM) & シーケンサ 1
LTC2974 新規設計に推奨 正確な出力電流測定を特長とする4チャンネルPMBusパワーシステム・マネージャ
回路モニタ 1
LTC2960 新規設計に推奨 36Vナノ電流2入力電圧モニタ
Modal heading
myAnalogに追加

myAnalogの製品セクション(通知受け取り)、既存/新規プロジェクトに製品を追加する。

新規プロジェクトを作成

ツールおよびシミュレーション

LTspice 1


下記製品はLTspiceで使用することが出来ます。:

  • LTC3601

LTpowerCAD 2


次のデバイス用の設計ツールがLTpowerCADでご使用になれます。

  • LTC3601
LTspice

LTspice®は、無料で提供される強力で高速な回路シミュレータと回路図入力、波形ビューワに改善を加え、アナログ回路のシミュレーションを容易にするためのモデルを搭載しています。

 

LTpowerCAD

LTpowerCAD®は、電力段のデバイスの選択、詳細な電力効率の提供、ループのボーデ線図の安定性および負荷過渡応答解析の敏速な表示などを行うと共に、シミュレーション用にLTspiceにエクスポートできる電源設計プログラムです。


評価用キット

eval board
DC1454A

LTC3601EMSE Demo Board (MSOP) | 4V ≤ VIN ≤ 15V, VOUT = 1.2V/1.8V/3.3V @ 1.5A

製品詳細

Demonstration circuit 1353 is a step-down converter, using the LTC3601 monolithic synchronous buck regulator in the 16-lead MSOP exposed pad package. The DC1353A has a maximum input voltage 15V, and is capable of delivering up to 1.5A of output current at a minimum input voltage of 4V. The output voltage of the DC1353A can be set as low as 0.6V, the reference voltage of the LTC3601. At low load currents, the DC1353A operates in discontinuous mode, and during shutdown, it consumes less than 40 uA of quiescent current.

eval board
DC1353A

LTC3601EUD Demo Board (QFN) | 4V ≤ VIN ≤ 15V, VOUT = 1.2V/1.8V/3.3V @ 1.5A

製品詳細

Demonstration circuit 1353 is a step-down converter, using the LTC3601 monolithic synchronous buck regulator in the 3mm x 3mm QFN-16 package. The DC1353A has a maximum input voltage 15V, and is capable of delivering up to 1.5A of output current at a minimum input voltage of 4V. The output voltage of the DC1353A can be set as low as 0.6V, the reference voltage of the LTC3601. At low load currents, the DC1353A operates in discontinuous mode, and during shutdown, it consumes less than 40 uA of quiescent current.



DC1454A
LTC3601EMSE Demo Board (MSOP) | 4V ≤ VIN ≤ 15V, VOUT = 1.2V/1.8V/3.3V @ 1.5A
DC1454A - Schematic
DC1353A
LTC3601EUD Demo Board (QFN) | 4V ≤ VIN ≤ 15V, VOUT = 1.2V/1.8V/3.3V @ 1.5A
DC1353A - Schematic

最新のディスカッション

最近表示した製品