製品概要
製品概要
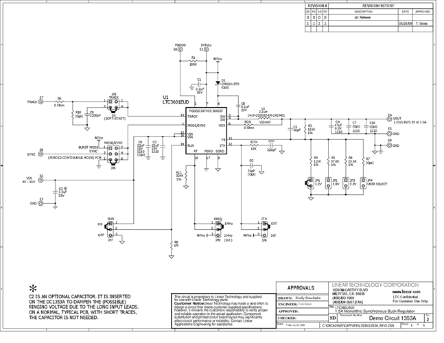
Demonstration circuit 1353 is a step-down converter, using the LTC3601 monolithic synchronous buck regulator in the 3mm x 3mm QFN-16 package. The DC1353A has a maximum input voltage 15V, and is capable of delivering up to 1.5A of output current at a minimum input voltage of 4V. The output voltage of the DC1353A can be set as low as 0.6V, the reference voltage of the LTC3601. At low load currents, the DC1353A operates in discontinuous mode, and during shutdown, it consumes less than 40 uA of quiescent current.
対象となる製品
関連資料
- 
                                                                
                                                                    
                                                                                                                                            DC1353A - Schematic2009/10/16PDF83K
- 
                                                                
                                                                    
                                                                                                                                            DC1353A - Demo Manual2009/10/16PDF657K
- 
                                                                
                                                                    
                                                                                                                                            DC1353A - Design Files2009/10/16ZIP2M
 
                             
                         
                         
                                                