LTC3520

新規設計に推奨

1A昇降圧および600mA降圧の同期整流式コンバータ

利用上の注意

本データシートの英語以外の言語への翻訳はユーザの便宜のために提供されるものであり、リビジョンが古い場合があります。最新の内容については、必ず最新の英語版をご参照ください。

なお、日本語版のデータシートは基本的に「Rev.0」(リビジョン0)で作成されています。そのため、英語版が後に改訂され、複数製品のデータシートがひとつに統一された場合、同じ「Rev.0」の日本語版のデータシートが異なる製品のデータシートとして表示されることがあります。たとえば、「ADM3307E」の場合、日本語データシートをクリックすると「ADM3311E」が表示されます。これは、英語版のデータシートが複数の製品で共有できるように1本化され、「ADM3307E/ADM3310E/ADM3311E/ADM3312E/ADM3315E」(Rev.J)と改訂されたからで、決して誤ってリンクが張られているわけではありません。和文化されたデータシートを少しでも有効に活用していただくためにこのような方法をとっておりますので、ご了解ください。

アナログ・デバイセズ社は、提供する情報が正確で信頼できるものであることを期していますが、その情報の利用に関して、あるいはその利用によって生じる第三者の特許やその他の権利の侵害に関して一切の責任を負いません。また、アナログ・デバイセズ社の特許または特許の権利の使用を明示的または暗示的に許諾するものでもありません。仕様は予告なしに変更する場合があります。本紙記載の商標および登録商標は、各社の所有に属します。

Viewing:

製品情報

  • デュアル高効率DC/DCコンバータ:
    • 昇降圧 (VOUT:2.2V~5.25V、VOUT=3.3VおよびVIN≥3VでのIOUT:1A)
    • 降圧(VOUT:0.8V~VIN、IOUT=600mA)
  • 入力電圧範囲:2.2V~5.5V
  • ピンで選択可能なBurst Mode®動作
  • LDOコントローラ、バッテリグッド表示またはシーケンシングに使用される用途未設定利得ブロック
  • プログラム可能なスイッチング周波数:100kHz~2MHz
  • 両方のコンバータがBurst Mode動作時の総消費電流:55μA
  • 熱保護および過電流保護
  • シャットダウン時の消費電流:<1μA
  • 4mm×4mmの24ピンQFNパッケージ

LTC3520は、1Aの昇降圧コンバータと600mAの同期整流式降圧DC/DCコンバータを4mm×4mmの小型パッケージに集積しています。スイッチング周波数をプログラム可能なので、ソリューションの実装面積を最小限に抑えながら効率を最適化できます。どちらのコンバータもソフトスタート機能と電流制限保護機能を搭載しています。用途未設定の利得ブロックはLDOとして設定するか、あるいは、バッテリグッド・コンパレータとして使用することができます。

降圧コンバータは電流モード制御を行い、内蔵の同期整流器を使用して効率を改善します。ピンで選択可能なBurst Mode動作をイネーブルすることにより、軽負荷時の効率を向上させることができます。あるいは、降圧コンバータを低ノイズのPWMモードで動作させることによって敏感なアプリケーションに対応できます。

昇降圧コンバータは連続導通動作を行うことにより、効率を最大限に向上させ、ノイズを最小限に抑えます。軽負荷時には、Burst Mode動作を使用することによって効率を改善します。

LTC3520はどちらのコンバータも、<1μAのシャットダウン・モードを備え、過温度シャットダウンを行います。LTC3520は高さの低い(0.75mm)24ピン4mm×4mm QFNパッケージで供給されます。


アプリケーション

  • 携帯用メディア・プレーヤ
  • デジタル・カメラ
  • ハンドヘルドPC、PDA
  • GPSレシーバ

LTC3520
1A昇降圧および600mA降圧の同期整流式コンバータ
3.3V at 500mA, 1.8V at 600mA and 1.5V at 200mA Converter Efficiency vs VIN Product Package 1
myAnalogに追加

myAnalogの製品セクション(通知受け取り)、既存/新規プロジェクトに製品を追加する。

新規プロジェクトを作成
質問する
サポート

アナログ・デバイセズのサポート・ページはアナログ・デバイセズへのあらゆるご質問にお答えするワンストップ・ポータルです。


ドキュメント

データシート

これは最新改訂バージョンのデータシートです。

さらに詳しく
myAnalogに追加

myAnalogのリソース・セクション、既存/新規プロジェクトにメディアを追加する。

新規プロジェクトを作成

ソフトウェア・リソース

必要なソフトウェア/ドライバが見つかりませんか?

ドライバ/ソフトウェアをリクエスト

ハードウェア・エコシステム

製品モデル 製品ライフサイクル 詳細
スイッチング・レギュレータ & コントローラ 1
LTC3880 新規設計に推奨 デジタル・パワー・システム・マネージメントを搭載したデュアル出力PolyPhase降圧DC/DCコントローラ
パワー・システム・マネージメント(PSM) & シーケンサ 1
LTC2974 新規設計に推奨 正確な出力電流測定を特長とする4チャンネルPMBusパワーシステム・マネージャ
監視回路 & リセットIC 1
LTC2935 製造中 パワーフェール出力付き、スレッショルドを選択可能な超低消費電力モニタ
Modal heading
myAnalogに追加

myAnalogの製品セクション(通知受け取り)、既存/新規プロジェクトに製品を追加する。

新規プロジェクトを作成

ツールおよびシミュレーション

LTspice


下記製品はLTspiceで使用することが出来ます。:

  • LTC3520
LTspice

LTspice®は、無料で提供される強力で高速な回路シミュレータと回路図入力、波形ビューワに改善を加え、アナログ回路のシミュレーションを容易にするためのモデルを搭載しています。

 


評価用キット

eval board
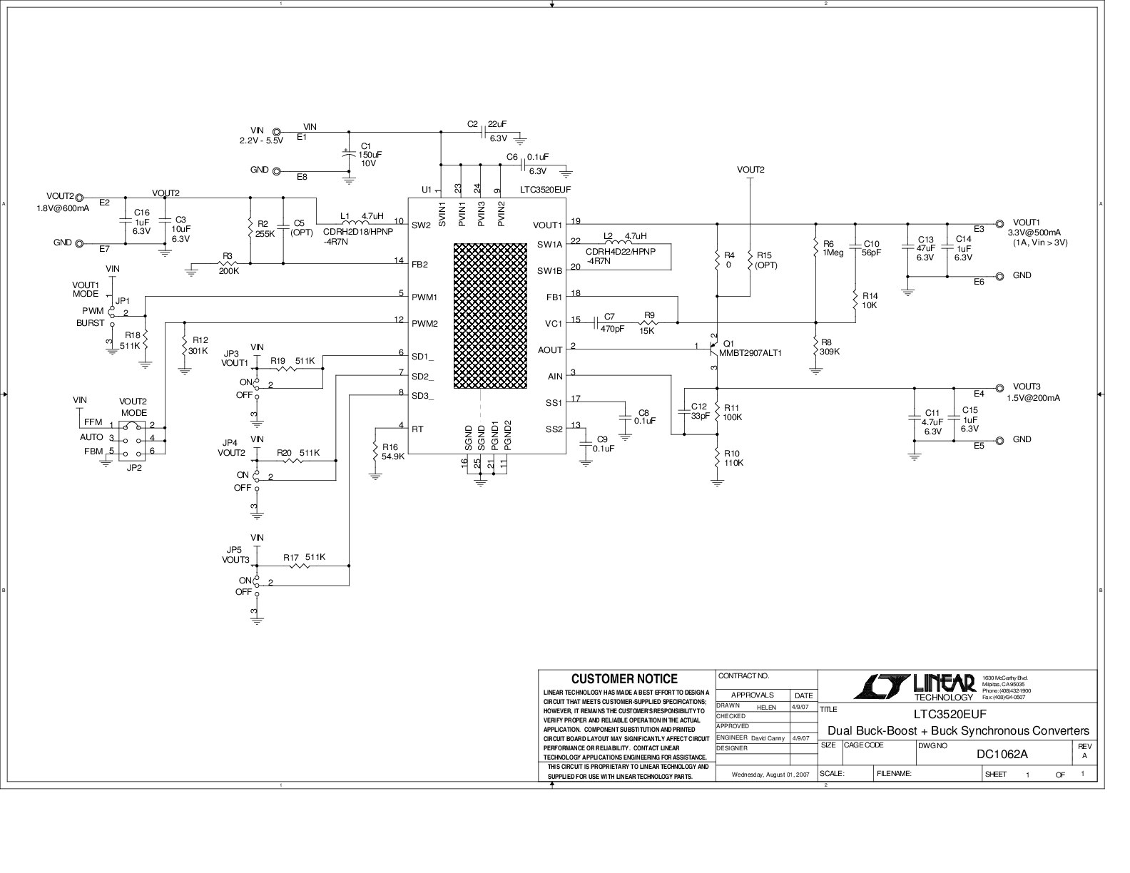
DC1062A

LTC3520EUF| Buck-Boost with 400mA Buck, VIN = 2.2V to 5.5V, VOUT1 = 3.3V @ 1A (BB), VOUT2 = 1.8V @ 0.6A, VOUT3 (LDO Post Regulator) = 1.5V @ 200mA

製品詳細

Demonstration circuit 1062 is a micropower synchronous buck-boost + buck converter based on the LTC3520. The DC1062 has an input voltage range of 2.2V to 5.5V and three output voltages: 3.3V @ up to 1A, 1.8V @ 600mA and 1.5V @ 200mA. The 1.5VOUT is an LDO regulator derived from either the 3.3VOUT or the 1.8VOUT.

DC1062A
LTC3520EUF| Buck-Boost with 400mA Buck, VIN = 2.2V to 5.5V, VOUT1 = 3.3V @ 1A (BB), VOUT2 = 1.8V @ 0.6A, VOUT3 (LDO Post Regulator) = 1.5V @ 200mA
DC1062A - Schematic

最新のディスカッション

LTC3520に関するディスカッションはまだありません。意見を投稿しますか?

EngineerZone®でディスカッションを始める

最近表示した製品