製品概要
製品概要
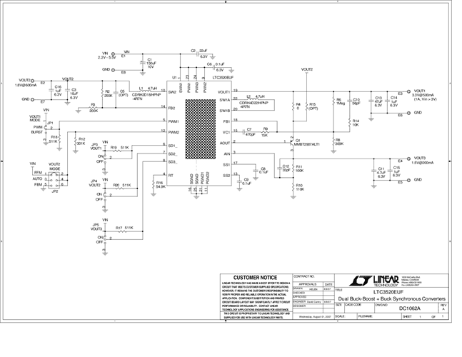
Demonstration circuit 1062 is a micropower synchronous buck-boost + buck converter based on the LTC3520. The DC1062 has an input voltage range of 2.2V to 5.5V and three output voltages: 3.3V @ up to 1A, 1.8V @ 600mA and 1.5V @ 200mA. The 1.5VOUT is an LDO regulator derived from either the 3.3VOUT or the 1.8VOUT.
対象となる製品
関連資料
-
DC1062A - Schematic2009/09/24PDF29K
-
DC1062A - Demo Manual2009/09/24PDF419K
-
DC1062A - Design File2009/09/24ZIP728K
