
Save time and deliver your solutions faster with ADI’s new suite of precision technology signal chains. Align your applications ranging from Smart Industry to Instrumentation, Electrification to Digital Health, to exactly the right precision technology combinations.
Tailor your signal chain with confidenceLT6604-5
新規設計に推奨デュアル低ノイズ差動アンプおよび5MHzローパス・フィルタ
- 製品モデル
- 4
- 1Ku当たりの価格
- 最低価格:$7.73
製品の詳細
- 5MHzローパス・フィルタ付きデュアル差動アンプ
- 4次フィルタ
- チェビシェフ応答を近似
- 位相と利得の整合を保証
- 抵抗で設定可能な微分利得
- 信号対ノイズ比(SNR):>82dB(3V電源、2VP-P出力)
- 低歪み(1MHz、2VP-P出力、800Ω負荷)
- HD2:93dBc
- HD3:96dBc
- 3V、5V、±5V電源での動作を規定
- 完全差動入出力
- 出力同相電圧を調整可能
- 4mm×7mm×0.75mmのQFNパッケージ
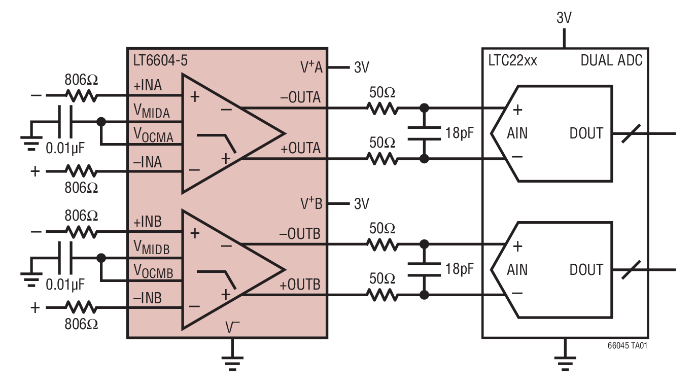
LT6604-5は、2個の整合した完全差動アンプから構成され、各アンプごとに4次5MHzローパス・フィルタを装備しています。固定周波数ローパス・フィルタはチェビシェフ応答を近似します。フィルタと差動アンプを内蔵することにより、歪みとノイズが極めて低くなります。ユニティ・ゲインで帯域内で測定された信号対ノイズ比は82dBで、非常に優れています。利得がさらに高い場合は、入力基準のノイズが減少するので、信号対ノイズ比を大幅に低下させることなく、より小さい入力差動信号を処理することができます。
利得と位相は2つのチャネル間で十分に整合されています。各チャネルの利得は2本の外付け抵抗で個別に設定されます。LT6604-5は調整可能な出力同相電圧を供給することによってレベルシフトを可能にするので、ADCに直接インターフェイスするのに最適です。LT6604-5は3V動作向けに完全に規定されています。差動設計により、単一3V電源で動作しながら2VP-Pの信号レベルで優れた性能を実現することができます。
関連する2.5MHz~20MHzローパス・フィルタ付きシングルおよびデュアル差動アンプの全体リストについては、このデータシートの最終ページをご覧ください。
アプリケーション
- デュアル差動ADCドライバおよびフィルタ
- シングルエンドから差動への変換
- 整合したデュアルの微分利得またはフィルタ段
- 差動信号の同相変換
- ワイヤレス・インフラストラクチャまたはネットワーク・アプリケーションでの高速ADCアンチエイリアシングとDACの平滑化
- 高速テストおよび計測機器
- 医療用画像処理
ドキュメント
データシート 2
信頼性データ 1
ユーザ・ガイド 1
技術記事 1
プレス・リリース 1
製品セレクタ・カード 1
製品モデル | ピン/パッケージ図 | 資料 | CADシンボル、フットプリント、および3Dモデル |
---|---|---|---|
LT6604CUFF-5#PBF | LFCSP:LEADFRM CHIP SCALE | ||
LT6604CUFF-5#TRPBF | LFCSP:LEADFRM CHIP SCALE | ||
LT6604IUFF-5#PBF | LFCSP:LEADFRM CHIP SCALE | ||
LT6604IUFF-5#TRPBF | LFCSP:LEADFRM CHIP SCALE |
これは最新改訂バージョンのデータシートです。
ソフトウェア・リソース
必要なソフトウェア/ドライバが見つかりませんか?
ドライバ/ソフトウェアをリクエストツールおよびシミュレーション
ADIsimRF
ADIsimRFは使いやすいRFシグナル・チェーン計算ツールです。最大50段までのシグナル・チェーンについて、カスケード・ゲイン、ノイズ、歪み、消費電力を計算し、プロット、エクスポートが可能です。ADIsimRFには、アナログ・デバイセズのRFおよびミックスド・シグナル部品のデバイス・モデルの広範なデータ・ベースも含まれています。
ツールを開くKeysight Genesys向けのSys-Parameterモデル
Sys-Parameterモデルは、デバイスの直線性と非直線性を明らかにするP1dB、IP3、ゲイン、ノイズ指数、リターン損失などの挙動パラメータを提供します。
ツールを開く評価用キット
最新のディスカッション
LT6604-5に関するディスカッションはまだありません。意見を投稿しますか?
EngineerZone®でディスカッションを始める