LT3845A

新規設計に推奨

動作周波数を調整可能な高電圧同期整流式電流モード降圧コントローラ

利用上の注意

本データシートの英語以外の言語への翻訳はユーザの便宜のために提供されるものであり、リビジョンが古い場合があります。最新の内容については、必ず最新の英語版をご参照ください。

なお、日本語版のデータシートは基本的に「Rev.0」(リビジョン0)で作成されています。そのため、英語版が後に改訂され、複数製品のデータシートがひとつに統一された場合、同じ「Rev.0」の日本語版のデータシートが異なる製品のデータシートとして表示されることがあります。たとえば、「ADM3307E」の場合、日本語データシートをクリックすると「ADM3311E」が表示されます。これは、英語版のデータシートが複数の製品で共有できるように1本化され、「ADM3307E/ADM3310E/ADM3311E/ADM3312E/ADM3315E」(Rev.J)と改訂されたからで、決して誤ってリンクが張られているわけではありません。和文化されたデータシートを少しでも有効に活用していただくためにこのような方法をとっておりますので、ご了解ください。

アナログ・デバイセズ社は、提供する情報が正確で信頼できるものであることを期していますが、その情報の利用に関して、あるいはその利用によって生じる第三者の特許やその他の権利の侵害に関して一切の責任を負いません。また、アナログ・デバイセズ社の特許または特許の権利の使用を明示的または暗示的に許諾するものでもありません。仕様は予告なしに変更する場合があります。本紙記載の商標および登録商標は、各社の所有に属します。

Viewing:

製品情報

  • 高電圧動作:最大60V
  • 最大600kHzまで同期可能
  • 調整可能な固定周波数:100kHz~500kHz
  • 出力電圧:最大36V
  • 電流制限時の安定動作
  • 適応型の非オーバーラップ回路により、スイッチのシュートスルーを防止
  • 不連続動作用の逆インダクタ電流禁止機能により、軽負荷時の効率が向上
  • プログラム可能なソフトスタート
  • 無負荷時の消費電流:120μA
  • シャットダウン時の消費電流:10μA
  • レギュレーション精度:1%
  • 標準ゲートNチャネル・パワーMOSFET
  • 逆過電流保護
  • 熱特性が改善された16ピンTSSOPパッケージ

LT3845Aは、中電力から高電力までの高効率電源に使用される高電圧、同期整流式、電流モード・コントローラです。このデバイスは4V~60Vの広い入力電圧範囲(最小起動電圧は7.5V)で動作します。内蔵のレギュレータはVINから直接デバイスに電力を供給することによってバイアス要件を簡素化します。

LT3845Aは、消費電流を120μAに低減して軽負荷時に高効率を維持するBurst Mode®動作機能を搭載しています。また、不連続動作をサポートする逆インダクタ電流禁止機能により、軽負荷時の効率が向上します。

調整可能な固定動作周波数は外部クロックに同期可能なので、ノイズに敏感なアプリケーションに対応できます。さらに、大型NチャネルMOSFETをドライブできるゲート・ドライバ、高精度の低電圧ロックアウト機能、10μAのシャットダウン電流、短絡保護、プログラム可能なソフトスタートなどを特長としています。

LT3845Aは熱特性が改善された16ピンTSSOPパッケージで供給されます。

  Features
LT3845 -
LT3845A Improved Performance In Over Current Conditions

アプリケーション

  • 12Vおよび42Vの車載機器および重機
  • 48Vテレコム電源
  • アビオニクスおよび産業用制御システム
  • 配電コントローラ

LT3845A
動作周波数を調整可能な高電圧同期整流式電流モード降圧コントローラ
High Voltage Step-Down Regulator 48V to 12V at 75W Efficiency and Power Loss  vs Load Current Product Package 1
myAnalogに追加

myAnalogの製品セクション(通知受け取り)、既存/新規プロジェクトに製品を追加する。

新規プロジェクトを作成
質問する
サポート

アナログ・デバイセズのサポート・ページはアナログ・デバイセズへのあらゆるご質問にお答えするワンストップ・ポータルです。


ドキュメント

データシート

これは最新改訂バージョンのデータシートです。

さらに詳しく
myAnalogに追加

myAnalogのリソース・セクション、既存/新規プロジェクトにメディアを追加する。

新規プロジェクトを作成

ソフトウェア・リソース

必要なソフトウェア/ドライバが見つかりませんか?

ドライバ/ソフトウェアをリクエスト

ハードウェア・エコシステム

製品モデル 製品ライフサイクル 詳細
スイッチング・レギュレータ & コントローラ 1
LTC3880 新規設計に推奨 デジタル・パワー・システム・マネージメントを搭載したデュアル出力PolyPhase降圧DC/DCコントローラ
回路モニタ 2
LTC2960 新規設計に推奨 36Vナノ電流2入力電圧モニタ
LT2940 製造中 電力・電流モニタ
保護スイッチ & コントローラ 1
LTC4364 新規設計に推奨 理想ダイオードを備えたサージ・ストッパー
Modal heading
myAnalogに追加

myAnalogの製品セクション(通知受け取り)、既存/新規プロジェクトに製品を追加する。

新規プロジェクトを作成

ツールおよびシミュレーション

LTspice 2


下記製品はLTspiceで使用することが出来ます。:

  • LT3845
  • LT3845A

LTpowerCAD

次のデバイス用の設計ツールがLTpowerCADでご使用になれます。

  • LT3845
  • LT3845A
LTspice

LTspice®は、無料で提供される強力で高速な回路シミュレータと回路図入力、波形ビューワに改善を加え、アナログ回路のシミュレーションを容易にするためのモデルを搭載しています。

 


評価用キット

eval board
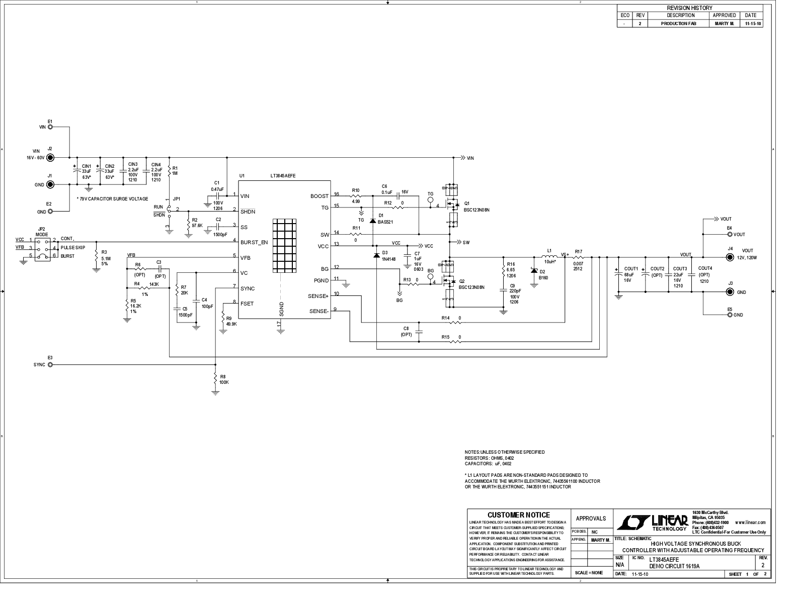
DC1619A

LT3845AEFE Demo Board | 16V ≤ VIN ≤ 60V, VOUT = 12V @ 10A

製品詳細

Demonstration Circuit 1619A is a 100kHz to 500kHz programmable frequency, high voltage, current mode DC/DC step-down converter featuring the LT3845A. The operating frequency can be synchronized up to 600kHz. This demo board is designed for 12V output at up to 10A (120W) from a 16V to 60V input.

DC1619A
LT3845AEFE Demo Board | 16V ≤ VIN ≤ 60V, VOUT = 12V @ 10A
DC1619A Demo Board DC1619A Demo Board DC1619A Demo Board DC1619A Demo Board DC1619A - Schematic

最新のディスカッション

最近表示した製品