LT3682

製造中

1Aマイクロパワー降圧スイッチング・レギュレータ

利用上の注意

本データシートの英語以外の言語への翻訳はユーザの便宜のために提供されるものであり、リビジョンが古い場合があります。最新の内容については、必ず最新の英語版をご参照ください。

なお、日本語版のデータシートは基本的に「Rev.0」(リビジョン0)で作成されています。そのため、英語版が後に改訂され、複数製品のデータシートがひとつに統一された場合、同じ「Rev.0」の日本語版のデータシートが異なる製品のデータシートとして表示されることがあります。たとえば、「ADM3307E」の場合、日本語データシートをクリックすると「ADM3311E」が表示されます。これは、英語版のデータシートが複数の製品で共有できるように1本化され、「ADM3307E/ADM3310E/ADM3311E/ADM3312E/ADM3315E」(Rev.J)と改訂されたからで、決して誤ってリンクが張られているわけではありません。和文化されたデータシートを少しでも有効に活用していただくためにこのような方法をとっておりますので、ご了解ください。

アナログ・デバイセズ社は、提供する情報が正確で信頼できるものであることを期していますが、その情報の利用に関して、あるいはその利用によって生じる第三者の特許やその他の権利の侵害に関して一切の責任を負いません。また、アナログ・デバイセズ社の特許または特許の権利の使用を明示的または暗示的に許諾するものでもありません。仕様は予告なしに変更する場合があります。本紙記載の商標および登録商標は、各社の所有に属します。

Viewing:

製品情報

  • 広い入力範囲:
    • 3.6V~36V動作
    • 過電圧ロックアウトにより、60Vまでの過渡電圧に対してデバイスを保護
  • 出力電流:1A
  • 低リップルのBurst Mode®動作
    • 12VINから3.3VOUTへ変換時 I=75μA
    • 出力リップル<15mVP-P
  • 調整可能なスイッチング周波数:250kHz~2.2MHz
  • 短絡保護
  • 300kHz~2.2MHz範囲で同期可能
  • 帰還リファレンス電圧:0.8V
  • 出力電圧:0.8V~20V
  • ソフトスタート機能
  • パワーグッド・フラグ
  • 熱特性が改善された3mm×3mmの小型12ピンDFNパッケージ

LT3682は、36Vまでの入力電圧を使用可能な可変周波数(250kHz~2.2MHz)モノリシック降圧スイッチング・レギュレータです。高効率の0.5Ωスイッチに加え、昇圧ダイオード、必要な発振器、制御回路、ロジック回路を1個のチップに搭載しています。電流モード方式を採用することにより、高速過渡応答を実現し、優れたループ安定性が得られます。また、SYNCピンにより、デバイスを外部クロックに同期化可能で、低リップルBurst Mode動作と標準のPWM動作のいずれかを選択できます。

低リップルBurst Mode動作は、標準的なアプリケーションにおいて出力リップルを15mV以下に保ちながら、低出力電流で高効率を維持します。シャットダウンによって消費電流を1μA以下まで低減するとともに、RUN/SSピンの抵抗とコンデンサによって出力電圧ランプを制御します(ソフトスタート)。パワーグッド・フラグは、VOUTが設定された出力電圧の90%に達したことを知らせます。保護回路はパワースイッチと外付けショットキー・キャッチ・ダイオードを流れる電流を検知して、デバイスが短絡状態になるのを防ぎます。また、周波数フォールドバックとサーマル・シャットダウンにより、さらにデバイスを保護します。

LT3682は露出パッド付きの12ピン3mm×3mm DFNパッケージで供給されるので、熱抵抗を低く抑えることができます。


アプリケーション

  • 車載バッテリの安定化
  • 車載エンターテインメント・システム
  • 産業用電源
  • 携帯機器の電源
  • 分配電源の安定化

LT3682
1Aマイクロパワー降圧スイッチング・レギュレータ
5V Step-Down Converter Efficiency Product Package 1
myAnalogに追加

myAnalogの製品セクション(通知受け取り)、既存/新規プロジェクトに製品を追加する。

新規プロジェクトを作成
質問する
サポート

アナログ・デバイセズのサポート・ページはアナログ・デバイセズへのあらゆるご質問にお答えするワンストップ・ポータルです。


ドキュメント

データシート

これは最新改訂バージョンのデータシートです。

さらに詳しく
myAnalogに追加

myAnalogのリソース・セクション、既存/新規プロジェクトにメディアを追加する。

新規プロジェクトを作成

ソフトウェア・リソース

必要なソフトウェア/ドライバが見つかりませんか?

ドライバ/ソフトウェアをリクエスト

ハードウェア・エコシステム

製品モデル 製品ライフサイクル 詳細
パワー・システム・マネージメント(PSM) & シーケンサ 1
LTC2974 新規設計に推奨 正確な出力電流測定を特長とする4チャンネルPMBusパワーシステム・マネージャ
発振器 1
LTC6908 スペクトル拡散変調付き抵抗設定SOT-23発振器
保護スイッチ & コントローラ 2
LTC4359 新規設計に推奨 逆入力保護機能を備えた理想ダイオード・コントローラ
LT4363 新規設計に推奨 電流制限付き高電圧サージ・ストッパー
Modal heading
myAnalogに追加

myAnalogの製品セクション(通知受け取り)、既存/新規プロジェクトに製品を追加する。

新規プロジェクトを作成

ツールおよびシミュレーション

LTspice 1


下記製品はLTspiceで使用することが出来ます。:

  • LT3682
LTspice

LTspice®は、無料で提供される強力で高速な回路シミュレータと回路図入力、波形ビューワに改善を加え、アナログ回路のシミュレーションを容易にするためのモデルを搭載しています。

 


評価用キット

eval board
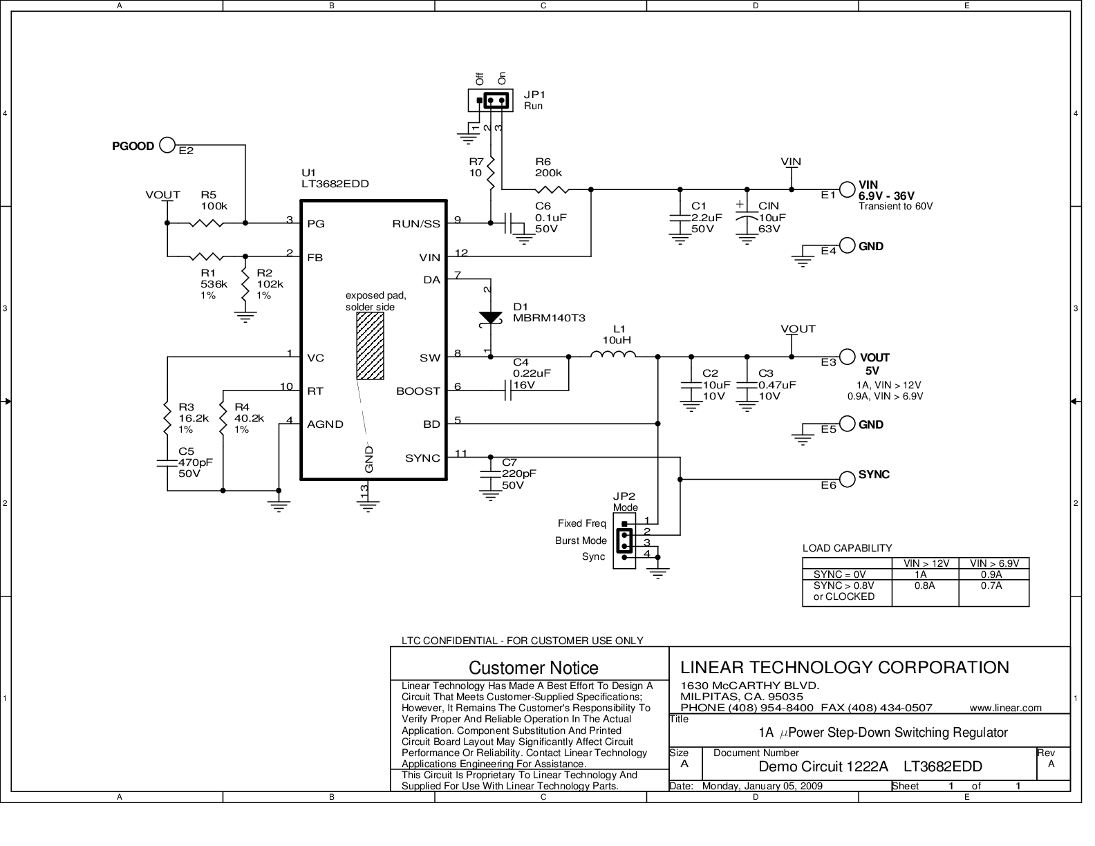
DC1222A

LT3682EDD Demo Board | 6.9V ≤ VIN ≤ 36V (60V Transients), VOUT = 5V @ 2A

製品詳細

Demonstration circuit 1222 is a monolithic stepdown DC/DC switching regulator featuring the LT3682. The demo board is designed for 5V at 1A (VIN > 12V) from a 6.9V to 36V input, with transients up to 60V.


 


DC1222A
LT3682EDD Demo Board | 6.9V ≤ VIN ≤ 36V (60V Transients), VOUT = 5V @ 2A
DC1222A - Schematic

最新のディスカッション

LT3682に関するディスカッションはまだありません。意見を投稿しますか?

EngineerZone®でディスカッションを始める

最近表示した製品