製品概要
製品概要
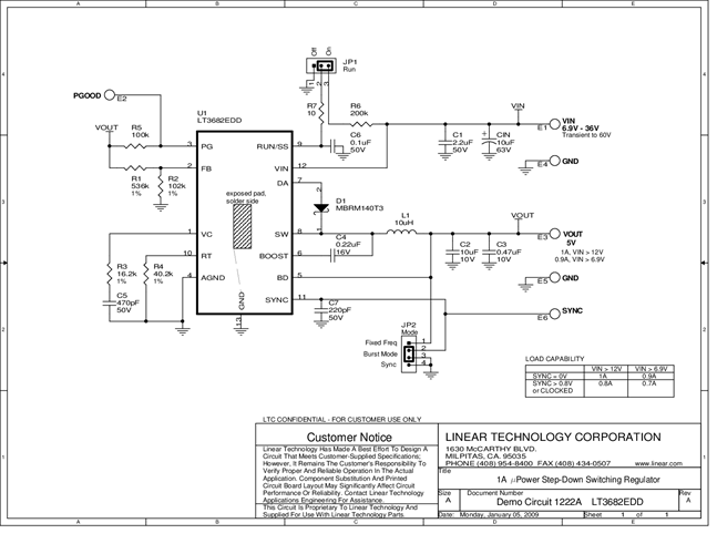
Demonstration circuit 1222 is a monolithic stepdown DC/DC switching regulator featuring the LT3682. The demo board is designed for 5V at 1A (VIN > 12V) from a 6.9V to 36V input, with transients up to 60V.
対象となる製品
関連資料
-
DC1222A - Schematic2009/09/24PDF24K
-
DC1222A - Demo Manual2009/09/24PDF608K
-
DC1222A - Design File2009/09/24ZIP508K
