LT1571

製造中

プリセット電圧および終了フラグ付き定電流/定電圧バッテリ・チャージャ

利用上の注意

本データシートの英語以外の言語への翻訳はユーザの便宜のために提供されるものであり、リビジョンが古い場合があります。最新の内容については、必ず最新の英語版をご参照ください。

なお、日本語版のデータシートは基本的に「Rev.0」(リビジョン0)で作成されています。そのため、英語版が後に改訂され、複数製品のデータシートがひとつに統一された場合、同じ「Rev.0」の日本語版のデータシートが異なる製品のデータシートとして表示されることがあります。たとえば、「ADM3307E」の場合、日本語データシートをクリックすると「ADM3311E」が表示されます。これは、英語版のデータシートが複数の製品で共有できるように1本化され、「ADM3307E/ADM3310E/ADM3311E/ADM3312E/ADM3315E」(Rev.J)と改訂されたからで、決して誤ってリンクが張られているわけではありません。和文化されたデータシートを少しでも有効に活用していただくためにこのような方法をとっておりますので、ご了解ください。

アナログ・デバイセズ社は、提供する情報が正確で信頼できるものであることを期していますが、その情報の利用に関して、あるいはその利用によって生じる第三者の特許やその他の権利の侵害に関して一切の責任を負いません。また、アナログ・デバイセズ社の特許または特許の権利の使用を明示的または暗示的に許諾するものでもありません。仕様は予告なしに変更する場合があります。本紙記載の商標および登録商標は、各社の所有に属します。

Viewing:

製品情報

  • リチウムイオン、NiMH、およびNiCdバッテリの急速充電 
  • 1本の安価な1/32W抵抗しか必要としない、簡単な充電電流のプログラミング 
  • 最大充電電流1.5Aの高効率チャージャ 
  • 高精度0.6%内部電圧リファレンス 
  • プリセット・バッテリ電圧:4.1V、4.2V、8.2V、8.4V 
  • 500kHzまたは200kHzのスイッチング周波数によりチャージャの小型化が可能 
  • 低逆バッテリ流入電流:5μA 
  • フラグによりリチウムイオンの充電終了を通知 
  • 標準5%の充電電流精度 
  • 低シャットダウン電流 

LT1571 PWMバッテリ・チャージャは、定電流/定電圧を使用したリチウムイオン(Li-Ion)、ニッケル金属水素化物(NiMH)、ニッケルカドミウム(NiCd)などの高速充電式バッテリに対する最も単純かつ効率的なソリューションです。内部スイッチは、1.5Aの直流電流(最大電流2A)を供給することができます。内蔵電流センス抵抗(0.1Ω)により、低コストの外部抵抗を使用して、5%以下の精度で、簡単な充電電流のプログラミングが可能です。

定電圧出力は、0.6%の精度で1セルあたり4.1Vまたは4.2Vに選択できます。

LT1571は1Vから20Vまでのバッテリを充電できます。動作周波数200kHz(LT1571-1、LT1571-2)または 500kHz(LT1571-5)の飽和スイッチにより、充電効率の向上とチャージャ・サイズの小型化が可能になります。充電電流がプログラムされた値の20%に低下すると、ロジック出力(フラグ)はリチウムイオンが完全な充電状態に近いことを示します。LT1571-1とLT1571-2は、28ピンのヒューズド・リード細型SSOPパワー・パッケージで供給されます。LT1571-5は16ピンのヒューズド・リード細型SSOPパワー・パッケージで供給されます。 


アプリケーション

  • セルラー電話、PDA、ノートブック・コンピュータ、携帯計器 
  • Li-Ion、NiCd、NiMH、および鉛蓄電池の再充電可能なバッテリの据え置きチャージャ 

LT1571
プリセット電圧および終了フラグ付き定電流/定電圧バッテリ・チャージャ
Figure 1. Compact Li-Ion Cellular Phone Charger (0.8A) Product Package 1 Product Package 2 Product Package 3
myAnalogに追加

myAnalogの製品セクション(通知受け取り)、既存/新規プロジェクトに製品を追加する。

新規プロジェクトを作成
質問する
サポート

アナログ・デバイセズのサポート・ページはアナログ・デバイセズへのあらゆるご質問にお答えするワンストップ・ポータルです。


ドキュメント

データシート

これは最新改訂バージョンのデータシートです。

さらに詳しく
myAnalogに追加

myAnalogのリソース・セクション、既存/新規プロジェクトにメディアを追加する。

新規プロジェクトを作成

ソフトウェア・リソース

必要なソフトウェア/ドライバが見つかりませんか?

ドライバ/ソフトウェアをリクエスト

ハードウェア・エコシステム

製品モデル 製品ライフサイクル 詳細
バッテリ・モニタ & 残量ゲージ 1
LTC2942-1 製造中止 センス抵抗内蔵、温度および電圧測定付き1Aバッテリ・ガスゲージ
回路モニタ 1
LTC2960 新規設計に推奨 36Vナノ電流2入力電圧モニタ
保護スイッチ & コントローラ 2
LTC4365 新規設計に推奨 低電圧、過電圧および逆電源保護コントローラ
LTC2953 新規設計に推奨 電圧モニタ付きプッシュボタン・オン/オフ・コントローラ
Modal heading
myAnalogに追加

myAnalogの製品セクション(通知受け取り)、既存/新規プロジェクトに製品を追加する。

新規プロジェクトを作成

評価用キット

eval board
DC281A

LT1571CGN-5 | Li-Ion Battery Charger, Jumper Selectable. 4.1 or 4.2V

製品詳細

DC281A: Demo Board for the LT1571 Constant-Current/Constant-Voltage Battery Charger with Preset Voltage and Termination Flag.

eval board
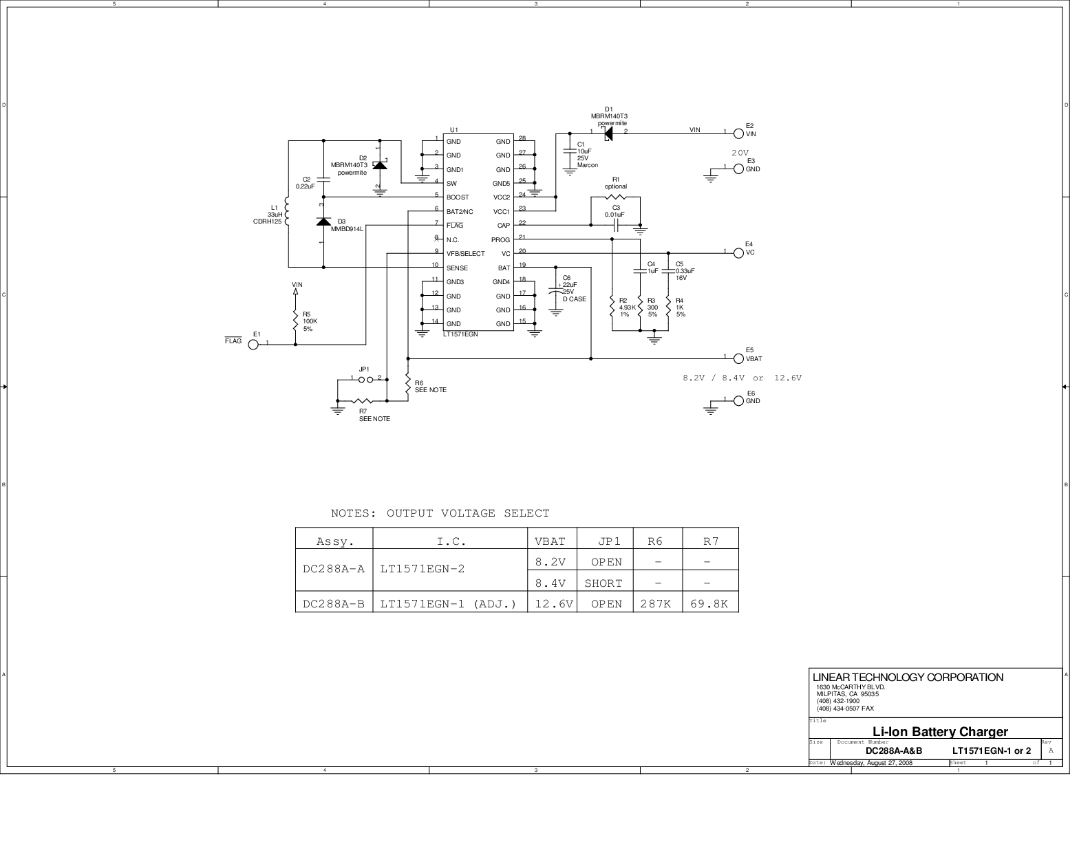
DC288A-B

LT1571EGN-1 | Li-Ion Battery Charger, 15.6V to 25V Input, 12.6V or Adjustable. Output @ 1A

製品詳細

DC288A-B: Demo Board for the LT1571 Constant-Current/Constant-Voltage Battery Charger with Preset Voltage and Termination Flag.

eval board
DC288A-A

LT1571EGN-2 | Li-Ion Battery Charger, 12V to 25V Input, 8.2V or 8.4VOUT @ 1A

製品詳細

DC288A-A: Demo Board for the LT1571 Constant-Current/Constant-Voltage Battery Charger with Preset Voltage and Termination Flag.

DC281A
LT1571CGN-5 | Li-Ion Battery Charger, Jumper Selectable. 4.1 or 4.2V
DC281A - Schematic
DC288A-B
LT1571EGN-1 | Li-Ion Battery Charger, 15.6V to 25V Input, 12.6V or Adjustable. Output @ 1A
DC288A-A - Schematic
DC288A-A
LT1571EGN-2 | Li-Ion Battery Charger, 12V to 25V Input, 8.2V or 8.4VOUT @ 1A
DC288A-A - Schematic

最新のディスカッション

LT1571に関するディスカッションはまだありません。意見を投稿しますか?

EngineerZone®でディスカッションを始める

最近表示した製品