ADRV9026

新規設計に推奨

内蔵のオブザベーション・パス付きクワッドRFトランシーバー

利用上の注意

本データシートの英語以外の言語への翻訳はユーザの便宜のために提供されるものであり、リビジョンが古い場合があります。最新の内容については、必ず最新の英語版をご参照ください。

なお、日本語版のデータシートは基本的に「Rev.0」(リビジョン0)で作成されています。そのため、英語版が後に改訂され、複数製品のデータシートがひとつに統一された場合、同じ「Rev.0」の日本語版のデータシートが異なる製品のデータシートとして表示されることがあります。たとえば、「ADM3307E」の場合、日本語データシートをクリックすると「ADM3311E」が表示されます。これは、英語版のデータシートが複数の製品で共有できるように1本化され、「ADM3307E/ADM3310E/ADM3311E/ADM3312E/ADM3315E」(Rev.J)と改訂されたからで、決して誤ってリンクが張られているわけではありません。和文化されたデータシートを少しでも有効に活用していただくためにこのような方法をとっておりますので、ご了解ください。

アナログ・デバイセズ社は、提供する情報が正確で信頼できるものであることを期していますが、その情報の利用に関して、あるいはその利用によって生じる第三者の特許やその他の権利の侵害に関して一切の責任を負いません。また、アナログ・デバイセズ社の特許または特許の権利の使用を明示的または暗示的に許諾するものでもありません。仕様は予告なしに変更する場合があります。本紙記載の商標および登録商標は、各社の所有に属します。

Viewing:

製品情報

  • 差動トランスミッタ4個
  • 差動レシーバー4個
  • 2入力のオブザベーション・レシーバー各2個
  • センター周波数:75MHz~6000MHz
  • レシーバー最大帯域幅:200MHz
  • トランスミッタ大信号最大帯域幅:200MHz
  • トランスミッタ・シンセシス最大帯域幅:450MHz
  • オブザベーション・レシーバー最大帯域幅:450MHz
  • 独立したフラクショナルN無線周波数シンセサイザをすべて内蔵
  • クロック・シンセサイザをすべて内蔵
  • すべての局部発振器およびベースバンド・クロック用マルチチップ位相同期
  • TDDアプリケーションおよびFDDアプリケーションをサポート
  • 24.33Gbps JESD204B/JESD204Cデジタル・インターフェース

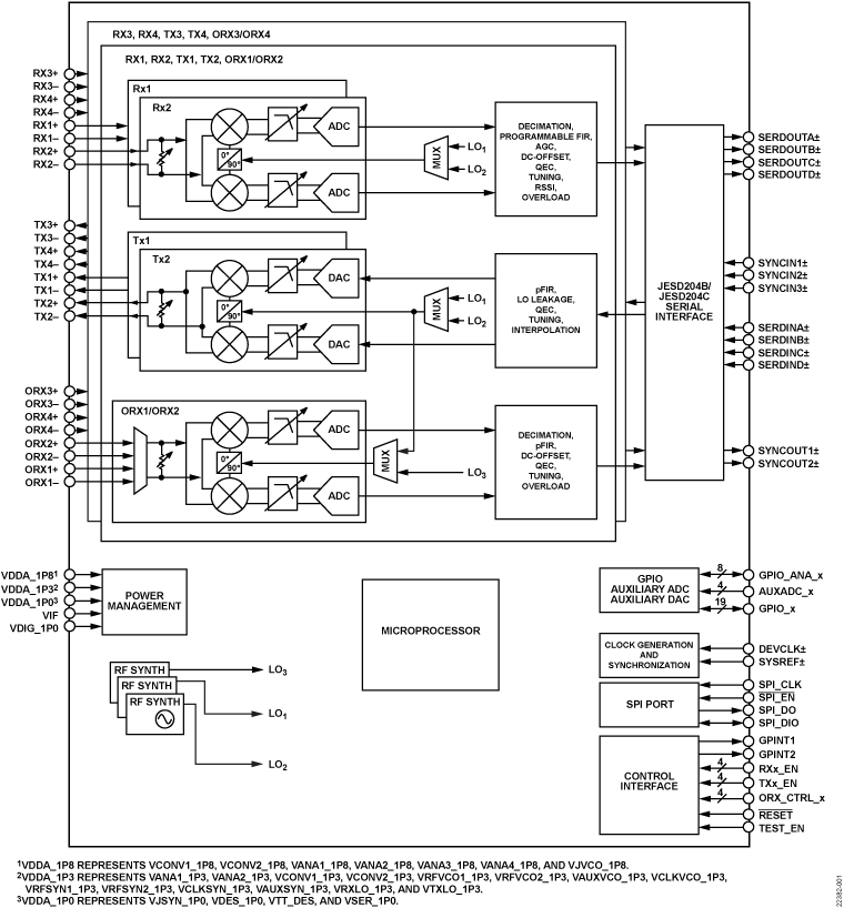
ADRV9026は、高度に統合化された無線周波数(RF)のアジャイル・トランシーバーです。個別に制御可能なトランスミッタ4個、各トランスミッタ・チャンネル監視専用のオブザベーション・レシーバー入力、個別に制御可能なレシーバー4個、内蔵シンセサイザ、デジタル信号処理回路を搭載し、フル機能のトランシーバー・ソリューションを提供します。また、スモール・セル基地局無線、マクロ3G/4G/5Gシステム、MIMO(Massive Multiple Input Multiple Output)基地局などのセルラ・インフラストラクチャ・アプリケーションに必要な性能を発揮します。

レシーバー・サブシステムには、幅広いダイナミック・レンジを持つ独立した4つの広帯域幅ダイレクト・コンバージョン・レシーバーが搭載されています。4つの独立したトランスミッタはダイレクト・コンバージョン変調器を使用しているため、動作時のノイズと消費電力を低減できます。また、各トランスミッタ出力を監視するための2つの入力を備えた広帯域幅の時間共有オブザベーション・パス・レシーバーを2つ含みます。

全機能内蔵型トランシーバー・サブシステムは、自動および手動の減衰制御、DCオフセット補正回路、直交誤差補正回路(QEC)、およびデジタル・フィルタリングを内蔵しているため、デジタル・ベースバンドにこれらの機能は不要です。また、多数のデジタル制御オプションを提供するA/Dコンバータ(ADC)、D/Aコンバータ(DAC)、汎用入出力(GPIO)などの補助機能も搭載しています。

高レベルのRF性能を実現するため、トランシーバーには、全機能内蔵のフェーズ・ロック・ループ(PLL)が5個搭載されています。PLLのうち2個は、トランスミッタとレシーバー信号パスに対して低ノイズで低消費電力のフラクショナルN-RF周波数シンセシスを提供します。1個は、オブザベーション・レシーバー用の独立した局部発振器(LO)モードをサポートしています。残りの2個のうち片方はコンバータとデジタル回路に必要なクロックを発生させ、もう片方はシリアル・データ・インターフェース用のクロックを発生させます。

マルチチップ同期メカニズムは、複数のADRV9026チップ間ですべての局部発振器(LO)とベースバンド・クロックの位相を同期します。また、すべての電圧制御発振器(VCO)とループ・フィルタの構成要素が内蔵されており、デジタル制御インターフェースで調節できます。

シリアル・データ・インターフェースは、4つのシリアライザ・レーンと4つのデシリアライザ・レーンで構成されています。最大24.33Gbpsのデータ・レートで動作するJESD204B規格およびJESD204C規格の両方をサポートしています。また、低帯域幅用にインターリーブ・モードをサポートすることで、高速データ・インターフェース・レーン数を1個に削減しています。データ・フォーマットは、固定小数点と浮動小数点両方をサポートしています。浮動小数点フォーマットを選択すると、内部自動ゲイン制御(AGC)が復調器デバイスから見られなくなります。

ADRV9026は1.0V、1.3V、1.8Vのレギュレータから直接給電し、標準シリアル・ペリフェラル・インターフェース(SPI)のシリアル・ポートで制御できます。また、包括的パワーダウン・モードが搭載されているため、通常使用の消費電力を最小化できます。ADRV9026は、14mm × 14mm、289ボールのチップ・スケール・ボール・グリッド・アレイ(CSP_BGA)パッケージを採用しています。

アプリケーション

  • 3G/4G/5G TDDおよびFDD Massive MIMO、マクロ・セルおよびスモール・セル基地局

ADRV9026
内蔵のオブザベーション・パス付きクワッドRFトランシーバー
ADRV9026 Functional Block Diagram ADRV9026 Pin Configuration
myAnalogに追加

myAnalogの製品セクション(通知受け取り)、既存/新規プロジェクトに製品を追加する。

新規プロジェクトを作成
質問する
サポート

アナログ・デバイセズのサポート・ページはアナログ・デバイセズへのあらゆるご質問にお答えするワンストップ・ポータルです。


ドキュメント

さらに詳しく
myAnalogに追加

myAnalogのリソース・セクション、既存/新規プロジェクトにメディアを追加する。

新規プロジェクトを作成

ソフトウェア・リソース


ツールおよびシミュレーション

設計ツール 1

ADIsimRF

ADIsimRFは使いやすいRFシグナル・チェーン計算ツールです。最大50段までのシグナル・チェーンについて、カスケード・ゲイン、ノイズ、歪み、消費電力を計算し、プロット、エクスポートが可能です。ADIsimRFには、アナログ・デバイセズのRFおよびミックスド・シグナル部品のデバイス・モデルの広範なデータ・ベースも含まれています。

ツールを開く

評価用キット

eval board
EVAL-ADRV9026

ADRV9026評価用ボード

機能と利点

  • フル機能の評価用ADRV9026無線カード
    • ADRV9026-HB/PCBZ(帯域幅2.8GHz~6GHz用)
    • ADRV9026-MB/PCBZ(帯域幅650MHz~2.8GHz用)
    • ADRV9026-MB/PCBZ(帯域幅75MHz~1000MHz用)
  • 4 × 4広帯域RFトランシーバー・プラットフォーム(650MHz~6GHzの周波数範囲で動作)
  • 個別のパワー・ドーター・カードにより、高効率電源ソリューションを実現するリファレンス設計が可能
  • FPGAマザーボード(ADS9-V2EBZ)へのFMCコネクタ
  • 回路図、レイアウト、部品表、API、評価用ソフトウェアを含む

製品詳細

ADRV9026無線カードは、クワッド・チャンネル広帯域RFトランシーバーADRV9026をご紹介するために設計された無線カードです。この無線カードを使用すると、デバイス評価用の4 × 4トランシーバー・プラットフォームを使用できます。独立した高効率電源回路ボードや高性能クロッキング・ソリューションなど、この無線カードの動作に必要なペリフェラルはすべて無線ボードに搭載されています。無線カードの1つをFMCコネクタでFPGAマザーボードADS9-V2EBZに接続すれば、全機能内蔵型ADRV9026評価用プラットフォームの完成です。ADRV9026評価用キットはADRV9010の性能評価にも使用できます。

eval board
ADS9-V2EBZ

ADS9-V2EBZ評価用ボード

機能と利点

Xilinx Kintex Ultrascale+ XCKU15P-2FFVE1517E FPGA。

  • FMC+コネクタ1個。
  • 1個のFMC+コネクタで20個の28Gbpsトランシーバーをサポート。
  • HMC DRAM
  • シンプルなUSB 3.0ポート・インターフェース。
  • microSDカード2枚(「TRX」:ADRV9026評価用ボード、「HSX」:ミックスド・シグナル・フロントエンド™評価用ボード )。

製品詳細

ADS9-V2EBZは、指定のアナログ・デバイセズ高速コンバータ評価用ボードに接続するとデータのキャプチャ/送信ボードとして機能します。最高速のJESD204B/C データ・コンバータをサポートするように設計されたADS9-V2EBZのFPGAは、高速ADCのデータ・レシーバーとしてだけでなく、高速DACのトランスミッタとしても動作します。

EVAL-ADRV9026
ADRV9026評価用ボード
ADRV9029 Evaluation Board - Angle View ADRV9029 Evaluation Board - Top View ADRV9029 Evaluation Board - Bottom View
ADS9-V2EBZ
ADS9-V2EBZ評価用ボード
ADS9-V2EBZANGLE-web ADS9-V2EBZBOTTOM-web ADS9-V2EBZTOP-web

最新のディスカッション

最近表示した製品