AD9517-1

新規設計に推奨

クロック・ジェネレータ、12出力、2.5GHzのVCO内蔵

利用上の注意

本データシートの英語以外の言語への翻訳はユーザの便宜のために提供されるものであり、リビジョンが古い場合があります。最新の内容については、必ず最新の英語版をご参照ください。

なお、日本語版のデータシートは基本的に「Rev.0」(リビジョン0)で作成されています。そのため、英語版が後に改訂され、複数製品のデータシートがひとつに統一された場合、同じ「Rev.0」の日本語版のデータシートが異なる製品のデータシートとして表示されることがあります。たとえば、「ADM3307E」の場合、日本語データシートをクリックすると「ADM3311E」が表示されます。これは、英語版のデータシートが複数の製品で共有できるように1本化され、「ADM3307E/ADM3310E/ADM3311E/ADM3312E/ADM3315E」(Rev.J)と改訂されたからで、決して誤ってリンクが張られているわけではありません。和文化されたデータシートを少しでも有効に活用していただくためにこのような方法をとっておりますので、ご了解ください。

アナログ・デバイセズ社は、提供する情報が正確で信頼できるものであることを期していますが、その情報の利用に関して、あるいはその利用によって生じる第三者の特許やその他の権利の侵害に関して一切の責任を負いません。また、アナログ・デバイセズ社の特許または特許の権利の使用を明示的または暗示的に許諾するものでもありません。仕様は予告なしに変更する場合があります。本紙記載の商標および登録商標は、各社の所有に属します。

Viewing:

製品情報

  • 低位相ノイズ、フェーズ・ロック・ループ(PLL)
    内蔵VCOのチューニング範囲2.30GHz~2.65GHz
  • オプションの外付けVCO / VCXO(最大2.4GHz)
  • 1個の差動 / 2個のシングルエンド・リファレンス入力
  • リファレンス監視機能
  • 自動および手動のリファレンス切替え/ホールドオーバー・モード
  • 最大250MHzのLVPECL、LVDS、またはCMOSリファレンスが入力可能
  • PFDへのパスのプログラマブルな遅延
  • デジタルまたはアナログのロック検出(選択可能)
  • 2ペアの800MHz LVDSクロック出力
  • 各LVDS出力は2つの250MHz CMOS出力として再構成可能
  • 1.6GHzのLVPECL出力の2つのペア
    各ペアでコース位相遅延を設定できる1~32分周器を共用
    追加出力ジッタ:225fs rms
    チャンネル間スキュー・ペア出力:<10ps
  • 2ペアの800MHz LVDSクロック出力
    各ペアでカスケード接続された2個の1~32分周器(コース位相遅延が設定可能)を共用
    追加出力ジッタ:275fs rms
    各LVDS出力のファイン遅延調整(ΔT)
  • 電源投入時にすべての出力が自動同期
  • 手動出力同期が可能
  • 48ピンLFCSPで供給

AD9517-1*は、ピコ秒以下のジッタ性能のマルチ出力クロック分配機能を備えており、PLLとVCOを内蔵しています。VCOのチューニング周波数レンジは2.30~2.65GHzです。オプションとして、外付けのVCO / VCXO(最大2.4GHz)を使用できます。

AD9517-1は、低ジッタと低位相ノイズに重点を置き、データ・コンバータの性能を最大限に高めます。位相ノイズ / ジッタ条件の厳しいその他のアプリケーションでも、このデバイスが役に立ちます。

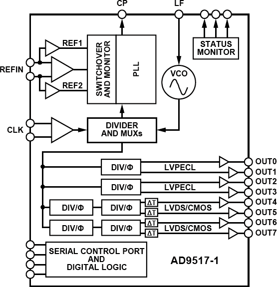
AD9517-1には、4つのLVPECL出力(2つのペア)、4つのLVDS出力(2つのペア)が備わっています。各LVDS出力は2つのCMOS出力として再構成することができます。LVPECL出力は1.6GHzまで、LVDS出力は800MHzまで、CMOS出力は250MHzまで動作します。

追加の出力、クリスタル・リファレンス入力、遅延ゼロまたはスタートアップ時の自動構成するためのEEPROM、を必要とするアプリケーションのためにはAD9520とAD9522を使うことが可能となります。更にAD9516とAD9518はAD9517と同等ICですが、異なる組み合わせの出力を備えています。

それぞれの出力ペアには分周器があり、分周比とコース遅延(または位相)の両方を設定できます。LVPECL出力の分周比の指定範囲は1~32です。LVDS / CMOS出力では、最大1024までの分周比を設定できます。

AD9517-1は48ピンLFCSPを採用しており、3.3V単電源で動作します。外付けのVCOには拡張電圧範囲が必要ですが、チャージ・ポンプ電源(VCP)を5Vに接続することで対応できます。LVPECLには、2.5~3.3V(公称値)の別電源を利用できます

AD9517-1の動作は-40~+85℃の工業用温度範囲で仕様が規定されています。

アプリケーション

  • 低ジッタ、低位相ノイズのクロック分配
  • ソネット、同期式イーサーネット、OTU2 / 3 / 4を含む10 / 40 / 100Gb / secネットワーク・ライン・カード
  • フォーワード・エラー・補正(G.710)
  • 高速ADC、DAC、DDS、DDC、DUC、MxFE用クロック
  • 高性能無線トランシーバ
  • ATEおよび高性能計測器

 

*このデータシートでは、AD9517と記載されている場合、すべてのAD9517ファミリ製品を意味します。ただし、AD9517-1と記載されている場合は、AD9517ファミリの特定の製品を意味します。

AD9517-1
クロック・ジェネレータ、12出力、2.5GHzのVCO内蔵
AD9517-1 Functional Block Diagram 77122755AD9517-1-pc
myAnalogに追加

myAnalogの製品セクション(通知受け取り)、既存/新規プロジェクトに製品を追加する。

新規プロジェクトを作成
質問する
サポート

アナログ・デバイセズのサポート・ページはアナログ・デバイセズへのあらゆるご質問にお答えするワンストップ・ポータルです。


ドキュメント

データシート 1

ユーザ・ガイド 1

アプリケーション・ノート 12

技術記事 6

評価用設計ファイル 4

さらに詳しく
myAnalogに追加

myAnalogのリソース・セクション、既存/新規プロジェクトにメディアを追加する。

新規プロジェクトを作成

ソフトウェア・リソース


ハードウェア・エコシステム

製品モデル 製品ライフサイクル 詳細
コンパレータ 1
LTC6957 位相ノイズの小さいデュアル出力バッファ/ドライバ/ロジック・コンバータ
フェーズ・ロック・ループ(PLL)シンセサイザ 1
ADF4002 新規設計に推奨 PLL周波数シンセサイザ/位相検出器
Modal heading
myAnalogに追加

myAnalogの製品セクション(通知受け取り)、既存/新規プロジェクトに製品を追加する。

新規プロジェクトを作成

ツールおよびシミュレーション

ADIsimCLK設計および評価用ソフトウェア

ADIsimCLKはアナログ・デバイセズの超低ジッタのクロック分配器とクロック生成製品向けに開発された設計ツールです。ADIsimCLKを使用すれば、ワイヤレス・インフラストラクチャ、計測器、ネットワーキング、ブロードバンド、ATE(自動試験装置)あるいはクロック性能が予測可能であることが求められるあらゆる分野のアプリケーションで、設計を迅速に開発、評価、最適化できます。

ツールを開く

AD9517-x IBIS Models 1


評価用キット

EVAL-AD9517-1

AD9517- 1 Evaluation Board

機能と利点

  • Simple power connection using 6 V wall adapter and on-board LDO voltage regulators
  • LDOs are easily bypassed for power measurements
  • 8 ac-coupled differential LVPECL SMA connectors
  • 2 ac-coupled LVPECL differential headers
  • 2 dc-coupled differential LVDS SMA connectors that are reconfigurable to four CMOS SMA connectors
  • 2 dc-coupled LVDS differential headers that are reconfigurable to four CMOS connectors
  • SMA connectors for
    2 reference inputs
    Charge pump output
    Clock distribution input
  • USB connection to PC
  • Microsoft Windows-based evaluation software with simple graphical user interface
  • On-board PLL loop filter
  • Easy access to digital I/O and diagnostic signals via I/O header
  • Status LEDs for diagnostic signals

製品詳細

The AD9516-x, AD9517-x, and AD9518-x are very low noise PLL clock synthesizers featuring an integrated VCO, clock dividers, and up to 14 outputs. The AD9516 features automatic holdover and a flexible reference input circuit allowing for very smooth reference clock switching. The AD9516 family also features the necessary provisions for an external VCXO.

The AD9516 evaluation board is a compact, easy-to-use platform for evaluating all features of the AD9516. The AD9516, AD9517, and AD9518 differ only in package size, and the number of outputs. The evaluation software main window for the AD9517 and AD9518 reflects fewer outputs, but the operation is identical for all devices.

Use the user guide in conjunction with the AD9516, AD9517, and AD9518 data sheets.

EVAL-AD9517-1
AD9517- 1 Evaluation Board

最新のディスカッション

AD9517-1に関するディスカッションはまだありません。意見を投稿しますか?

EngineerZone®でディスカッションを始める

最近表示した製品