MAX96752

新規設計に推奨

デュアルLVDS(OLDI)出力を備えたGMSL2デシリアライザ

利用上の注意

本データシートの英語以外の言語への翻訳はユーザの便宜のために提供されるものであり、リビジョンが古い場合があります。最新の内容については、必ず最新の英語版をご参照ください。

なお、日本語版のデータシートは基本的に「Rev.0」(リビジョン0)で作成されています。そのため、英語版が後に改訂され、複数製品のデータシートがひとつに統一された場合、同じ「Rev.0」の日本語版のデータシートが異なる製品のデータシートとして表示されることがあります。たとえば、「ADM3307E」の場合、日本語データシートをクリックすると「ADM3311E」が表示されます。これは、英語版のデータシートが複数の製品で共有できるように1本化され、「ADM3307E/ADM3310E/ADM3311E/ADM3312E/ADM3315E」(Rev.J)と改訂されたからで、決して誤ってリンクが張られているわけではありません。和文化されたデータシートを少しでも有効に活用していただくためにこのような方法をとっておりますので、ご了解ください。

アナログ・デバイセズ社は、提供する情報が正確で信頼できるものであることを期していますが、その情報の利用に関して、あるいはその利用によって生じる第三者の特許やその他の権利の侵害に関して一切の責任を負いません。また、アナログ・デバイセズ社の特許または特許の権利の使用を明示的または暗示的に許諾するものでもありません。仕様は予告なしに変更する場合があります。本紙記載の商標および登録商標は、各社の所有に属します。

Viewing:

製品情報

  • 1 x 4、2 x 4、または1 x 8 OLDI出力レーン構成
  • システムと電力の柔軟性を高める3Gbpsまたは6Gbpsの順方向リンク・レート
  • 単線での全二重通信機能
  • 最大300MHz PCLKをサポート
  • ビデオ・レプリケーションとデュアルビュー分割により2台のディスプレイを駆動
  • 低コストの50Ω同軸ケーブルまたは100Ω STPケーブルを使用
  • 順方向と逆方向のI2Sまたは7.1 TDMオーディオ
  • オプションの内部VDDレギュレータ
  • ASILに関連した機能安全特性
    • ASIL B準拠
    • コントロール・チャンネル・データ(I2C、UART、SPI、GPIO、オーディオ)の16ビット巡回冗長検査(CRC)保護
    • エラー検出時にすべてのコントロール・チャンネル・データ(I2C、UART、SPI、GPIO、オーディオ)を再送信
    • (オプション)ビデオ・ラインの32ビット巡回冗長検査(CRC)
    • 障害検出のための選択可能な割り込み
    • ビデオ・ウォーターマークの検出
  • 性能ツールで高いリンク・マージンを確保
    • GMSLリンクの連続アダプティブ・イコライゼーション
    • 順方向および逆方向チャンネルの擬似ランダム・バイナリ・シーケンス(PRBS)ジェネレータとチェッカにより、シリアルI/OリンクのBERテストを実施
    • 連続リンク・マージン診断のためのアイオープニング・モニタ
  • デバイス構成およびリモート周辺機器との通信で使用する同時コントロール・チャンネル
    • I2C、UART、パススルーI2C/UART、SPI、トンネル型またはレジスタプログラマブルGPIO
    • 設定可能な優先度
    • ハードウェアでプログラム可能な8つのデバイス・アドレス
    • 最大14個のプログラム可能な汎用入出力(GPIO)
    • レジスタ状態を保持するスリープ・モード
  • コンパクトな8mm x 8mm TQFNパッケージ、露出パッド付き

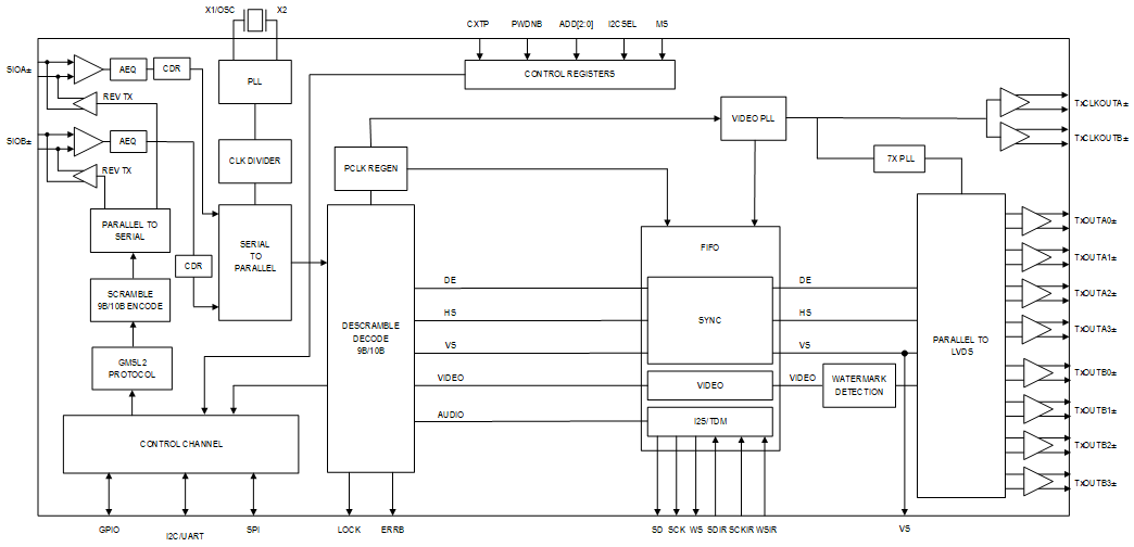
MAX96752デシリアライザは、シングルリンクまたはデュアルリンクのGMSL™シリアル入力をシングルまたはデュアルOLDIに変換します。また、サイド・チャンネルとペリフェラル制御データの送受信も行い、ビデオ・データと双方向データの全二重単線伝送を可能にします。

OLDI出力はシングルポート(4レーン/8レーン)またはデュアルポート(2 x 4レーン)として構成できるため、様々な解像度のディスプレイを柔軟に駆動できます。各ポートは最大150MHzのピクセル・クロック・レートに対応し、デュアルポート・モードの場合、MAX96752は最大300MHzの複合ピクセル・クロックをサポートします。

GMSL2同時コントロール・チャンネルは、I2CモードまたはUARTモードで動作します。ペリフェラル制御用として、さらに2つのパススルーI2CチャンネルまたはUARTチャンネルと、1つのパススルーSPIチャンネルが提供されます。双方向オーディオ・チャンネルは、I2Sステレオおよび最大8チャンネルを時分割多重(TDM)モードでサポートします。

車載温度範囲-40°C~+105°Cで動作するよう仕様規定されています。このデバイスはAEC-Q100認定を取得しています。

データは、GMSL2チャンネル仕様を満たす低コストの50Ω同軸ケーブルまたは100Ω STPケーブルを介して伝送できます。

アプリケーション

  • クラスタおよびヘッドアップ・ディスプレイ
  • 中央情報ディスプレイ
  • 後部座席のインフォテインメント・ディスプレイ

MAX96752
デュアルLVDS(OLDI)出力を備えたGMSL2デシリアライザ
MAX96752 Simplified Block Diagram MAX96752 Pin Configuration
myAnalogに追加

myAnalogの製品セクション(通知受け取り)、既存/新規プロジェクトに製品を追加する。

新規プロジェクトを作成
質問する
サポート

アナログ・デバイセズのサポート・ページはアナログ・デバイセズへのあらゆるご質問にお答えするワンストップ・ポータルです。


ドキュメント

さらに詳しく
myAnalogに追加

myAnalogのリソース・セクション、既存/新規プロジェクトにメディアを追加する。

新規プロジェクトを作成

ツールおよびシミュレーション


評価用キット

eval board
MAX96752EVKIT

MAX96752の性能評価

機能と利点

  • デュアルoLDIディスプレイを駆動できるGMSL-2デシリアライザEVキット
  • ビデオ・レプリケーションとデュアルビュー分割により2台のディスプレイを駆動
  • 50Ω FAKRA同軸コネクタまたは100Ω HSD-STQコネクタを介してGMSL-2シリアル・データを受信
  • システムと電力の柔軟性を高める3Gbpsまたは6Gbpsの順方向リンク・レート
  • 設定可能なPower-Over-Coax(PoC)回路とライン障害回路
  • I2Sオーディオ・インターフェース
  • GPIO、SPI、I2C、UART信号用のヘッダ
  • GMSLチャンネルの信号完全性を評価するツール
  • 12V DC電源(付属)、USB、PoC、または外部電源
  • Windows 10対応のアプリケーション・ソフトウェア(GUI)
  • USB制御インターフェース(同梱)
  • 実証済みPCBレイアウト
  • 完全実装済みおよび試験済み

製品詳細

MAX96752評価用キット(EVキット)は、標準のFAKRA同軸ケーブルまたはHSD STQケーブルを使用して、MAX96752(スペクトラム拡散と全二重コントロール・チャンネルを備えた高帯域幅ギガビット・マルチメディア・シリアルリンク(GMSL)デシリアライザ)を評価することを目的としており、実績のある設計となっています。このEVキットには、本デバイスの機能を実行するためのシンプルなグラフィカル・ユーザ・インターフェース(GUI)を備えたWindows® 10アプリケーション・ソフトウェアも同梱されています。

完全なGMSL評価を行うには、MAX96752同軸EVキットと共にGMSL-2シリアライザ・ボードを購入する必要があります(MAX96751同軸EVキットについては、注文情報を参照してください)。

注:以下のセクションでは、デシリアライザはMAX96752を指し、シリアライザはMAX96751を指します。

注:このドキュメントは同軸とHSD-STQの両方の評価用キットに適用され、このドキュメントでは同軸EVキットについて言及しています。

eval board
AD-GMSL-D-E-ADP#

GMSL oLDI/LVDS-HDMI変換アダプタ

機能と利点

  • GMSLデシリアライザーからのoLDI/LVDS信号を標準HDMI 2.0に変換します。
  • GMSLディスプレイシステムのデバッグとテストに役立ちます
  • 装備されたSamtecボード間コネクタを使用して、すべてのGMSL oLDIデシリアライザ評価用ボードに適合するように設計されています。
  • 最大ピクセル・クロックは300MHzで、最大4K解像度(30fps)まで対応
  • GMSL I2S信号の入力を含む

製品詳細

AD-GMSL-D-E-ADP# GMSL oLDI/LVDS-HDMI変換アダプタは、GMSLデシリアライザからのoLDI/LVDS信号を標準のHDMI 2.0信号に変換します。このアダプタはデバッグとシステム・テストにのみ使用され、最終的なシステム・アーキテクチャに完全に実装されるようには設計されていません。このソリューションの最大ピクセル・クロックは300MHzで、これは3840 x 2160、30Hz(4k30)に相当します。この最大値は、単一のGMSL2リンクが提供する帯域幅よりも大きな帯域幅を必要とするため、デュアルリンクGMSL2 SerDesペアでのみ達成できます。

このアダプタは、搭載されたSamtecボード間コネクタを使用することで、すべてのGMSL oLDIデシリアライザ評価用ボードに適合するよう設計されています。入力oLDI/LVDS信号を「検出」し、受信した信号に基づいてHDMIの出力を調整することで、自動設定を利用します。自動構成プロセスを監視するためにUART出力を使用できます。

このアダプタにはI2Sオーディオ用の入力が含まれており、GMSL I2S信号(フォワード・チャンネルから)を入力として使用できるように設計されています。ビデオ設定と同様に、アダプタ自体をプログラムする必要がなく、I2Sオーディオ・データを自動的に検出してHDMI信号に追加します。このアダプタが動作する部品には、MAX96752の「B」、「F」、および「R」のサブバリアントが含まれます。

アプリケーション

  • 高解像度ディスプレイシステム
  • 先進運転支援システム(ADAS)

MAX96752EVKIT
MAX96752の性能評価
MAX96752EVKIT Board Photo Angle View MAX96752EVKIT Board Photo Top View MAX96752EVKIT Board Photo Bottom View
AD-GMSL-D-E-ADP#
GMSL oLDI/LVDS-HDMI変換アダプタ
AD-GMSL-D-E-ADP Board Photo Angle View AD-GMSL-D-E-ADP Board Photo Top View AD-GMSL792MIPI-EVK Evaluation Board Bottom View AD-GMSL-D-E-ADP Block Diagram

最新のディスカッション

最近表示した製品