Understanding SAR ADCs: Their Architecture and Comparison with Other ADCs

Oct 2 2001

Figure 1

   

Abstract

Successive-approximation-register (SAR) analog-to-digital converters (ADCs) represent the majority of the ADC market for medium- to high-resolution ADCs. SAR ADCs provide up to 5Msps sampling rates with resolutions from 8 to 18 bits. The SAR architecture allows for high-performance, low-power ADCs to be packaged in small form factors for today's demanding applications.

This paper will explain how the SAR ADC operates by using a binary search algorithm to converge on the input signal. It also explains the heart of the SAR ADC, the capacitive DAC, and the high-speed comparator. Finally, the article will contrast the SAR architecture with pipeline, flash, and sigma-delta ADCs.

Introduction

Successive-approximation-register (SAR) analog-to-digital converters (ADCs) are frequently the architecture of choice for medium-to-high-resolution applications with sample rates under 5 megasamples per second (Msps). Resolution for SAR ADCs most commonly ranges from 8 to 16 bits, and they provide low power consumption as well as a small form factor. This combination of features makes these ADCs ideal for a wide variety of applications, such as portable/battery-powered instruments, pen digitizers, industrial controls, and data/signal acquisition.

As the name implies, the SAR ADC basically implements a binary search algorithm. Therefore, while the internal circuitry may be running at several megahertz (MHz), the ADC sample rate is a fraction of that number due to the successive-approximation algorithm.

SAR ADC Architecture

Although there are many variations for implementing a SAR ADC, the basic architecture is quite simple (see Figure 1). The analog input voltage (VIN) is held on a track/hold. To implement the binary search algorithm, the N-bit register is first set to midscale (that is, 100... .00, where the MSB is set to 1). This forces the DAC output (VDAC) to be VREF/2, where VREF is the reference voltage provided to the ADC. A comparison is then performed to determine if VIN is less than, or greater than, VDAC. If VIN is greater than VDAC, the comparator output is a logic high, or 1, and the MSB of the N-bit register remains at 1. Conversely, if VIN is less than VDAC, the comparator output is a logic low and the MSB of the register is cleared to logic 0. The SAR control logic then moves to the next bit down, forces that bit high, and does another comparison. The sequence continues all the way down to the LSB. Once this is done, the conversion is complete and the N-bit digital word is available in the register.

Figure 1. Simplified N-bit SAR ADC architecture.

Figure 1. Simplified N-bit SAR ADC architecture.

Figure 2 shows an example of a 4-bit conversion. The y-axis (and the bold line in the figure) represents the DAC output voltage. In the example, the first comparison shows that VIN < VDAC. Thus, bit 3 is set to 0. The DAC is then set to 01002 and the second comparison is performed. As VIN > VDAC, bit 2 remains at 1. The DAC is then set to 01102, and the third comparison is performed. Bit 1 is set to 0, and the DAC is then set to 01012 for the final comparison. Finally, bit 0 remains at 1 because VIN > VDAC.

Figure 2. SAR operation (4-bit ADC example).

Figure 2. SAR operation (4-bit ADC example).

Notice that four comparison periods are required for a 4-bit ADC. Generally speaking, an N-bit SAR ADC will require N comparison periods and will not be ready for the next conversion until the current one is complete. This explains why these ADCs are power- and space-efficient, yet are rarely seen in speed-and-resolution combinations beyond a few mega-samples per second (Msps) at 14 to 16 bits. Some of the smallest ADCs available on the market are based on the SAR architecture. The MAX1115/MAX1116 and MAX1117/MAX1118 8-bit ADCs and their higher resolution counterparts, the MAX1086 and the MAX1286 (10 and 12 bits, respectively), fit in tiny SOT23 packages measuring 3mm x 3mm. The 12-bit MAX11102 comes in a 3mm x 3mm TDFN package or a 3mm x 5mm µMAX® package.

There is another notable feature of SAR ADCs: power dissipation scales with the sample rate. This contrasts with flash or pipelined ADCs which usually have constant power dissipation versus sample rate. This scaled power dissipation is especially useful in low-power applications or applications where the data acquisition is not continuous (for example, PDA digitizers).

In-Depth SAR Analysis

The two critical components of a SAR ADC are the comparator and the DAC. As we shall see later, the track/hold shown in Figure 1 can be embedded in the DAC and, therefore, may not be an explicit circuit.

A SAR ADC's speed is limited by:

  • The settling time of the DAC, which must settle to within the resolution of the overall converter, for example, ½ LSB
  • The comparator, which must resolve small differences in VIN and VDAC within the specified time
  • The logic overhead

The DAC

The maximum settling time of the DAC is usually determined by its MSB settling. This is simply because the MSB transition represents the largest excursion of the DAC output. In addition, the linearity of the overall ADC is limited by the linearity of the DAC. Therefore, because of the inherent component-matching limitations, SAR ADCs with more than 12 bits of resolution will often require some form of trimming or calibration to achieve the necessary linearity. Although it is somewhat process-and-design-dependent, component matching limits the linearity to about 12 bits in practical DAC designs.

Many SAR ADCs use a capacitive DAC that provides an inherent track/hold function. Capacitive DACs employ the principle of charge redistribution to generate an analog output voltage. Because these types of DACs are prevalent in SAR ADCs, it is beneficial to discuss their operation.

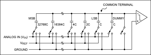
A capacitive DAC consists of an array of N capacitors with binary weighted values plus one "dummy LSB" capacitor. Figure 3 shows an example of a 16-bit capacitive DAC connected to a comparator. During the acquisition phase, the array's common terminal (the terminal at which all the capacitors share a connection, see Figure 3) is connected to ground and all free terminals are connected to the input signal (analog in or VIN). After acquisition, the common terminal is disconnected from ground and the free terminals are disconnected from VIN, thus effectively trapping a charge proportional to the input voltage on the capacitor array. The free terminals of all the capacitors are then connected to ground, driving the common terminal negative to a voltage equal to -VIN.

Figure 3. A 16-bit example of a capacitive DAC.

Figure 3. A 16-bit example of a capacitive DAC.

As the first step in the binary search algorithm, the bottom plate of the MSB capacitor is disconnected from ground and connected to VREF. This drives the common terminal in the positive direction by an amount equal to ½VREF.

Therefore, VCOMMON = -VIN + ½ × VREF

The comparator output yields a logic 1 if VCOMMON < 0 (i.e., VIN > ½ × VREF). The comparator output yields logic 0 if VIN < ½ × VREF.

If the comparator output is logic 1, then the bottom plate of the MSB capacitor stays connected to VREF. Otherwise, the bottom plate of the MSB capacitor is connected back to ground.

The bottom plate of the next smaller capacitor is then connected to VREF and the new VCOMMON voltage is compared with ground.

This continues until all the bits have been determined.

In general, VCOMMON = -VIN + BN-1 × VREF/2 + BN-2 × VREF/4 + BN-1 × VREF/8 + ... + B0 × VREF/2N-1 (B_ comparator output/ADC output bits).

DAC Calibration

In an ideal DAC, each of the capacitors associated with the data bits would be exactly twice the value of the next-smaller capacitor. In high-resolution ADCs (for example, 16 bits), this results in a range of values too wide to be realized in an economically feasible size. The 16-bit SAR ADCs like the MAX195 use a capacitor array that actually consists of two arrays capacitively coupled to reduce the LSB array's effective value. The capacitors in the MSB array are production trimmed to reduce errors. Small variations in the LSB capacitors contribute insignificant errors to the 16-bit result. Unfortunately, trimming alone does not yield 16-bit performance or compensate for changes in performance due to changes in temperature, supply voltage, and other parameters. For this reason, the MAX195 includes a calibration DAC for each capacitor in the MSB array. These DACs are capacitively coupled to the main DAC output and offset the main DAC's output according to the value on their digital inputs.

During calibration, the correct digital code to compensate for the error in each MSB capacitor is determined and stored. Thereafter, the stored code is provided to the appropriate calibration DAC whenever the corresponding bit in the main DAC is high. This compensates for errors in the associated capacitor. Calibration is usually initiated by the user or done automatically on power-up. To reduce the effects of noise, each calibration experiment is performed many times (about 14,000 clock cycles in the MAX195), and the results are averaged. Calibration is best performed when the power-supply voltages are stable. High-resolution ADCs should be recalibrated any time that there is a significant change in supply voltages, temperature, reference voltage, or clock characteristics, because these parameters affect the DC offset. If linearity is the only concern, much larger changes in these parameters can be tolerated. Because the calibration data is stored digitally, there is no need to perform frequent conversions to maintain accuracy.

The Comparator

The requirements of the comparator are speed and accuracy. Comparator offset does not affect overall linearity as it appears as an offset in the overall transfer characteristic. In addition, offset-cancellation techniques are usually applied to reduce the comparator offset. Noise, however, is a concern, and the comparator is usually designed to have input-referred noise less than 1 LSB. Additionally, the comparator needs to resolve voltages within the accuracy of the overall system. It needs to be as accurate as the overall system.

SAR ADCs Compared with Other ADC Architectures

Versus Pipelined ADCs

A pipelined ADC employs a parallel structure in which each stage works on 1 to a few bits (of successive samples) concurrently. This inherent parallelism increases throughput, but at a trade-off of power consumption and latency. Latency in this case is defined as the difference between the time when an analog sample is acquired by the ADC and the time when the digital data is available at the output. For example, a five-stage pipelined ADC will have at least five clock cycles of latency, whereas a SAR has only one clock cycle of latency. Note that the latency definition applies only to the throughput of the ADC, not the internal clock of a SAR which runs at many times the frequency of the throughput. Pipelined ADCs frequently have digital error-correction logic to reduce the accuracy requirement of the flash ADCs (i.e., comparators) in each pipeline stage. However, a SAR ADC requires the comparator to be as accurate as the overall system. A pipelined ADC generally requires significantly more silicon area than an equivalent SAR. Like a SAR, a pipelined ADC with more than 12 bits of accuracy usually requires some form of trimming or calibration.

Versus Flash ADCs

A flash ADC is comprised of a large bank of comparators, each consisting of wideband, low-gain preamp(s) followed by a latch. The preamps must only provide gain but do not need to be linear or accurate. This means that only the comparators' trip points have to be accurate. As a result, a flash ADC is the fastest architecture available.

The primary trade-off between a flash ADC's speed is the SAR ADC's significantly lower power consumption and smaller form factor. While extremely fast 8-bit flash ADCs (or their folding/interpolation variants) exist with sampling rates as high as 1.5Gsps (e.g., the MAX104, MAX106, and MAX108), it is much harder to find a 10-bit flash ADC. Moreover, 12-bit (and above) flash ADCs are not commercially viable products. This is simply because the number of comparators in a flash ADC increases by a factor of two for every extra bit of resolution. Meanwhile, each comparator must be twice as accurate. In a SAR ADC, however, the increased resolution requires more accurate components, yet the complexity does not increase exponentially. Of course, SAR ADCs are not capable of the speeds of flash ADCs.

Versus Sigma-Delta Converters

Traditional oversampling/sigma-delta converters used in digital audio applications have limited bandwidths of about 22kHz. Recently, some high-bandwidth sigma-delta converters reached bandwidths of 1MHz to 2MHz with 12 to 16 bits of resolution. These are usually very-high-order sigma-delta modulators (for example, 4th-order or higher), incorporating a multibit ADC and multibit feedback DAC. Sigma-delta converters have the innate advantage over SAR ADCs: they require no special trimming or calibration, even to attain 16 to 18 bits of resolution. Because their sampling rate is much higher than the effective bandwidth, they also do not require anti-alias filters with steep rolloffs at the analog inputs. The backend digital filters take care of this. The oversampling nature of the sigma-delta converter can also tend to "average out" any system noise at the analog inputs.

Sigma-delta converters trade speed for resolution. The need to sample many times (at least 16 times and often more) to produce one final sample dictates that the internal analog components in the sigma-delta modulator operate much faster than the final data rate. The digital decimation filter is also a challenge to design and consumes considerable silicon area. The fastest high-resolution sigma-delta converters are not expected to have significantly higher bandwidth than a few MHz in the near future.

Conclusion

In summary, the primary advantages of SAR ADCs are low power consumption, high resolution and accuracy, and a small form factor. Because of these benefits, SAR ADCs can often be integrated with other larger functions. The main limitations of the SAR architecture are the lower sampling rates and the requirements that the building blocks, the DAC and the comparator, be as accurate as the overall system.

Add to myAnalog

Add article to the Resources section of myAnalog, to an existing project or to a new project.

Create New Project

Related to this Article

Products

MAX1166
PRODUCTION

Low-Power, 16-Bit Analog-to-Digital Converters with Parallel Interface

MAX1290
PRODUCTION

400ksps, +5V, 8-/4-Channel, 12-Bit ADCs with +2.5V Reference and Parallel Interface

MAX1111
PRODUCTION

+2.7V, Low-Power, Multichannel, Serial, 8-Bit ADCs

MAX11169 PRODUCTION

16-Bit, 250ksps, ±5V SAR ADC with Internal Reference in µMAX

MAX11904 Obsolete

20-Bit, 1Msps, Low-Power, Fully Differential SAR ADC

MAX11102 PRODUCTION

2Msps/3Msps, Low-Power, Serial 12-/10-/8-Bit ADCs

MAX1289 Obsolete

150ksps, 12-Bit, 2-Channel Single-Ended, and 1-Channel True-Differential ADCs

MAX1086 RECOMMENDED FOR NEW DESIGNS

150ksps, 10-Bit, 2-Channel Single-Ended, and 1-Channel True-Differential ADCs in SOT23 and TDFN

MAX1116 PRODUCTION

Single-Supply, Low-Power, Serial 8-Bit ADCs

MAX1132 PRODUCTION

16-Bit ADC, 200ksps, 5V Single-Supply with Reference

MAX1115 PRODUCTION

Single-Supply, Low-Power, Serial 8-Bit ADCs

MAX1088 Obsolete

150ksps, 10-Bit, 2-Channel Single-Ended, and 1-Channel True-Differential ADCs in SOT23 and TDFN

MAX1118 PRODUCTION

Single-Supply, Low-Power, 2-Channel, Serial 8-Bit ADCs

MAX1162 PRODUCTION

16-Bit, +5V, 200ksps ADC with 10µA Shutdown

MAX1286 PRODUCTION

150ksps, 12-Bit, 2-Channel Single-Ended, and 1-Channel True-Differential ADCs

MAX1087 Obsolete

150ksps, 10-Bit, 2-Channel Single-Ended, and 1-Channel True-Differential ADCs in SOT23 and TDFN

MAX195 PRODUCTION

16-Bit, 85ksps ADC with 10µA Shutdown

MAX1133 PRODUCTION

16-Bit ADC, 200ksps, 5V Single-Supply with Reference

MAX1117 PRODUCTION

Single-Supply, Low-Power, 2-Channel, Serial 8-Bit ADCs

MAX1165 PRODUCTION

Low-Power, 16-Bit Analog-to-Digital Converters with Parallel Interface

MAX1066 Obsolete

Low-Power, 14-Bit Analog-to-Digital Converters with Parallel Interface

MAX1288 PRODUCTION

150ksps, 12-Bit, 2-Channel Single-Ended, and 1-Channel True-Differential ADCs

MAX1065 PRODUCTION

Low-Power, 14-Bit Analog-to-Digital Converters with Parallel Interface

MAX1089 Obsolete

150ksps, 10-Bit, 2-Channel Single-Ended, and 1-Channel True-Differential ADCs in SOT23 and TDFN

MAX1119 PRODUCTION

Single-Supply, Low-Power, 2-Channel, Serial 8-Bit ADCs

MAX1287 PRODUCTION

150ksps, 12-Bit, 2-Channel Single-Ended, and 1-Channel True-Differential ADCs

Product Categories
Latest Media 21
Title
Subtitle
Learn More
Add to myAnalog

Add article to the Resources section of myAnalog, to an existing project or to a new project.

Create New Project