Wirelessly Linking the Aerospace and Defense World
With a drive for more information and monitoring in the defense world, the availability and need for wireless technology has never been so great. Wireless systems are being deployed in a wide range of applications across the aerospace and defense industries to support applications ranging from soldier systems, the control of unmanned systems, system level health, and vital sign monitoring.
Within the defense world, the need to increase the data flow to the warfighter has been widely discussed. However, wireless communications are more generally changing the dynamics of next-generation systems and developments. Increasing the data flow and monitoring as well as the wireless revolution and Internet of Things (IoT)—two terms synonymous with the commercial and industrial world—will have no less impact in the aerospace and defense market.
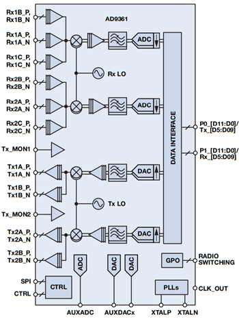
Over the last decade, military communication systems have been going through upgrades with new waveforms and wide bandwidth signals, enabling increased data flow to the warfighter. Tactical radios using transceivers, such as the AD9361, are now able to fully exploit software-defined radio (SDR) architectures, adapting in real time between different communication standards and protocols in theater, as needed.
The wider bandwidth data links not only enable data flow to the warfighter, but also allow for data to flow from the warfighter. Such data may include live video feed and asset tracking information, but in the future it will also include functions such as health monitoring and inertial navigation information. Figure 1 illustrates a number of systems that may be used by the modern and next-generation warfighter. As the integration level of sensors increases and reduces the size, weight, and power (SWaP), more sensors will be able to be incorporated into soldier systems to implement these and similar functions.

Figure 1. Soldier systems.
The number of potential sensors and the volume of data that is generated will require that wireless interconnections are used, requiring short range data links to aggregate the data before it is relayed by the tactical radio back to the command center; enabling the warfighter to be monitored and better supported by the command structure.
The use of unmanned vehicles, and airborne vehicles (UAVs) in particular, is further driving the need for wireless data and pushing the spectrum usage. In the defense arena, a wide range of vehicles are now in service from large platforms, such as the Northrop Grumman Global Hawk, to many platform systems, such as the AeroVironment Raven UAV. Wireless networks and satellite communication links are clearly a primary requirement for these vehicles and waveforms. Standards have been developed specifically for such systems, including the small unmanned airborne systems digital data link (SUAS DDL) waveform. Waveforms like this enable small UAVs to be not only controlled, but, more importantly, enable data and video feeds from the sensor networks on board the aircraft to be transmitted to the controller. These networks enable much more flexible and effective intelligence gathering in the field. However, these platforms have limited power availability and, with limited bandwidth availability as a requirement for many systems to operate with the same frequency bands, they push the demands of the transceivers used in the communication links.
Although the defense industry has led the way, in regards to UAV systems, it is widely reported that many commercial system and operators are looking to adopt UAV technology in the future, with companies such as Amazon and Google among those reportedly developing systems. Commercial activities such as these will also require wireless and secure data links. As this sector of the market expands, the demands on the allocated spectrum will continue to be challenged, further driving the need for advanced communications transceivers.
Exploring the aerospace arena further, the use of wireless broadband communications is now prevalent on board commercial aircraft, enabling passengers to access the Internet using Wi-Fi while in flight. The need and expansion for these services is now set to continue with satellite communications being heavily leveraged to enable broadband connections across the globe. In addition to these developments, the aerospace market is actively looking at a range of other applications for wireless technology. The use of wireless sensors is being actively reviewed in a bid to improve both safety and fuel efficiency. By reducing the weight of the aircraft, fuel efficiency can be improved. In addition to this, end sensor technology and interconnectivity options between the sensors are being heavily scrutinized. In modern advanced military and commercial aircraft potentially over 100,000 wires, with a length of over 470 m and a weight of 5,700 kg may be used, not including the infrastructure and harness to structure fixations that may add up to another 30%. Although it is unlikely that all of this can be replaced by wireless sensors, the Aerospace Vehicle Systems Institute (AVSI), a cooperative of companies, academia, and government agencies are investigating this potential. AVSI has created a task group to look at wireless avionics intracommunications (WAIC), with the goal of interconnecting a variety of aircraft sensors together without the use of cables and wire harnesses.
Although, wireless sensors in this application will undoubtedly save weight, the sensor network may also have benefits in the form of reconfigurability and potentially safety; but more importantly, they offer the ability to add and upgrade additional sensors quickly, without the need for additional wiring and infrastructure. The ability to monitor and adjust more functions on board the aircraft, provides the potential for much more efficiency with real-time adjustments made to items, such as engine and thermal management systems. In addition, the maintenance and service requirements can also be monitored much more closely with equipment health monitoring and additional safety monitoring added, enabling issues to be identified earlier, and maintenance to be scheduled more effectively. The WAIC working group have identified a range of systems that may benefit from this technology:
| 
 | 
 | 
The challenges of adding wireless communication links for aircraft system monitoring are further compounded in many of the previous examples. In order to be effective many of the systems will need to be battery-powered and will need to operate for considerable lengths of time, potentially even years, without being replaced. To achieve the volume of needed sensors within a power limited environment, it will require energy sources beyond traditional batteries. Exploiting energy harvesting as an alternative power source will better allow for increased sensor flexibility, as well as improved SWaP.
From soldier systems to aerospace, all of the previous examples illustrate the growing reliance on wireless communications and sensors, and with it comes new challenges to be solved. Analog Devices is working to provide a comprehensive solution to these varied problems. Improved wireless communication transceivers are key to the solution. In addition, there is ongoing research in both the energy harvesting and sensor domains, as well as improving the interoperability between all three devices.
To support the communication data link, a highly configurable transceiver device, such as the AD9361 and the ISM band devices ADF7023 and ADF7024 offer solutions to the wireless connectivity space. The AD9361 and AD9364 are highly configurable RF to bit transceivers capable of supporting communication links from 200 kHz to 56 MHz and across an RF frequency range spanning from 70 MHz to 6 GHz. Using a direct conversion architecture, with low noise amplifiers, mixing stages, high speed converters, and digital signal processing, including advanced quadrature error correction algorithms, all within a 10 mm2 package, the device provides a true RF to bits solutions for wideband communication links. The device is already heavily utilized in military communications due to its ability to support dynamic reconfigurability. Similarly, due to its software configurability, it also provides a single solution to many other communication data link requirements, such as those mentioned for UAVs. The level of reconfigurability offered, enables a true software-defined radio (SDR) to be implemented, enabling one hardware development to potentially be used in a wide range of systems, particularly given the typical power consumption is less than 1 W.

Figure 2. AD9361—wideband transceiver.

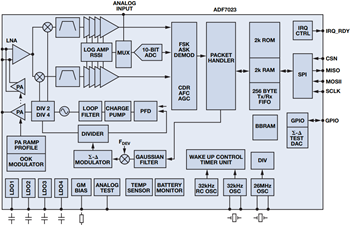
Figure 3. ADF7023—ISM band transceiver
The ADF7023, ADF7024, and ADF7242 are ultralow power integrated transceivers. They are more specifically designed for use within the license free ISM bands at 433 MHz, 868 MHz, 915 MHz, and 2.4 GHz with specific waveform modulation, either frequency shift keying (FSK) or Gaussian frequency shift keying (GFSK) and lower data rates, up to a maximum of 300 kbps for the ADF7024, and 2 Mbps for the ADF7242. Although these devices do not offer the flexibility of the AD9361, they integrate a similar level of functionality, enabling the device to support RF to bits. For example, the ADF7024 provides this in a 5 mm2 package, and, drawing as little as 12.8 mA in receiver mode, the device can be used in applications to transmit and receive sensor data, where power levels and long life times are critical.
The need for sensor technology and wireless communication nodes to be even more closely coupled is clear, pushing on semiconductor developments to support the integration or the ability to tightly couple the two elements. To fully solve the sensor and IoT challenges, a comprehensive suite of devices may be used, drawing from traditional but continuously enhanced precision, amplifiers and converters for temperature, current, and voltage sensing. Looking further afield, a wide range of navigational and health monitoring systems, using MEMS-based gyroscopes and accelerometers, offer the potential to monitor soldier movement and tracking, or can be used to monitor system vibrations and determine system health, should nonanticipated motion be detected.
For example, the ADIS16488A iSensor® is a complete, fully integrated, high performance, inertial system that includes a triaxis gyroscope, a triaxis accelerometer, and a triaxis magnetometer capable of being used as part of a personnel tracking scheme or vibration monitoring system. Based on MEMS technology, it provides an inexpensive solution to motion tracking, and has the potential to be located or incorporated into equipment and linked via wireless communications to a soldier’s radio before the data is relayed back to the command center, providing a comprehensive soldier tracking solution—thus easing potential search and rescue operations, particularly in GPS denied environments.

Figure 4. Potential wireless sensor interconnection.
Similarly, ADI iSensor and MEMS devices, when used in vibration monitoring applications, enable machine health to be analyzed with potential equipment failure concerns, raised as early as possible. Locating such sensors can often be challenging due to the mounting locations required, but combining low, battery-powered RF transceivers with the sensors provides the option to locate the device without such challenges, with data transmitted to a central monitoring unit or potentially relayed through cellular or satellite communication networks back to a remote monitoring station.
All of the previous items are just the tip of the iceberg, with many more options and sensing systems being considered using a variety of technologies, but all reliant on secure RF communications to relay the data. Looking across the aerospace and defense arena, the use of wireless networks and the drive for data monitoring and distribution is proliferating and has the potential to accelerate—particularly if unmanned systems are exploited and utilized, as predicted. The ability to increase both efficiency, reconfigurability, and overall platform safety is a critical benefit of adopting wireless technology. These features are driving the ADI roadmap across multiple product lines, ensuring that the next-generation system goals can be realized. With the ability to leverage commercial technology with a higher level of security and custom waveforms, as needed, the IoT is certainly a key component of modern and future aerospace and defense systems.
About the Authors
Related to this Article
Products
Tactical Grade, Ten Degrees of Freedom Inertial Sensor
1 x 1 RF Agile Transceiver
 
                             
                             
                             
                             
                             
                             
                             
                             
                             
                             
                             
                             
                             
                             
                             
                             
                             
                             
                             
                            