LTC1441

PRODUCTION

Ultralow Power Single/Dual Comparator

Viewing:

Overview

  • Ultralow Quiescent Current: 3.5µA Typ
  • Reference Output Drives 0.01µF Capacitor
  • Wide Supply Range:
    • Single: 2V to 11V
    • Dual: ±1V to ±5.5V
  • Input Voltage Range Includes the Negative Supply
  • TTL/CMOS Compatible Outputs
  • 12µs Propagation Delay with 10mV Overdrive
  • No Crowbar Current
  • 40mA Continuous Source Current
  • Pin Compatible Upgrades for MAX922
  • 8-pin DIP and SO-8 Package

The LTC1441 is an ultralow power dual comparator, featuring less than 5.7µA supply current over temperature. The TTL/CMOS outputs both sink and source current.

The comparators operate from a single 2V to 11V supply or a dual ±1V to ±5.5V supply.  Each comparator’s input operates from the negative supply to within 1.3V of the positive supply. The comparator output stage can continuously source up to 40mA. By eliminating the cross-conducting current that normally happens when the comparator changes logic states, the power supply glitches are eliminated.

The LTC1441 is available in an 8-pin PDIP and SO package.

Applications

  • Battery-Powered System Monitoring
  • Threshold Detectors
  • Window Comparators
  • Oscillator Circuits

LTC1441
Ultralow Power Single/Dual Comparator
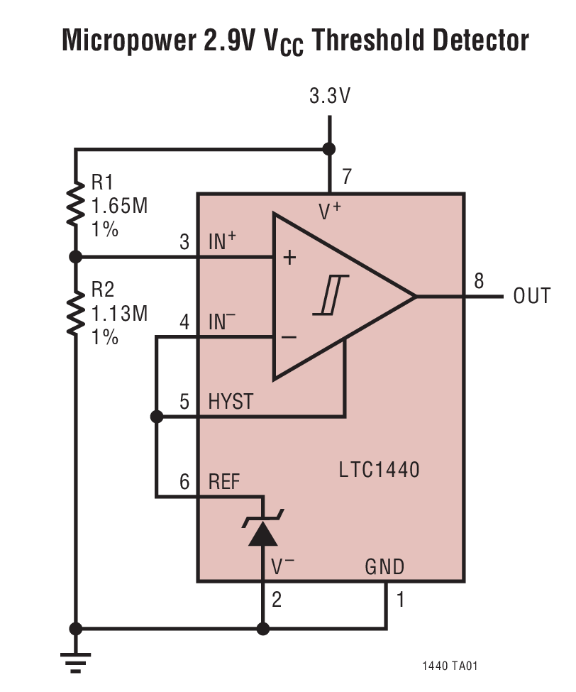
Micropower 2.9V VCC Threshold Detector LTC1440 Supply Current vs Temperature Product Package 1 Product Package 2 Product Package 3 Product Package 4 Product Package 5
Add to myAnalog

Add product to the Products section of myAnalog (to receive notifications), to an existing project or to a new project.

Create New Project
Ask a Question

Documentation

Data Sheet

This is the most up-to-date revision of the Data Sheet.

Learn More
Add to myAnalog

Add media to the Resources section of myAnalog, to an existing project or to a new project.

Create New Project

Software Resources

Can't find the software or driver you need?

Request a Driver/Software

Tools & Simulations

LTspice


Models for the following parts are available in LTspice:

  • LTC1441
LTspice

LTspice® is a powerful, fast and free simulation software, schematic capture and waveform viewer with enhancements and models for improving the simulation of analog circuits.


Reference Designs

Figure 1. EVAL-CN0536-ARDZ Block Diagram
CN0536 Circuits from the lab

Geiger Counter Circuit with Adjustable High Voltage Power Supply

Features and Benefits

  • Compatible with many Geiger Mueller Tubes
  • Programmable High Voltage Supply
  • Audible and Visible Alert Indicators
CN0536
Geiger Counter Circuit with Adjustable High Voltage Power Supply
Figure 1. EVAL-CN0536-ARDZ Block Diagram
EVAL-CN0536-ARDZ - Angle View
EVAL-CN0536-ARDZ - Top View
EVAL-CN0536-ARDZ - Bottom View

Latest Discussions

Recently Viewed