AD9520-5

RECOMMENDED FOR NEW DESIGNS

12 LVPECL/24 CMOS Output Clock Generator

Viewing:

Overview

  • Low phase noise, phase-locked loop (PLL)
    • Optional external 3.3 V/5 V VCO/VCXO to 2.4 GHz
    • 1 differential or 2 single-ended reference inputs
    • Accepts CMOS, LVDS, or LVPECL references to 250 MHz
    • Accepts 16.62 MHz to 33.3 MHz crystal for reference input
    • Optional reference clock doubler
    • Reference monitoring capability
    • Automatic/ manual reference holdover and reference switchover modes, with revertive switching
    • Glitch-free switchover between references
    • Automatic recovery from holdover
    • Digital or analog lock detect, selectable
    • Optional zero delay operation
  • Twelve 1.6 GHz LVPECL outputs divided into 4 groups
    • Each group of 3 outputs shares a 1-to-32 divider with phase delay
    • Additive output jitter as low as 225 fs rms
    • Channel-to-channel skew grouped outputs < 16 ps
    • Each LVPECL output can be configured as 2 CMOS outputs (for fOUT ≤ 250 MHz)
  • Automatic synchronization of all outputs on power-up
  • Manual output synchronization available
  • SPI- and I2C-compatible serial control port
  • 64-lead LFCSP
  • Nonvolatile EEPROM stores configuration settings

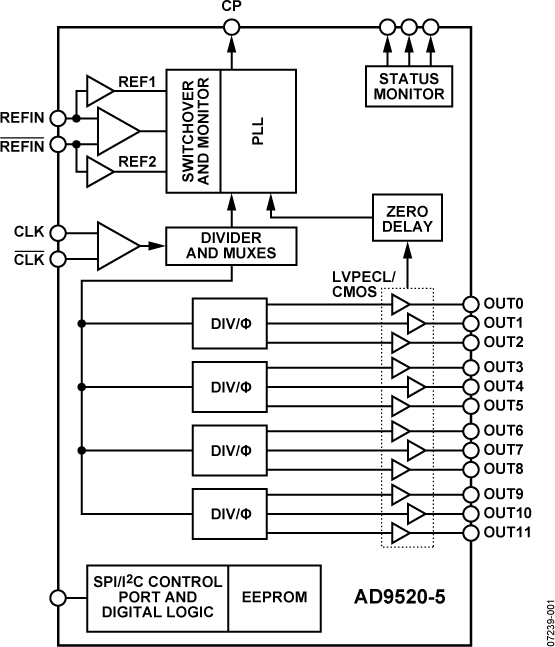
The AD9520-5 provides a multioutput clock distribution function with subpicosecond jitter performance, along with an on-chip PLL that can be used with an external VCO.

The AD9520-5 serial interface supports both SPI and I2C ports. An in-package EEPROM, which can be programmed through the serial interface, can store user-defined register settings for power-up and chip reset.

The AD9520-5 features 12 LVPECL outputs in four groups. Any of the 1.6 GHz LVPECL outputs can be reconfigured as two 250 MHz CMOS outputs. If an application requires LVDS drivers instead of LVPECL drivers, refer to the AD9522-5. Each group of three outputs has a divider that allows both the divide ratio (from 1 to 32) and the phase offset or coarse time delay to be set.

The AD9520-5 is available in a 64-lead LFCSP and can be operated from a single 3.3 V supply. The external VCO can have an operating voltage of up to 5.5 V. A separate output driver power supply can be from 2.375 V to 3.465 V.

The AD9520-5 is specified for operation over the standard industrial range of −40°C to +85°C.

Applications

  • Low jitter, low phase noise clock distribution
  • Clock generation and translation for SONET, 10Ge, 10GFC, Synchronous Ethernet, OTU2/3/4
  • Forward error correction (G.710)
  • Clocking high speed ADCs, DACs, DDSs, DDCs, DUCs, MxFEs
  • High performance wireless transceivers
  • ATE and high performance instrumentation
  • Broadband infrastructures

AD9520-5
12 LVPECL/24 CMOS Output Clock Generator
AD9520-5 Functional Block Diagram AD9520-5 Pin Configuration
Add to myAnalog

Add product to the Products section of myAnalog (to receive notifications), to an existing project or to a new project.

Create New Project
Ask a Question

Documentation

Learn More
Add to myAnalog

Add media to the Resources section of myAnalog, to an existing project or to a new project.

Create New Project

Software Resources

Can't find the software or driver you need?

Request a Driver/Software

Hardware Ecosystem

Parts Product Life Cycle Description
Comparators 1
LTC6957 Low Phase Noise, Dual Output Buffer/Driver/Logic Converter
Phase-Locked Loop (PLL) Synthesizers 1
ADF4002 RECOMMENDED FOR NEW DESIGNS Phase Detector / PLL Frequency Synthesizer
Modal heading
Add to myAnalog

Add product to the Products section of myAnalog (to receive notifications), to an existing project or to a new project.

Create New Project

Tools & Simulations

ADIsimCLK Design and Evaluation Software

ADIsimCLK is the design tool developed specifically for Analog Devices' range of ultra-low jitter clock distribution and clock generation products. Whether your application is in wireless infrastructure, instrumentation, networking, broadband, ATE or other areas demanding predictable clock performance, ADIsimCLK will enable you to rapidly develop, evaluate and optimize your design.

Open Tool

AD9520-x IBIS Models 1


Evaluation Kits

EVAL-AD9520-5

AD9520-5 Evaluation Board

Features and Benefits

  • Simple power connection using 6 V wall adapter and on-board LDO voltage regulators
  • LDOs are easily bypassed for power measurements
  • 5 ac-coupled differential LVPECL SMA connectors
  • 7 LVPECL differential headers for additional outputs
  • SMA connectors for
    2 reference inputs
    Charge pump output
    Clock distribution input
  • USB connection to PC
  • Microsoft Windows-based evaluation software with simple graphical user interface
  • On-board PLL loop filter
  • Easy access to digital I/O and diagnostic signals via
  • I/O header
  • Status LEDs for diagnostic signals

Product Details

The AD9520-x (hereafter referred to as AD9520) is a very low noise PLL clock synthesizer featuring an integrated VCO, clock dividers, and up to 24 outputs. The AD9520 features automatic holdover and a flexible reference input circuit allowing for very smooth reference clock switching. The AD9520 family also features the necessary provisions for an external VCXO.

The AD9520 evaluation board is a compact, easy-to-use platform for evaluating all features of the AD9520.

Resources

Software

EVAL-AD9520-5
AD9520-5 Evaluation Board

Reference Designs

Setup for Phase Coherent FSK Modulator
CN0186 Circuits from the lab

Phase Coherent FSK Modulator

Features and Benefits

  • Switch frequencies without losing phase information
  • Precision tuning range with digital programming
CN0186
Phase Coherent FSK Modulator
Setup for Phase Coherent FSK Modulator

Latest Discussions

No discussions on AD9520-5 yet. Have something to say?

Start a Discussion on EngineerZone®

Recently Viewed