Two engineers working in the lab

Save time and deliver your solutions faster with ADI’s new suite of precision technology signal chains. Align your applications ranging from Smart Industry to Instrumentation, Electrification to Digital Health, to exactly the right precision technology combinations.

Tailor your signal chain with confidence

AD8295

PRODUCTION

Precision Instrumentation Amplifier with Signal Processing Amplifiers

Viewing:

Overview

  • Saves board space
  • Includes precision in-amp, 2 op amps, and 2 matched resistors
  • 4 mm × 4 mm LFCSP
  • No heat slug for more routing room
  • Differential output fully specified
  • Wide power supply range: ±2.3 V to ±18 V
  • In amp specifications:
    Gain set with 1 external resistor (gain range: 1 to 1000)
    8 nV/√Hz, @ 1 kHz, max input voltage noise
    90 dB min CMRR (G = 1)
    0.8 nA max input bias current
    1.2 MHz, −3 dB bandwidth (G = 1)
    2 V/µs slew rate
  • 1 ppm/°C, 0.03% resistor matching

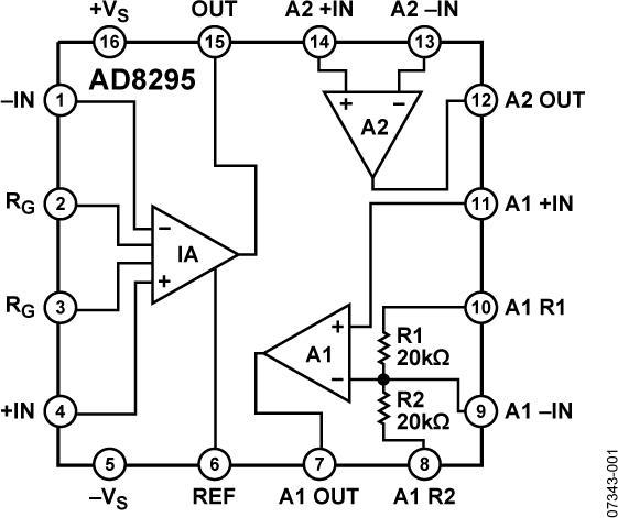
The AD8295 contains all the components necessary for a precision instrumentation amplifier front end in one small 4 mm × 4 mm package. It contains a high performance instrumentation amplifier, two general-purpose operational amplifiers, and two precisely matched 10 kΩ resistors.

The AD8295 has been designed to make PCB routing easy and efficient. The AD8295 components are arranged in a logical way so that typical application circuits have short routes and few vias. Unlike most chip scale packages, the AD8295 does not have an exposed metal pad on the back of the part, which frees up additional space for routing and vias. The AD8295 comes in a 4 mm × 4 mm LFCSP that requires half the board space of an 8-pin SOIC package.

The AD8295 includes a high performance, programmable gain instrumentation amplifier. Gain is set from 1 to 1000 with a single resistor. The low noise and excellent common-mode rejection of the AD8295 enable the part to easily detect small signals even in the presence of large common-mode interference. For a similar instrumentation amplifier without the associated signal conditioning circuitry, see the AD8221 or AD8222 data sheet.

The AD8295 operates on both single and dual supplies and is well suited for applications where ±10 V input voltages are encountered. Performance is specified over the entire industrial temperature range of −40°C to +85°C for all grades. The AD8295 is operational from −40°C to +125°C; see the Typical Performance Characteristics section for expected operation up to 125°C.

Applications

  • Industrial process controls
  • Wheatstone bridges
  • Precision data acquisition systems
  • Medical instrumentation
  • Strain gauges
  • Transducer interfaces
  • Differential output
  • Data Sheet, Rev 0, 11/2008

    AD8295
    Precision Instrumentation Amplifier with Signal Processing Amplifiers
    AD8295-fbl
    Add to myAnalog

    Add product to the Products section of myAnalog (to receive notifications), to an existing project or to a new project.

    Create New Project
    Ask a Question

    Documentation

    Learn More
    Add to myAnalog

    Add media to the Resources section of myAnalog, to an existing project or to a new project.

    Create New Project

    Software Resources

    Can't find the software or driver you need?

    Request a Driver/Software

    Tools & Simulations

    Signal Chain Designer

    Signal Chain Designer is a web-based tool designed to create and simulate complex precision signal chains. See your circuit’s performance before you commit to your PCB: transfer function, noise, power consumption, input range, and DC error. Quickly experiment with different parts and architectures. Signal chains can be exported to LTspice for further analysis.

    Open Tool

    ADI Circuit Explorer™

    ADI Circuit Explorer™ uses AI to interpret natural language prompts and search a database of validated analog circuit designs, helping you quickly find the best match for your needs.

    Open Tool

    Reference Designs

    High Performance Analog Front for Industrial Process Control
    CN0225 Circuits from the lab

    High Impedance, High CMR, ±10 V Analog Front End Signal Conditioner for Industrial Process Control and Automation

    Features and Benefits

    • Analog front end for +/- 10V inputs
    • High common mode rejection
    • 16 bit resolution
    • Board space reduction
    CN0225
    High Impedance, High CMR, ±10 V Analog Front End Signal Conditioner for Industrial Process Control and Automation
    High Performance Analog Front for Industrial Process Control

    Latest Discussions

    Recently Viewed