HMC767

LAST TIME BUY

Fractional-N PLL with Integrated VCO SMT, 8.45 - 9.55 GHz

Viewing:

Overview

  • RF Bandwidth: 8.45 GHz to 9.55 GHz
  • Fractional or Integer Modes
  • Ultra Low Phase Noise
    9.0 GHz; 50 MHz Ref.
    -107 / -102 dBc/Hz @ 10 kHz (Int / frac)
    -138 dBc/Hz @ 1 MHZ (Open Loop)
  • Figure of Merit (FOM)
    -230 / -227 dBc/Hz (int / Frac).
  • 24-bit Step Size, Resolution 3 Hz typ
  • 350 MHz, 14-bit reference path input
  • Frequency And Phase Modulation
  • Integrated Frequency Sweeper
  • Triggered Frequency Hopping
  • External Triggering
  • 40 Lead 6 x 6 mm SMT Package: 36 mm²

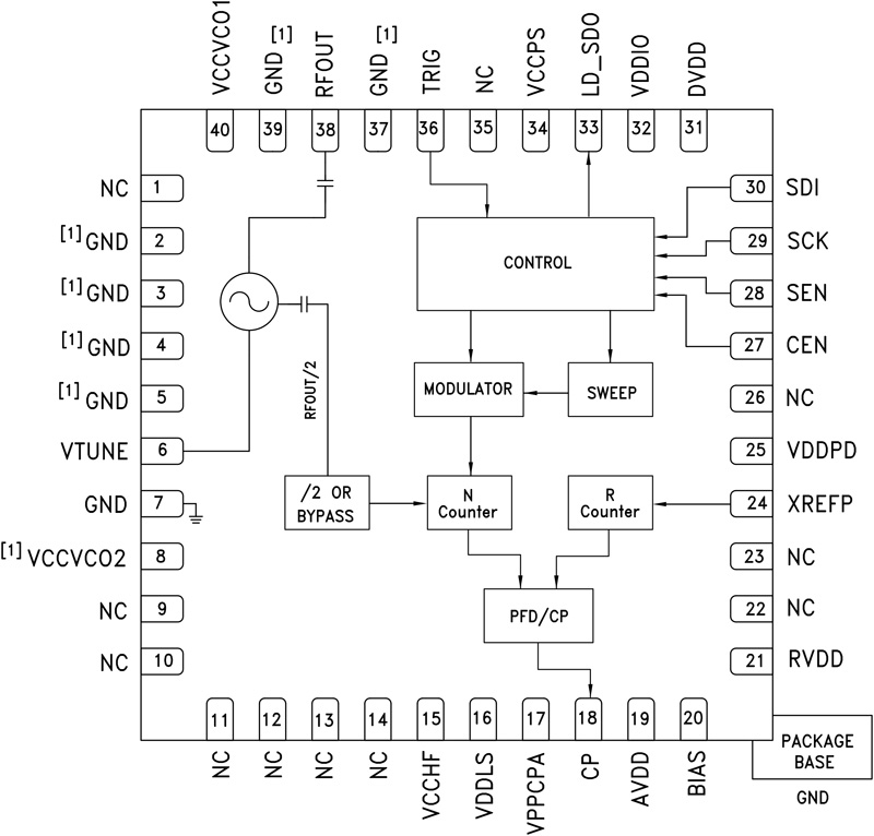
The HMC767LP6CE is a fully functioned Fractional-N Phase-Locked-Loop (PLL) Frequency Synthesizer with an integrated Voltage Controlled Oscillator (VCO). The input reference frequency range is DC to 350 MHz while the advanced delta-sigma modulator design in the fractional synthesizer allows both ultra-fine step sizes and very low spurious products. The highly integrated structure provides excellent phase noise performance over temperature, shock and process. In addition, the HMC767LP6CE offers frequency sweep and modulation features, external triggering, double-buffering, exact frequency control, phase modulation and more. The HMC767LP6CE is packaged in a leadless QFN 6 x 6 mm surface mount package.

For theory of operation and register map refer to the "PLLs w/ Integrated VCO - Microwave VCOs" Operating Guide.

Applications

  • VSAT Radio
  • Microwave Point-To-Point Radios
  • Test Equipment & Industrial Control
  • Military End-Use
  • Phased Array Applications
  • FMCW Radar Systems

HMC767
Fractional-N PLL with Integrated VCO SMT, 8.45 - 9.55 GHz
hmc767lp6ce_fbl
Add to myAnalog

Add product to the Products section of myAnalog (to receive notifications), to an existing project or to a new project.

Create New Project
Ask a Question

Documentation

Data Sheet

This is the most up-to-date revision of the Data Sheet.

Learn More
Add to myAnalog

Add media to the Resources section of myAnalog, to an existing project or to a new project.

Create New Project

Software Resources

Can't find the software or driver you need?

Request a Driver/Software

Hardware Ecosystem

Parts Product Life Cycle Description
Comparators 1
LTC6957 Low Phase Noise, Dual Output Buffer/Driver/Logic Converter
Operational Amplifiers (Op Amps) 3
ADA4084-1 RECOMMENDED FOR NEW DESIGNS

30 V, Low Noise, Rail-to-Rail Input/Output, Low Power Operational Single Amplifier

AD8065 PRODUCTION High Performance, 145 MHz FastFET Op Amps
ADA4625-1 RECOMMENDED FOR NEW DESIGNS 36 V, 18 MHz, Low Noise, Fast Settling Single Supply, RRO, JFET Op Amp
Phase-Locked Loop (PLL) Synthesizers 1
HMC1031 LAST TIME BUY 0.1 MHz to 500 MHz Clock Generator with Integer N PLL
Modal heading
Add to myAnalog

Add product to the Products section of myAnalog (to receive notifications), to an existing project or to a new project.

Create New Project

Tools & Simulations

ADIsimPLL™

ADIsimPLL enables the rapid and reliable evaluation of new high performance PLL products from ADI. It is the most comprehensive PLL Synthesizer design and simulation tool available today. Simulations performed include all key non-linear effects that are significant in affecting PLL performance. ADIsimPLL removes at least one iteration from the design process, thereby speeding the design- to-market.

Open Tool

Evaluation Kits

EVAL-HMC767LP6CE
HMC767LP6CE Evaluation Board
HMC767 Evaluation Board HMC767 Evaluation Board - Top View HMC767 Evaluation Board - Bottom View

Latest Discussions

Recently Viewed