概览
设计资源
评估硬件
产品型号带"Z"表示符合RoHS标准。评估此电路需要下列选中的电路板
- EVAL-ADICUP3029 ($60.92) Ultralow Power Arduino Form Factor Compatible Development Platform
- EVAL-CN0531-PMDZ ($201.68) 20-bit Digital to Analog Converter System
器件驱动器
软件(如C代码和/或FPGA代码等)用于与元件的数字接口通信。
AD576x, AD578x, AD579x GitHub no-OS Driver Source Code
AD5760, AD578x, AD579x IIO DAC GitHub Linux Driver Source Code
优势和特点
- +/-5V输出范围
- 20位信号生成控制
- 片上5V精密基准电压源
- 所有供电轨均使用3.3V单电源生成
参考资料
-
CN0531 User Guide2021/3/5WIKI
-
Solutions For Rapid Prototyping: Answering the Needs of Practicing Engineers2023/8/23PDF784 K
-
CN0531: 可编程20位、线性、精密、双极性±5 V DC直流电压源 (Rev. 0)2021/3/5PDF277 K
-
Precision Narrow Bandwidth Signal Chain Solutions2025/9/5 -
精密窄带宽信号链平台介绍2025/9/5 -
ADI CN0531:可编程20位精密直流电压源2025/9/5 -
ADI's CN0531: Programmable 20-Bit Precision DC Voltage Source2025/9/5
电路功能与优势
精密直流电压是科学仪器和测量设备、自动化测试设备、工厂自动化和控制、化学分析及其他许多高精度应用的关键组成部分。最苛刻的应用需要一位数ppm(百万分之一)的温度漂移、1ppm以下的线性度和可预测的低噪声性能。
图1所示电路是一种可编程20位电压源,能够满足这些苛刻应用的需求。输出范围为-5 V至+5 V,积分非线性(INL)为±1 LSB,差分非线性(DNL)为±1 LSB,在整个输出范围内的噪声和漂移均非常低。
板载电源转换器从开发平台板提供的单电压电源产生所需的电源轨。低噪声、高电源抑制比(PSRR)稳压器确保开关噪声最小化。高精度、高稳定性、板载气密基准电压源可确保20位系统的高精度和准确性。
电路的输出有缓冲电路,提供可选的远程检测连接以补偿引线电阻,或支持在必要时插入外部功率级,以为期望的最终应用提供驱动灵活性。

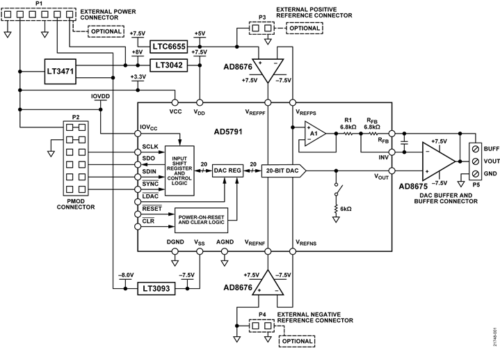
电路描述
数模转换
图1所示电路的核心是 AD5791,这是一款具有串行外设接口(SPI)的20位数模转换器(DAC),提供±1 LSB INL、±1 LSB DNL性能和7.5 nV/√Hz噪声谱密度。另外,AD5791还具有极低的温漂(0.05 ppm/°C)特性。AD5791采用的精密架构要求强制检测缓冲其基准电压输入,从而确保达到规定的线性度。
选择用于缓冲基准输入的放大器须具有低噪声、低温漂和低输入偏置电流特性。针对此功能推荐用 AD8676 放大器,这是一种超精密、36 V、2.8 nV/√Hz双通道运算放大器,具有0.6 µV/°C的低失调漂移和2 nA的输入偏置电流。此外,AD5791使用该双通道运算放大器来缓冲其基准电压输入来进行标定和工厂校准,从而进一步增强这种器件组合的可靠性。
电路可以通过软件配置为两种模式之一:双极性或单极性。图1所示为双极性配置,输出电压介于−5 V到+5 V之间,使用由AD8676缓冲的单个5 V基准电压源。双极性模式下的输出电压可利用下式确定:

其中:
VOUT 为输出电压。
VREF 为基准电压(CN-0531上为5 V)。
Code为写入DAC的20位代码。
配置为单极性模式时,R1与RFB在内部并联连接,输出范围为0 V至5 V(参见图1)。单极性模式下的输出电压可利用下式确定:

基准电压源
可编程电压源的性能取决于其基准电压源,后者决定了电压源的输出范围。AD5791 的增益漂移极小(0.05 ppm/°C),导致基准电压源成为大多数应用中的精度和漂移的限制因素。
LTC6655BHLS8-5 为CN0531提供高度稳定和精确的5.0 V基准电压。该基准电压源的初始精度为0.025%,最大温度漂移为2 ppm/°C,噪声为0.25 ppm(0.1 Hz至10 Hz)。气密封装对湿度不敏感,提供30 ppm的出色热迟滞。
长期漂移性能异常出色,典型值为20 ppm/√kHr。长期漂移不能从加速高温测试外推得到,这是一种错误的技术,提供的漂移数字过于乐观。确定长期漂移的方法是测量目标时间段内的漂移,并且LTC6555经历了数千小时工作时间的广泛标定。有关这些方法的更多信息,请参阅LTC6655数据手册和 设计笔记229。
LTC6655的性能水平只有采用加热器、闭环温度控制和绝缘封装的更高级、更昂贵的基准电压源能够比拟,因此该器件是CN-0531的理想性能、功耗和成本组合。
输出缓冲级
AD5791采用电压输出、分段R-2R DAC架构,本身即具有出色的满量程和零电平误差,INL和DNL的最大值均为1 LSB。输出无缓冲,具有3.4 kΩ的恒定电阻,在大多数应用中需要额外的信号调理,从而很好地保持AD5791的直流精度和噪声规格。
AD8675 是一款合适的放大器,其典型失调为10 μV,最大漂移为0.6μV/°C,最大偏置电流为2 nA。
默认情况下,AD5791 RFB路径连接到缓冲器的输出。对于需要更高驱动能力或远程检测的应用,板载连接可以断开,并将反馈远程连接到电源缓冲级的输出端。
电源树
CN-0531电源树如图2所示,包括 LT3471 升压/反相转换器,其后是 LT3042 (正)和 LT3093 (负)超低噪声、超高PSRR线性稳压器。
LT3471允许电路从开发平台板提供的3.3 V或5 V单电源供电。输出电压设置为±8 V,然后由LT3042和LT3093调节至±7.5 V。在LT3471的1.2 MHz开关频率下,LT3042和LT3093分别提供出色的80 dB和75 dB PSRR,确保DAC输出端的开关馈通最小。

图2.电源简化框图
CN-0531线性度测量
图3所示的以下数据表明了图1所示电路的精密性能,其配置为双极性模式,使用6½位的Truevolt数字万用表(DMM)。图3显示了CN-0531的INL与DAC码的关系。结果在AD5791数据手册的±1 LSB规格范围内。

噪声计算和测量
AD5791 的7.5 nV/√Hz输出噪声谱密度完全是由于其3.4 kΩ源阻抗引起的。AD8676 输出缓冲器的电压噪声密度为2.8 nV/√Hz,电流噪声密度为0.3 pA/√Hz,产生的1 nV/√Hz对于AD5791的输出电阻而言可忽略不计。DAC和输出放大器的总噪声为

当输出设置为0 V时,该值就是预期的噪声。随着DAC输出增大,噪声以LTC6655BHLS8-5 基准电压源为主。图4显示了5.0 V输出电压对应的输出功率谱密度。

常见变化
AD5791可以支持0 V至±10 V的广泛输出范围。图1所示配置可用来根据需要产生对称或不对称的范围。对于单位增益工作模式,应将AD5791内部控制寄存器的RBUF位设置为逻辑1。
AD5791还提供增益为2的工作模式,可以从一个正基准电压产生对称的双极性输出范围,如AD5791数据手册所述,从而无需产生负基准电压。然而,这种模式会引起较大的满量程和零电平误差。要选择此模式,请将AD5791内部控制寄存器的RBUF位设置为逻辑0。
电路评估与测试
开始使用
测试CN-0531参考设计所需的基本步骤和设备如下所述。有关设置说明的更多信息和完整详情,请参阅CN0531用户指南。

图5.EVAL-CN0531-PMDZ参考设计板照片
设备要求
需要以下设备:
- 带USB端口的PC
- 串行终端程序,如Tera Term或PuTTY
- EVAL-CN0531-PMDZ参考设计板
- EVAL-ADICUP3029 开发平台板
- ADuCM3029_demo_cn0531.hex 文件
- microUSB转USB A型线
- 6½数字或更高Truevolt DMM
功能框图
图6所示为CN-0531测试设置的功能框图。

图6.测试设置功能框图
测试
请执行以下步骤来测试该电路:
- 使用P8连接器将EVAL-CN0531-PMDZ连接到EVAL-ADICUP3029(参见图7)。
- 将DMM连接到EVAL-CN0531-PMDZ。
- 将USB A型连接器插入PC,将microUSB连接器插入EVAL-ADICUP3029。
- 将aducm3029_CN0531_demo.hex固件刷到EVAL-ADICUP3029上。
- 按EVAL-ADICUP3029上的3029_Reset按钮。
- 打开一个串行终端,将EVAL-ADICUP3029连接到PC,并键入help命令。
- 使用串行终端将CN-0531配置为单极性模式,并将输出电压设置为2.5 V。串行终端看起来应该像图8。
- 验证串行终端中设置的输出电压是否与图9中DMM所示的电压一致。





